电脑桌面
添加小米粒文库到电脑桌面
安装后可以在桌面快捷访问

冷轧钢带的产品技术要求和冷轧工艺参数测量

冷轧钢带的产品技术要求和冷轧工艺参数测量_第1页
1/29
冷轧钢带的产品技术要求和冷轧工艺参数测量_第2页
2/29
冷轧钢带的产品技术要求和冷轧工艺参数测量_第3页
3/29
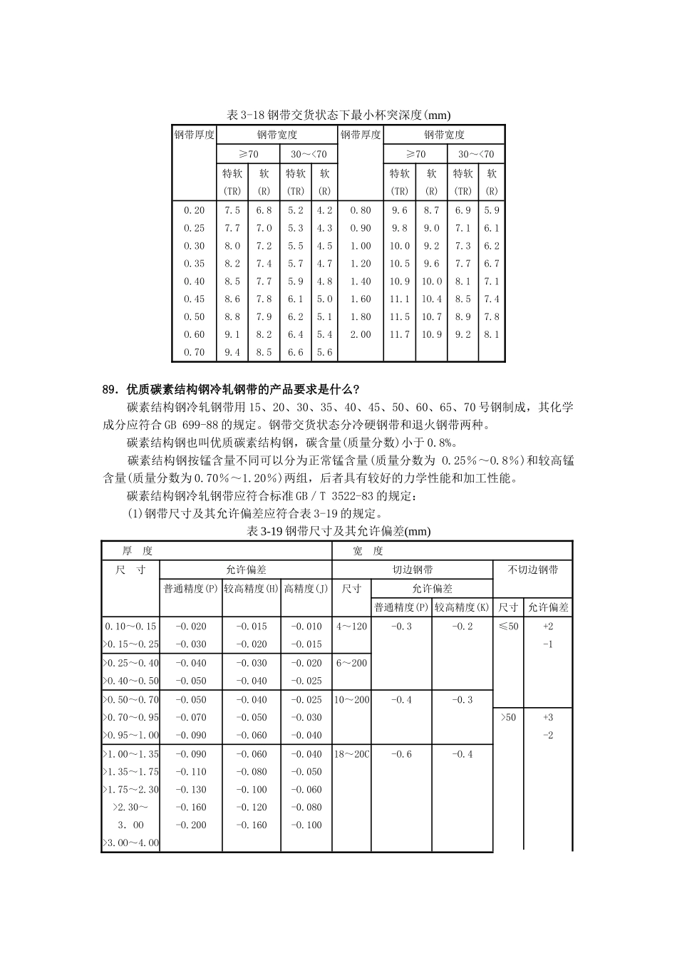
三、冷轧钢带的产品技术要求88.低碳钢冷轧钢带的产品要求是什么? 低碳钢冷轧钢带用来制造冲压零件、钢管和其他制品,用优质碳素结构钢 08、10 或05 沸、08 沸、10 沸钢制成钢带。钢带交货状态按硬度分为特软、软、半软、低硬、硬。其化学成分和力学性能如表 3-13、表 3-14 所示。根据供需双方协议,特软(TR)、软(R)钢带可经平整后交货。表 3-13 低碳钢冷轧钢带的化学成分钢号化学成分(质量分数)/%牌号代号碳(C)硅(Si)锰(Mn)磷(P)硫(S)铬(Cr)镍(Ni) 05沸 0808沸 1010沸05F0808F1010F≤O.060.05~O.12O.05~O.11O.07~O.14O.07~O.14≤O.03O.17~O.37≤O.03O.17~O.37≤O.07≤O.400.35~O.65O.25~O.50O.35~O.650.25~O.50≤O.035≤0.035≤O.040≤O.035≤O.040≤O.040≤O.040≤O.040≤0.040≤O.040≤O.10≤O.10≤O.10≤O.15≤0.15≤O.25≤O.25≤O.25≤0.25≤O.25表 3-14 钢带交货状态的力学性能 按硬度分的钢带组别 抗拉强度如/MPa 伸长率δ/% 特软(TR) 软(R) 半软(BR) 低硬(DY) 冷硬(Y) 280~400 350~450 380~500 420~550 500~800 ≥30 ≥20 ≥10 ≥4 不测定低碳钢冷轧钢带应符合标准 YB/T 5059-93 的有关规定:(1)低碳钢冷轧钢带厚度的允许偏差应符合表 3-15 的规定。表 3-15 低碳钢带厚度的允许偏差(mm) 钢带宽度 允许偏差 普通精度(P) 较高精度(H) 高精度(J) 0.05~O.08 0.10~O.15 O.18~O.25 0.28~O.40 O.45~O.70 0.75~O.95 1.00~1.35 1.40~1.75 1.80~2.30 2.40~3.OO 3.10~3.60 -O.015 -O.02 -O.03 -O.04 -0.05 -O.07 -O.09 -O.11 -0.13 -O.16 -O.20 -O.010 -O.015 -0.02 -0.03 -O.04 -O.05 -O.06 -O.08 -0.10 -O.12 -O.16 -0.010 -O.015 -O.020 -0.025 -O.030 -O.040 -O.050 -O.060 -O.050 -O.100 (2)钢带宽度及其允许偏差应符合表 3-16 的规定。切边钢带不得有裂边、锯齿、撕破的粗毛刺。不切边钢带的边缘允许有裂边,但其深度不得大于表 3-16 规定的不切边钢带宽度的允许负偏差。表 3-16 钢带宽度及其允许偏差(mm)钢带宽度 允许偏差不切边钢带(各种厚度) O.05~O.50 O.55~1.00 >1.00普通精度 较高精度普通精度较高精度普通精度较高精度 4~50 +2.O -1.5 -O.30 -0.15 -0.40 -0.25 -O.50 -O.30 53~100 +2.5 -2.O 105~195 +4.O -2.5 -O.50 -O.25 -O.60 -O.35 -O.70 -O.50 200~300 +6.O...

1、当您付费下载文档后,您只拥有了使用权限,并不意味着购买了版权,文档只能用于自身使用,不得用于其他商业用途(如 [转卖]进行直接盈利或[编辑后售卖]进行间接盈利)。
2、本站所有内容均由合作方或网友上传,本站不对文档的完整性、权威性及其观点立场正确性做任何保证或承诺!文档内容仅供研究参考,付费前请自行鉴别。
3、如文档内容存在违规,或者侵犯商业秘密、侵犯著作权等,请点击“违规举报”。

碎片内容

冷轧钢带的产品技术要求和冷轧工艺参数测量

您可能关注的文档

MY shop+ 关注
实名认证
内容提供者

欢迎挑选适合自己的材料。

确认删除?
VIP
微信客服
  • 扫码咨询
会员Q群
  • 会员专属群点击这里加入QQ群
客服邮箱
回到顶部