电脑桌面
添加小米粒文库到电脑桌面
安装后可以在桌面快捷访问

区间降水井检验批质量检验记录

区间降水井检验批质量检验记录_第1页
1/5
区间降水井检验批质量检验记录_第2页
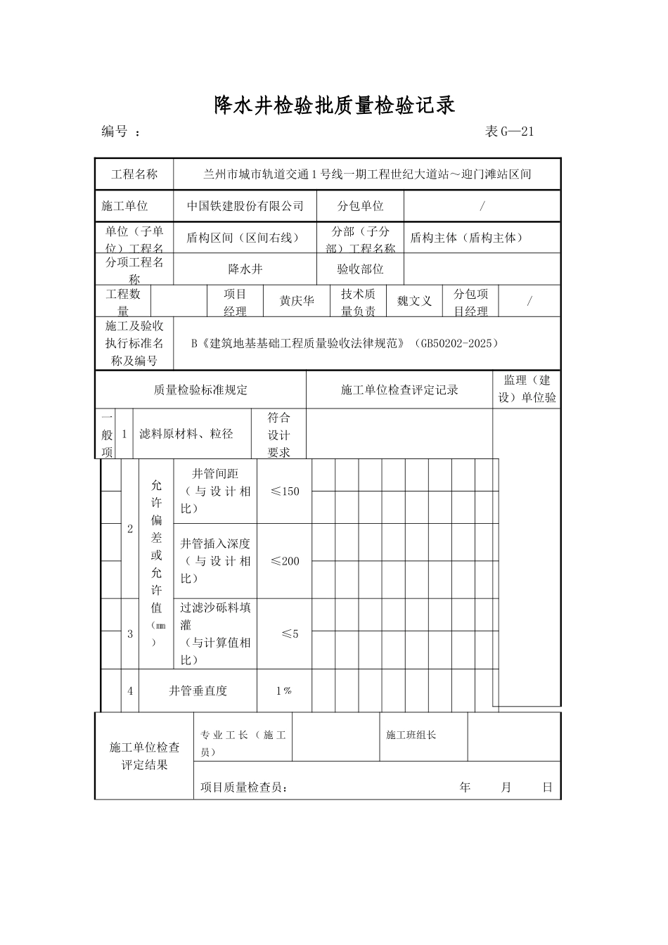
2/5
区间降水井检验批质量检验记录_第3页
3/5
A8 工程报验申请表工程项目名称:兰州市城市轨道交通 1 号线一期工程 施工合同段:试验段 编号:致 铁科院(北京)工程咨询公司兰州轨道交通工程监理部 : 根据施工承包合同和设计文件的要求,我单位已完成下列工程项目并自检合格,报请检查。项目 1:降水井 0#4#6#5#8#9#10#11#12#48#49#7#45#13#14#15#16#47#17#46# (填写 9 口井的号码,)附件:降水井检验批质量验收记录 质检工程师 (签字) 日 期 监理工程师意见:专业监理工程师 日 期 注:本表一式 3 份,承包单位 2 份,监理单位 1 份。降水井检验批质量检验记录编号 : 表 G—21 工程名称兰州市城市轨道交通 1 号线一期工程世纪大道站~迎门滩站区间施工单位中国铁建股份有限公司分包单位/单位(子单位)工程名盾构区间(区间右线)分部(子分部)工程名称盾构主体(盾构主体)分项工程名称降水井验收部位工程数量项目经理黄庆华技术质量负责魏文义分包项目经理/施工及验收执行标准名称及编号B《建筑地基基础工程质量验收法律规范》(GB50202-2025)质量检验标准规定施工单位检查评定记录监理(建设)单位验收意见一般项1滤料原材料、粒径符合设计要求2允许偏差或允许值(mm)井管间距( 与 设 计 相比)≤150井管插入深度( 与 设 计 相比)≤2003过滤沙砾料填灌(与计算值相比)≤54井管垂直度1﹪施工单位检查评定结果专 业 工 长 ( 施 工员)施工班组长 项目质量检查员: 年 月 日监理(建设)单位验收结论监理工程师: (建设单位项目技术负责人) 年 月 日填 表 说 明一般项目1、允许偏差见下表(GB50202-2025 第 7.8.6 条)序号项目允许偏差或允许值(mm)检查频率检验方法范围点数1滤料原材料、粒径符合设计要求抽 查原材料试验报告,粒径用尺量测。2井管间距≤150每个井管1与设计相比,用钢尺量测。井管插入深度≤200与设计相比,用水准仪检查3过滤砂砾料填灌≤5与计算值相比,检查回填料的用量4井管垂直度1﹪插管时用线锤尺测

1、当您付费下载文档后,您只拥有了使用权限,并不意味着购买了版权,文档只能用于自身使用,不得用于其他商业用途(如 [转卖]进行直接盈利或[编辑后售卖]进行间接盈利)。
2、本站所有内容均由合作方或网友上传,本站不对文档的完整性、权威性及其观点立场正确性做任何保证或承诺!文档内容仅供研究参考,付费前请自行鉴别。
3、如文档内容存在违规,或者侵犯商业秘密、侵犯著作权等,请点击“违规举报”。

碎片内容

区间降水井检验批质量检验记录

确认删除?
VIP
微信客服
  • 扫码咨询
会员Q群
  • 会员专属群点击这里加入QQ群
客服邮箱
回到顶部