电脑桌面
添加小米粒文库到电脑桌面
安装后可以在桌面快捷访问

各类场所的噪声排放限值参考标准

各类场所的噪声排放限值参考标准_第1页
1/15
各类场所的噪声排放限值参考标准_第2页
2/15
各类场所的噪声排放限值参考标准_第3页
3/15
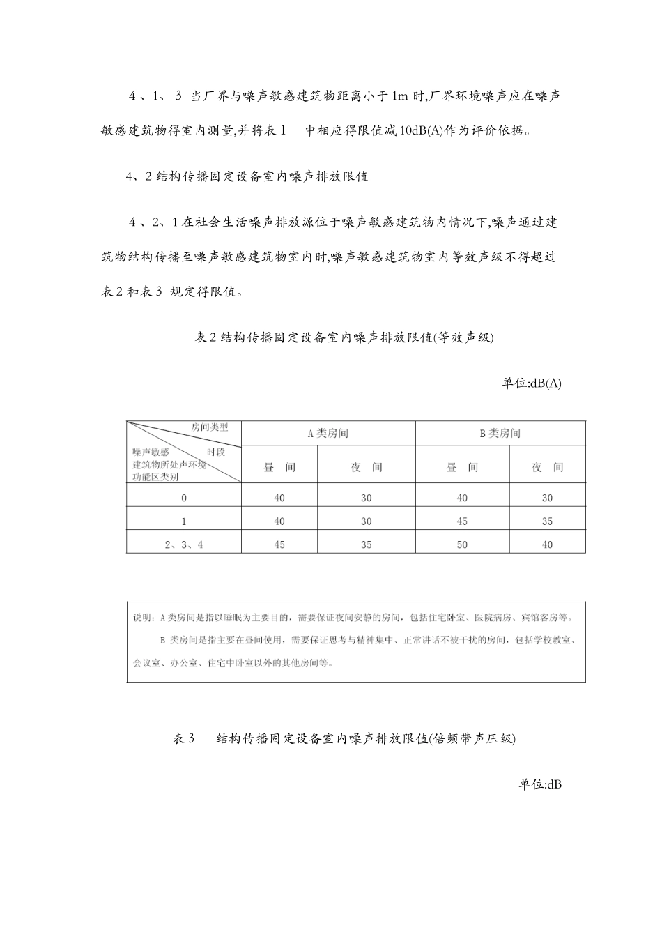
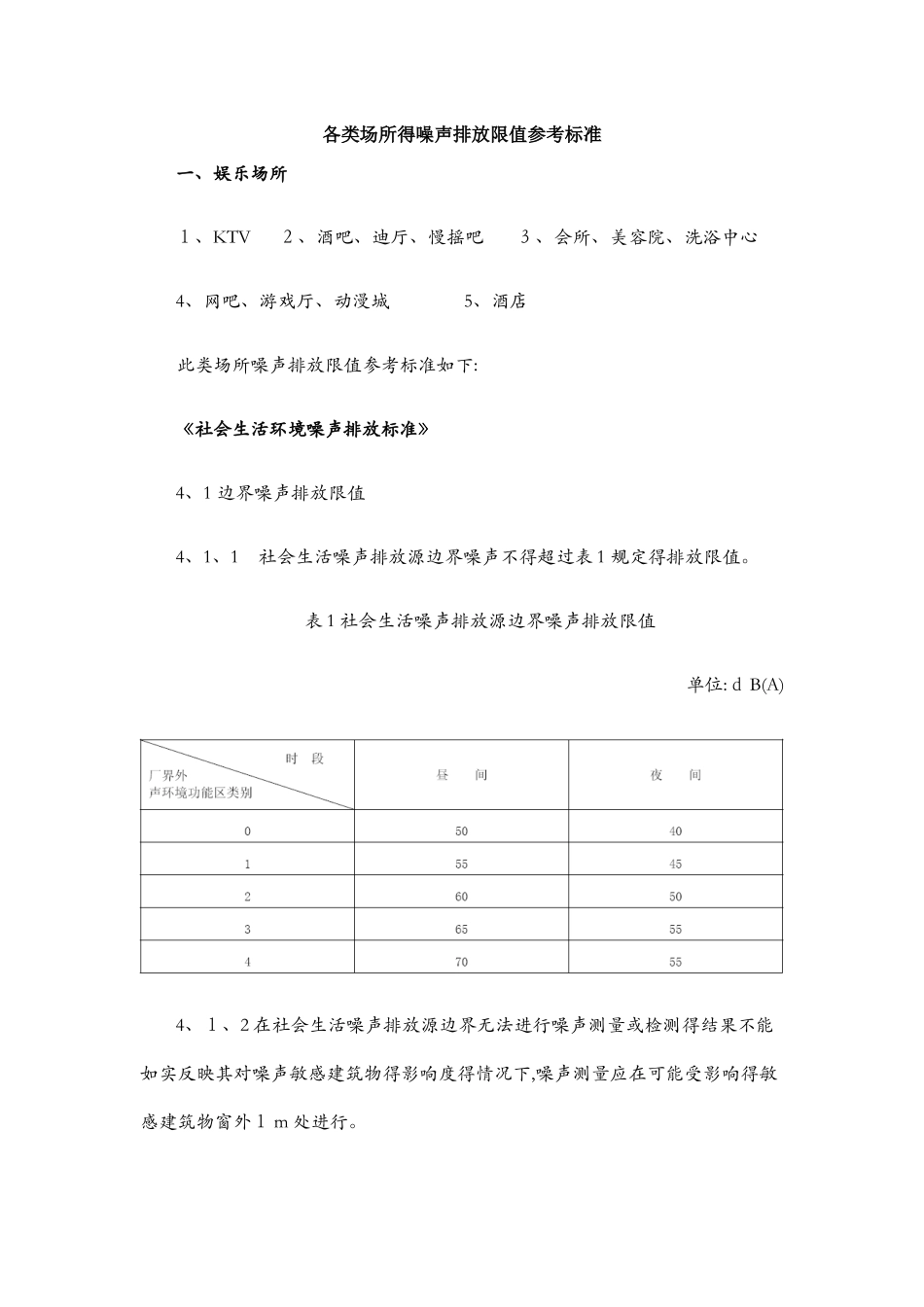
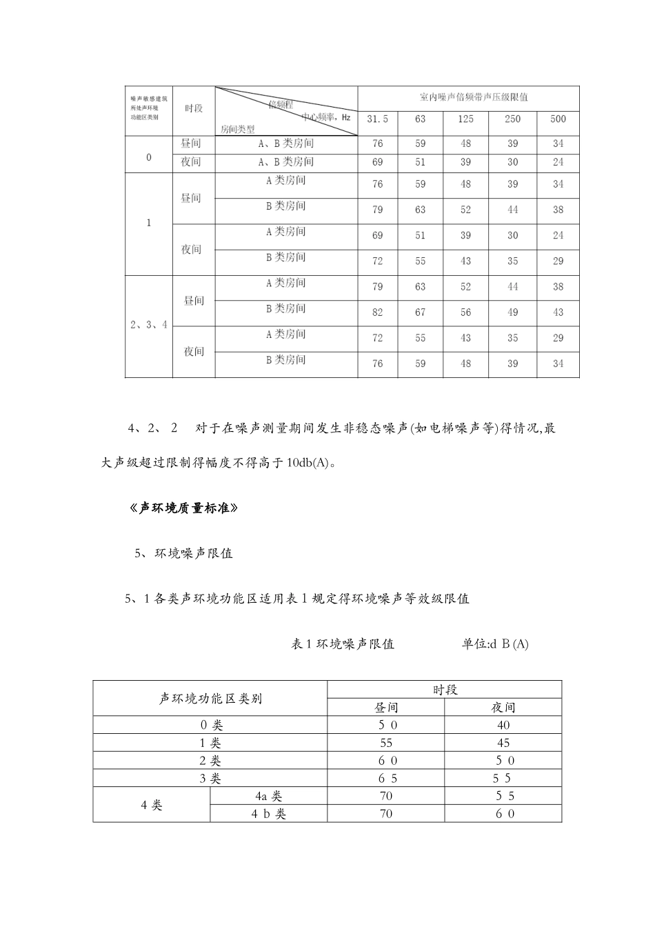
各类场所得噪声排放限值参考标准一、娱乐场所1、KTV 2、酒吧、迪厅、慢摇吧 3、会所、美容院、洗浴中心4、网吧、游戏厅、动漫城 5、酒店此类场所噪声排放限值参考标准如下:《社会生活环境噪声排放标准》4、1 边界噪声排放限值4、1、1 社会生活噪声排放源边界噪声不得超过表 1 规定得排放限值。表 1 社会生活噪声排放源边界噪声排放限值单位:d B(A)4、1、2 在社会生活噪声排放源边界无法进行噪声测量或检测得结果不能如实反映其对噪声敏感建筑物得影响度得情况下,噪声测量应在可能受影响得敏感建筑物窗外1 m 处进行。4、1、3 当厂界与噪声敏感建筑物距离小于 1m 时,厂界环境噪声应在噪声敏感建筑物得室内测量,并将表1 中相应得限值减 10dB(A)作为评价依据。4、2 结构传播固定设备室内噪声排放限值4、2、1 在社会生活噪声排放源位于噪声敏感建筑物内情况下,噪声通过建筑物结构传播至噪声敏感建筑物室内时,噪声敏感建筑物室内等效声级不得超过表 2 和表3 规定得限值。表 2 结构传播固定设备室内噪声排放限值(等效声级)单位:dB(A)表3 结构传播固定设备室内噪声排放限值(倍频带声压级)单位:dB 4、2、2 对于在噪声测量期间发生非稳态噪声(如电梯噪声等)得情况,最大声级超过限制得幅度不得高于 10db(A)。《声环境质量标准》 5、环境噪声限值5、1 各类声环境功能区适用表1规定得环境噪声等效级限值 表 1 环境噪声限值 单位:d B(A)声环境功能区类别时段昼间夜间0类5 0401 类55452 类6 05 03 类6 55 54 类4a 类705 54 b类706 0按区域得使用功能特点和环境质量要求,声环境功能区分为以下五种类型: 0 类声环境功能区:指康复疗养区等特别需要宁静得区域。 1 类声环境功能区:指以居民住宅、医疗卫生、文化教育、科研设计、行政办公为主要功能,需要保持宁静得区域。 2 类声环境功能区:指以商业金融、集市贸易为主要功能,或者居住、商业、工业混杂,需要维护住宅宁静得区域。 3 类声环境功能区:指以工业生产、仓储物流为主要功能,需要防止工业噪声对周围环境产生严重影响得区域。 4 类声环境功能区:指交通干线两侧一定距离之内,需要防止交通噪声对周围环境产生严重影响得区域,包括4 a 类和 4b 类两种类型。4a 类为高速公路、一级公路、二级公路、城市快速路、城市主干路、城市次干路、城市轨道交通(地面段)、内河航道两侧区域;4 b 类为铁路干线两侧区域。二、机房厂...

1、当您付费下载文档后,您只拥有了使用权限,并不意味着购买了版权,文档只能用于自身使用,不得用于其他商业用途(如 [转卖]进行直接盈利或[编辑后售卖]进行间接盈利)。
2、本站所有内容均由合作方或网友上传,本站不对文档的完整性、权威性及其观点立场正确性做任何保证或承诺!文档内容仅供研究参考,付费前请自行鉴别。
3、如文档内容存在违规,或者侵犯商业秘密、侵犯著作权等,请点击“违规举报”。

碎片内容

各类场所的噪声排放限值参考标准

您可能关注的文档

一帆文传+ 关注
实名认证
内容提供者

欢迎光临店铺,各类公文供您挑选。

确认删除?
VIP
微信客服
  • 扫码咨询
会员Q群
  • 会员专属群点击这里加入QQ群
客服邮箱
回到顶部