电脑桌面
添加小米粒文库到电脑桌面
安装后可以在桌面快捷访问

四川省公路工程试验检测收费标准(2025终稿)

四川省公路工程试验检测收费标准(2025终稿)_第1页
1/48
四川省公路工程试验检测收费标准(2025终稿)_第2页
2/48
四川省公路工程试验检测收费标准(2025终稿)_第3页
3/48
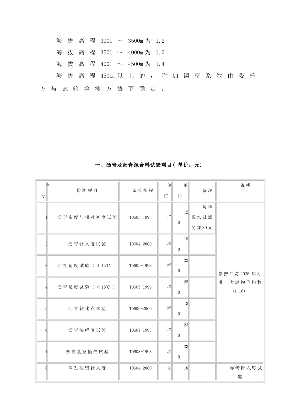
目 录总 则.......................................................- 1 -一、沥青及沥青混合料试验项目( 单价:元)............................- 2 -二、集料试验项目.................................................- 5 -三、水质分析试验项目.............................................- 7 -四、岩石试验项目.................................................- 7 -五、水泥及粉煤灰试验项目........................................- 8 -六、水泥混凝土试验项目..........................................- 9 -七、钢材试验项目.................................................- 11 -八、钢结构无损检测...............................................- 13 -九、无机结合料稳定土试验........................................- 13 -十、土工试验项目.................................................- 14 -十一、交通安全设施试验项目......................................- 15 -十二、通信管道试验项目..........................................- 18 -十三、其它材料试验项目..........................................- 19 -十四、路基、路面构造物检测......................................- 20 -十五、桥涵检测...................................................- 23 -十六、桥梁静、动载试验..........................................- 24 -十七、混凝土构件检测.............................................- 25 -十八、桩基检测...................................................- 26 -十九、隧道工程检测...............................................- 27 -二十、防护工程检测...............................................- 28 -二十一、其它项目.................................................- 28 -《 四 川 省 公 路 工 程 试 验 检 测 收 费 标 准 》( 建 议 )总 则1 、本标准适用于四川省内公路工程试验检测收费。2 、试验检测收费采纳实物工作量定额计费方法计算。3 、试验检测收费= 试验检测工作直接费用+其它费用4 、试验检测工作直接费用= 试验检测工作收费基价×实物工作量×附加调整系数5 、试验检测工作收费基价是完成每单位实物工作内容的基本价格(即下表中所列检测项目的单价),其中...

1、当您付费下载文档后,您只拥有了使用权限,并不意味着购买了版权,文档只能用于自身使用,不得用于其他商业用途(如 [转卖]进行直接盈利或[编辑后售卖]进行间接盈利)。
2、本站所有内容均由合作方或网友上传,本站不对文档的完整性、权威性及其观点立场正确性做任何保证或承诺!文档内容仅供研究参考,付费前请自行鉴别。
3、如文档内容存在违规,或者侵犯商业秘密、侵犯著作权等,请点击“违规举报”。

碎片内容

四川省公路工程试验检测收费标准(2025终稿)

雏圣文化+ 关注
实名认证
内容提供者

欢迎光临,大量办公文档供您挑选。

确认删除?
VIP
微信客服
  • 扫码咨询
会员Q群
  • 会员专属群点击这里加入QQ群
客服邮箱
回到顶部