电脑桌面
添加小米粒文库到电脑桌面
安装后可以在桌面快捷访问

地下室抹灰技术交底记录

地下室抹灰技术交底记录_第1页
1/5
地下室抹灰技术交底记录_第2页
2/5
地下室抹灰技术交底记录_第3页
3/5
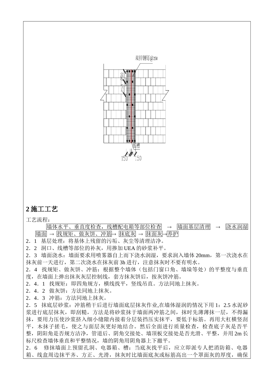
地下室抹灰技术交底记录编号: 表 12-1工程名称施工部位一、二、三、四、五区地下室施工图号施工班组日期内容:一.材料及使用部位******************办公楼地下室抹灰工程中主要建筑材料如下:1:2.5 水泥砂浆、108 胶、钢板网、水泥钉主要用于以下部位:一、二、三、四、五区地下室(除一区北翼地下室外墙)二.原材料要求1.砂浆1.1 水泥:采纳 P32.5 普通硅酸盐水泥。要求颜色一致,采纳同一批号的产品。水泥有出厂合格证及性能检测报告。1.2 砂:采纳饮马河中砂,拌制前过筛,筛除其中含有的草根等杂物,砂的含泥量不得超过5%,不得含有碱质或其他有机物。1.3 水:拌制用水采纳施工场地井水(已经长春市监测中心检验合格)。2.108 胶、钢板网等均应通过验收合格。三.主要机具主要机具:砂浆搅拌机、大、小平铲、筛子、手推车、大桶、灰槽、灰勺、2.5m 大杠、2m 靠尺板、线坠、钢卷尺、托灰板、铁抹子、木抹子、5—7mm 方口靠尺、阴阳角抹子、长毛刷、钢丝刷、笤帚、胶皮水管、小白线、分格条、塑料刮板、专用阴、阳角靠尺等。四.抹灰施工 抹灰高度:所有内墙及柱子抹到梁底,且不留踢脚;外墙抹到梁底,结构底板面以上留500mm 不抹灰。(一)基层为砖墙的墙体抹灰施工1 作业条件1.1 前置相关工程完成并经验收达到合格标准。1.2 砖墙表面的灰尘、污垢和油渍等应清理洁净并洒水湿润。1.3 复核管线、配电箱、插座、开关盒等外露设备出墙尺寸、标高、平直度,如不合格则整改至符合要求,因为它们的完成情况直接关系到抹灰成品观感质量。1.4 抹灰前应检查基体表面平整度以决定抹灰厚度,单层抹灰厚度不宜大于 8mm,抹灰前应在大角的两面、窗台两侧弹出抹灰的控制线,以作为打底依据。1.5 对配电箱、消防箱、线盒及线槽进行检查,抹灰前将上述部位四周灰缝塞实,具体为:首先清理洁净粉尘,然后浇水润湿,最后用砂浆填塞密实。1.6 砌体与砼剪力墙或柱交接处、线槽、配电箱后面等易于开裂、变形处均应设置钢板网,根据下图做法施工:2 施工工艺工艺流程:墙体水平、垂直度检查,线槽配电箱等部位检查  墙面基层清理  浇水润湿墙面  找规矩、做灰饼、冲筋 抹底灰  抹面灰养护2.1 基层处理:将基体上残留的污垢、灰尘等清理洁净。2.2 洞口、线槽等部位的补灰,用掺加 UEA 的砂浆补平。2.3 墙面浇水:墙面要求用喷雾器自上而下浇水润湿,要求润入墙体 20mm,第一次浇水在抹灰前一天进...

1、当您付费下载文档后,您只拥有了使用权限,并不意味着购买了版权,文档只能用于自身使用,不得用于其他商业用途(如 [转卖]进行直接盈利或[编辑后售卖]进行间接盈利)。
2、本站所有内容均由合作方或网友上传,本站不对文档的完整性、权威性及其观点立场正确性做任何保证或承诺!文档内容仅供研究参考,付费前请自行鉴别。
3、如文档内容存在违规,或者侵犯商业秘密、侵犯著作权等,请点击“违规举报”。

碎片内容

地下室抹灰技术交底记录

确认删除?
VIP
微信客服
  • 扫码咨询
会员Q群
  • 会员专属群点击这里加入QQ群
客服邮箱
回到顶部