电脑桌面
添加小米粒文库到电脑桌面
安装后可以在桌面快捷访问

地面找平层工程检验批质量验收记录

地面找平层工程检验批质量验收记录_第1页
1/21
地面找平层工程检验批质量验收记录_第2页
2/21
地面找平层工程检验批质量验收记录_第3页
3/21
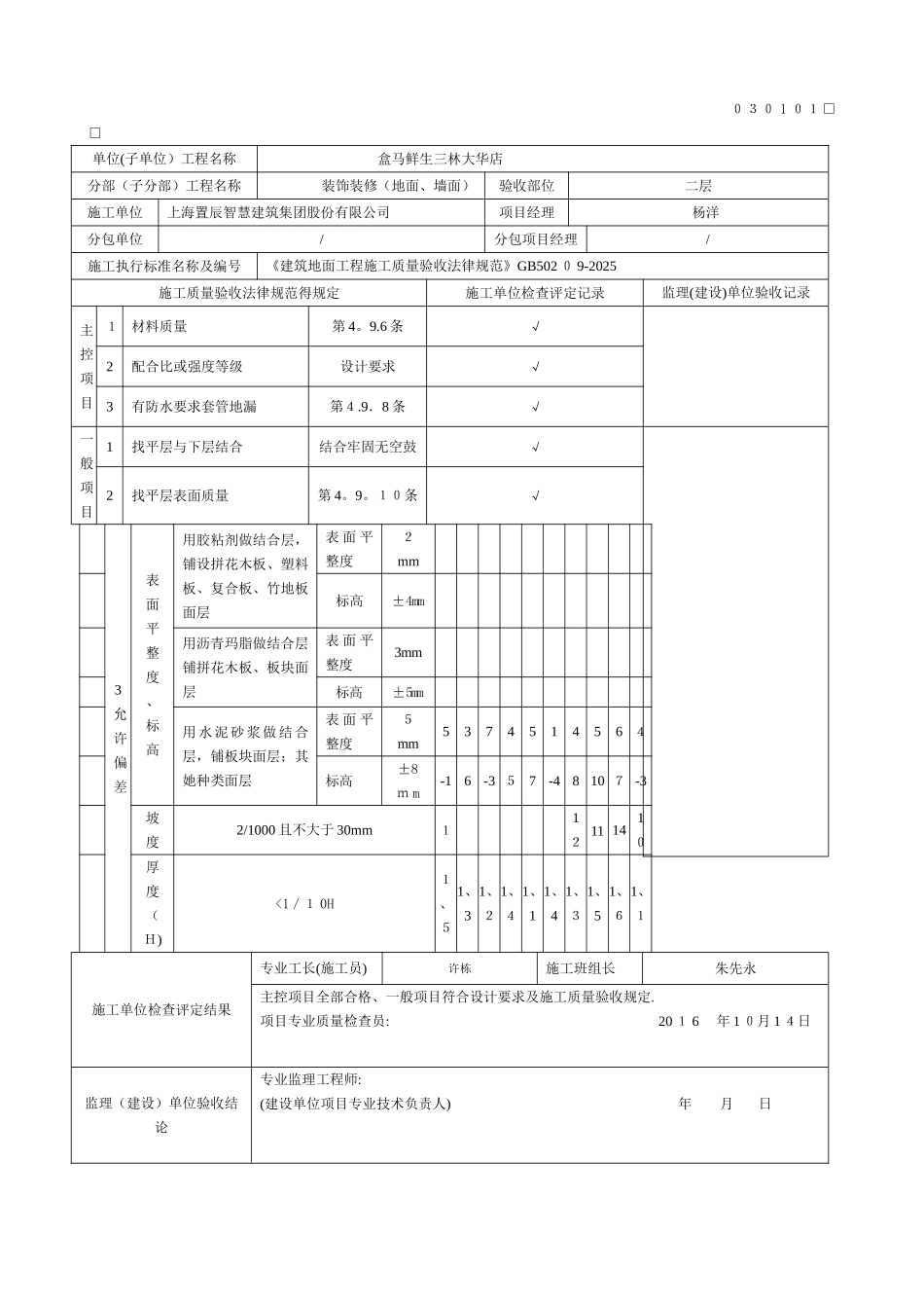
地面找平层工程报验申请表工程名称:盒马鲜生三林大华店 编号: 02 致:上海浦东新区建设监理有限公司(监理单位)我单位已完成了 二层楼地面找平 工程报验申请表,请予以审查与验收。附件:1、找平层工程检验批质量验收记录 2、隐蔽工程验收记录 承包单位(章):上海置辰智慧建筑集团股份有限公司 项目经理: 杨洋 日期: 2025 、 10 、 14 审查意见:项目监理机构(章)总/专业监理工程师日期找平层工程检验批质量验收记录(Ⅷ) 030 1 01□□单位(子单位)工程名称盒马鲜生三林大华店分部(子分部)工程名称装饰装修(地面、墙面)验收部位二层施工单位上海置辰智慧建筑集团股份有限公司项目经理 杨洋分包单位/分包项目经理/施工执行标准名称及编号《建筑地面工程施工质量验收法律规范》GB502 0 9-2025施工质量验收法律规范得规定施工单位检查评定记录监理(建设)单位验收记录主控项目1材料质量第 4。9.6 条√2配合比或强度等级设计要求√3有防水要求套管地漏第4.9.8 条√一般项目1找平层与下层结合结合牢固无空鼓√2找平层表面质量第 4。9。10条√3允许偏差表面平整度、标高用胶粘剂做结合层,铺设拼花木板、塑料板、复合板、竹地板面层表 面 平整度2mm标高±4mm用沥青玛脂做结合层铺拼花木板、板块面层表 面 平整度3mm标高±5mm用水泥砂浆做结合层,铺板块面层;其她种类面层表 面 平整度5mm537451456 4标高±8m m-16-3 5 7-4810 7 -3坡度2/1000 且不大于 30mm11211 1410厚度(H)<1/1 0H1、51、31、21、41、11、41、31、51、61、1施工单位检查评定结果专业工长(施工员)许栋施工班组长朱先永主控项目全部合格、一般项目符合设计要求及施工质量验收规定.项目专业质量检查员: 20 1 6 年 1 0月 1 4日监理(建设)单位验收结论专业监理工程师:(建设单位项目专业技术负责人) 年 月 日隐 蔽 工 程 验 收 记 录质控(建)表 4.1。5、3 共 1 页 第 1 页工程名称盒马鲜生三林大华店施工单位上海置辰智慧建筑集团股份有限公司分部(子分部) 工 程 名 称 装饰装修(地面、墙面)分项工程名 称二层隐蔽项目二层楼地面隐蔽日期20 1 6 年 10 月 14 日隐蔽内容1、 各构造层所用得材料、厚度、作法;2、 地面下得沟槽、暗管;3、 地漏与地面得密封处理;4、 排水坡度;施工单位检查情况1、 各构造层所用得材料、厚度、作法等符合设计要求及有关国家...

1、当您付费下载文档后,您只拥有了使用权限,并不意味着购买了版权,文档只能用于自身使用,不得用于其他商业用途(如 [转卖]进行直接盈利或[编辑后售卖]进行间接盈利)。
2、本站所有内容均由合作方或网友上传,本站不对文档的完整性、权威性及其观点立场正确性做任何保证或承诺!文档内容仅供研究参考,付费前请自行鉴别。
3、如文档内容存在违规,或者侵犯商业秘密、侵犯著作权等,请点击“违规举报”。

碎片内容

地面找平层工程检验批质量验收记录

确认删除?
VIP
微信客服
  • 扫码咨询
会员Q群
  • 会员专属群点击这里加入QQ群
客服邮箱
回到顶部