电脑桌面
添加小米粒文库到电脑桌面
安装后可以在桌面快捷访问

外墙保温隐蔽工程验收记录

外墙保温隐蔽工程验收记录_第1页
1/3
外墙保温隐蔽工程验收记录_第2页
2/3
外墙保温隐蔽工程验收记录_第3页
3/3
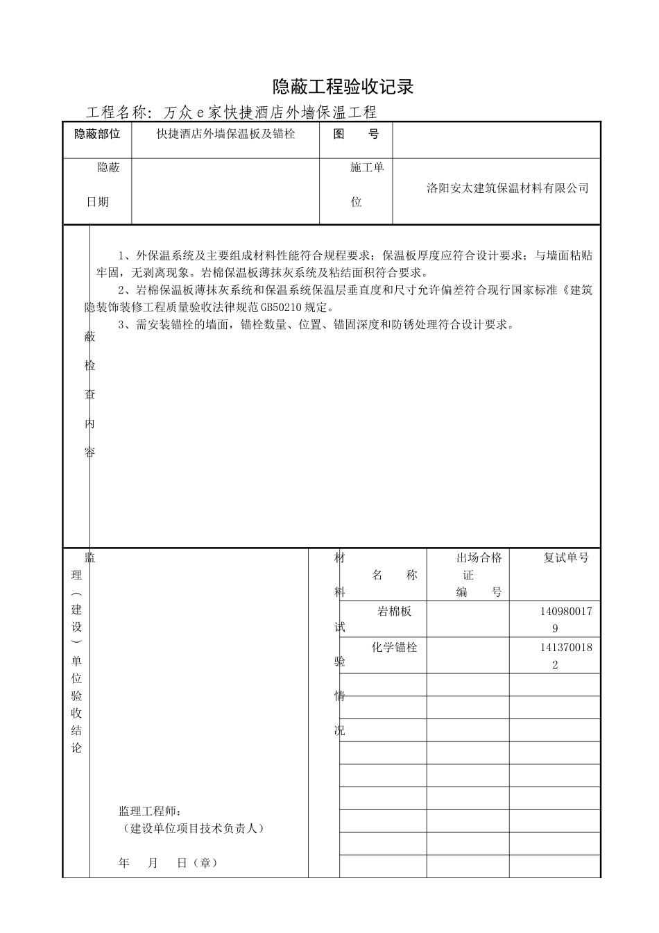
隐蔽工程验收记录 工程名称:万众 e 家快捷酒店外墙保温工程隐蔽部位快捷酒店外墙保温板及锚栓图 号隐蔽日期施工单位洛阳安太建筑保温材料有限公司隐蔽检查内容1、外保温系统及主要组成材料性能符合规程要求;保温板厚度应符合设计要求;与墙面粘贴牢固,无剥离现象。岩棉保温板薄抹灰系统及粘结面积符合要求。2、岩棉保温板薄抹灰系统和保温系统保温层垂直度和尺寸允许偏差符合现行国家标准《建筑装饰装修工程质量验收法律规范 GB50210 规定。3、需安装锚栓的墙面,锚栓数量、位置、锚固深度和防锈处理符合设计要求。监理︵建设︶单位验收结论监理工程师:(建设单位项目技术负责人)年 月 日(章)材料试验情况名 称出场合格证编 号复试单号岩棉板1409800179化学锚栓1413700182施工单位项目技术负责人: 质量检查员: 施工员:隐蔽工程验收记录 工程名称:万众 e 家快捷酒店外墙保温工程隐蔽部位快捷酒店外墙薄抹灰及网格布图 号隐蔽日期施工单位洛阳安太建筑保温材料有限公司隐蔽检查内容1、薄抹灰分项工程施工质量应符合现行国家标准《建筑装饰装修工程质量验收法律规范》GB50210 规定。2、系统抗冲击性应符合法律规范要求。3、耐碱网格布铺压严实,无空鼓、褶皱、翘曲、外露等现象,搭接宽度大于 100mm,加强部位耐碱网布做法符合设计要求。4、抹面胶浆与保温板粘结牢固,无脱层和空鼓现象;无爆灰和裂缝等缺陷。监理︵建设︶单位验收结论材料试验情况名 称出场合格证编 号复试单号玻纤网1409400261抹面砂浆1409300289胶粘剂1410100303监理工程师:(建设单位项目技术负责人)年 月 日(章)施工单位项目技术负责人: 质量检查员: 施工员:

1、当您付费下载文档后,您只拥有了使用权限,并不意味着购买了版权,文档只能用于自身使用,不得用于其他商业用途(如 [转卖]进行直接盈利或[编辑后售卖]进行间接盈利)。
2、本站所有内容均由合作方或网友上传,本站不对文档的完整性、权威性及其观点立场正确性做任何保证或承诺!文档内容仅供研究参考,付费前请自行鉴别。
3、如文档内容存在违规,或者侵犯商业秘密、侵犯著作权等,请点击“违规举报”。

碎片内容

外墙保温隐蔽工程验收记录

您可能关注的文档

确认删除?
VIP
微信客服
  • 扫码咨询
会员Q群
  • 会员专属群点击这里加入QQ群
客服邮箱
回到顶部