电脑桌面
添加小米粒文库到电脑桌面
安装后可以在桌面快捷访问

大沥镇谢边涌景观工程监理月报

大沥镇谢边涌景观工程监理月报_第1页
1/15
大沥镇谢边涌景观工程监理月报_第2页
2/15
大沥镇谢边涌景观工程监理月报_第3页
3/15
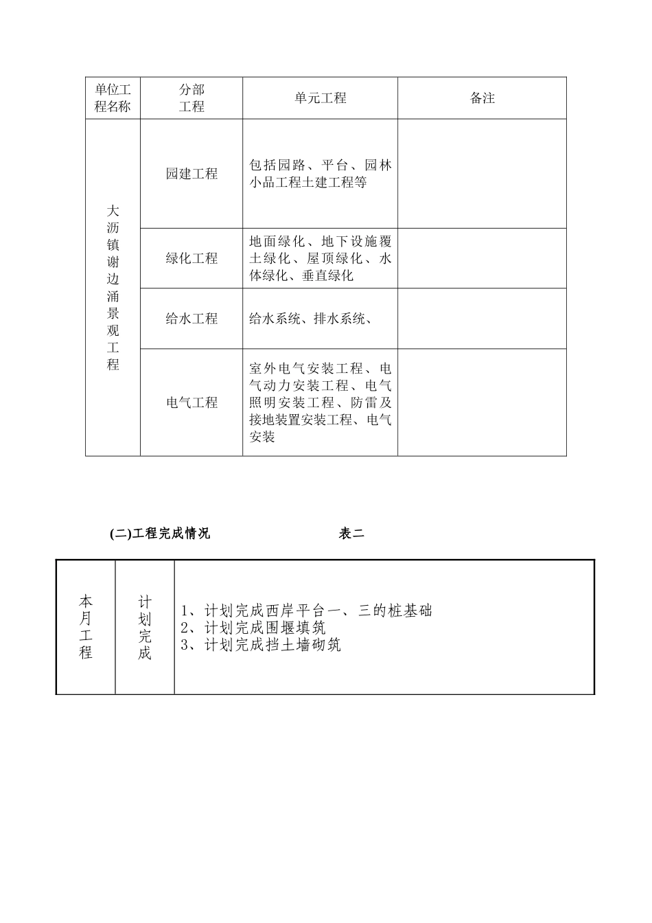
目 录内容提要:一、工程概况二工程完成情况1、本月工程形象进度完成情况及质量控制情况2、本月工程签证情况3、本月工程合同执行情况4、本月完成主要工程量一览表5、项目监理组织机构6、本月监理工作小结和计划附件:1、投入的监理设备清单和现场监理人员台帐 2、承包人主要机械设备台帐 3、承包人现场主要人员台帐4、施工单位现场劳动力投入情况 5、材料质量情况台帐 6、晴雨表 7、工程大事记8、工程施工照片(一)、工程概况: 工程项目名称:大沥镇谢边涌景观工程;主要分为绿化工程、园建工程、绿化给水工程、电气工程等,工程基本情况见下表 1。表 1 工程基本情况表工程名称大沥镇谢边涌景观工程工程地点谢边涌桩号 0+985 至 3 十 060,全长 750m建设单位佛山市南海区大沥镇水利工程建设指挥部勘察单位佛山市市政设计讨论院有限公司设计单位佛山市市政设计讨论院有限公司总承包单位湖南省水利水电工程总公司监理单位广东河海工程咨询有限公司开工日期2010-11-1竣工日期2011-5-1工期天数180 天质量目标合格合同价款992.65 万元承包方式施工总承包工程项目一览表单位工程名称分部工程单元工程备注大沥镇谢边涌景观工程园建工程包括园路、平台、园林小品工程土建工程等绿化工程地面绿化、地下设施覆土绿化、屋顶绿化、水体绿化、垂直绿化给水工程给水系统、排水系统、电气工程室外电气安装工程、电气动力安装工程、电气照明安装工程、防雷及接地装置安装工程、电气安装(二)工程完成情况 表二 本月工程计划完成1、计划完成西岸平台一、三的桩基础2、计划完成围堰填筑3、计划完成挡土墙砌筑形象进度完成情况及质量控制情况实际完成1、完成西岸平台三的桩基础2、完成围堰填筑 50%原因分析1、由于亚运期间交通管制,原材料供应不及时,影响工程进度,但是通过 12 月份的赶工,不会影响总工期。质量控制情况1、事前控制:进场钢筋根据要求进行了复检,质量合格,商品混凝土试块根据要求制作,开工前承包人编制了施工方案经监理审核后实施,钻孔桩施工前进行了试桩。2、隐蔽工程已根据要求进行了验收,钻孔桩施工时监理进行了旁站,桩深、桩径均满足图纸设计要求 本月工程签证情况纪要报告请示例会专题(1 份)内容简要会议纪要-(2025)01 施工场地第一次例会及图纸会审工程质量签证(8 份)内容简要混凝土开仓证 8 份向施工单位发出的通知指令(1份)内容简要1、开工令施工设计业主提出的各种报告(2份)内容简要1、施...

1、当您付费下载文档后,您只拥有了使用权限,并不意味着购买了版权,文档只能用于自身使用,不得用于其他商业用途(如 [转卖]进行直接盈利或[编辑后售卖]进行间接盈利)。
2、本站所有内容均由合作方或网友上传,本站不对文档的完整性、权威性及其观点立场正确性做任何保证或承诺!文档内容仅供研究参考,付费前请自行鉴别。
3、如文档内容存在违规,或者侵犯商业秘密、侵犯著作权等,请点击“违规举报”。

碎片内容

大沥镇谢边涌景观工程监理月报

范哲铺+ 关注
实名认证
内容提供者

想你所想,急你所急,你需要的都在店铺里可以找到。

确认删除?
VIP
微信客服
  • 扫码咨询
会员Q群
  • 会员专属群点击这里加入QQ群
客服邮箱
回到顶部