电脑桌面
添加小米粒文库到电脑桌面
安装后可以在桌面快捷访问

安全质量重点工序控制表

安全质量重点工序控制表_第1页
1/11
安全质量重点工序控制表_第2页
2/11
安全质量重点工序控制表_第3页
3/11
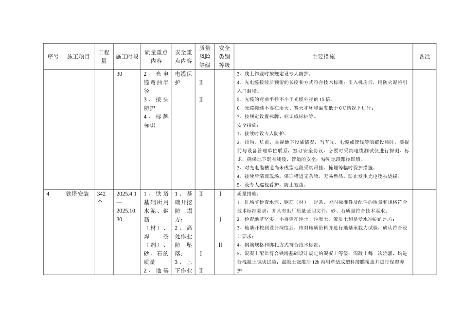
哈大客专四电工程安全质量控制表专业名称:通信 系统名称: 施工单位:通号集团哈大客专四电集成项目部 编制日期:2025-3-8序号施工项目工程量施工时段质量重点内容安全重点内容质量风险等级安全类别等级主要措施备注1光电缆单盘测试2884公里2025.5.1—2025.11.301 、 光 电缆外观、包装2 、 光 电缆型号、规格3 、 各 项电气指标1 、 滚动移动缆盘时防砸伤、挤伤2 、 防触电ⅡⅠⅠⅠⅠ质量措施:1、操作人员培训,精密仪器操作持证上岗;2、检查外包装并详细记录;3、确保光电缆型号、规格、数量和质量符合技术标准规定;4、确保各项电气性能符合技术标准规定。安全措施:1、光电缆盘吊装司机持特种作业证。吊车状态良好。2、移动缆盘时,必须顺盘绕(箭头方向)滚动。移动距离较长时使用运输工具。3、移动缆盘时,确保缆盘与人、其它物体之间的安全距离;4、仪器仪表电源稳定可靠,插头插座完整质量合格,插拔电源符合程序;5、设专人巡视看护,防止被盗。2光电缆敷设2884公里2025.5.1—2025.11.301 、 光 电缆外观、指标2 、 光 电缆埋深3 、 弯 曲半径4 、 光 电缆防护1 、 光电缆运输2 、 地下设施保护3 、 人身安全4 、 光ⅡⅡⅢⅡⅡⅡⅠⅡ质量措施:1、施工前,对径路复测,对槽道进行检查;2、对接续人员培训,持证上岗;3、光电缆到达现场前进行检查,确保其型号、规格、数量和质量符合技术标准规定;4、敷设前进行单盘检测,确保性能符合技术标准规定;5、直埋光电缆前,项目部安全质量工程师组织施工人员按施工验收标准规定进行检查评定,合格后,及时报请监理工程师验收,验收完毕及时埋设。按规定防护。按规定设置标桩。序号施工项目工程量施工时段质量重点内容安全重点内容质量风险等级安全类别等级主要措施备注5 、 光 电缆线路防雷与接地电缆保护Ⅰ6、在槽道内敷设光电缆前,应对槽道清理,保证干净;光电缆槽道遇接触网杆基础障碍处,光电缆穿越时应加垫软物进行防护处理;穿越钢管时,钢管口应加装喇叭口,防止外护套破损。7、光电缆预留的位置、长度和方式符合技术标准;引入机房后,用防火泥将引入口封堵。8、光缆的弯曲半径不小于光缆外径的 15 倍。9、项目部安全质量工程师检查弯曲半径;10、项目部安全质量工程师检查光电缆线路防雷、接地的设置地点、区段、数量、方式和防护措施符合设计要求;检查光电缆外护层不得有破损,接头处密封良好。安全措施:1、设专人指挥。光电缆盘吊...

1、当您付费下载文档后,您只拥有了使用权限,并不意味着购买了版权,文档只能用于自身使用,不得用于其他商业用途(如 [转卖]进行直接盈利或[编辑后售卖]进行间接盈利)。
2、本站所有内容均由合作方或网友上传,本站不对文档的完整性、权威性及其观点立场正确性做任何保证或承诺!文档内容仅供研究参考,付费前请自行鉴别。
3、如文档内容存在违规,或者侵犯商业秘密、侵犯著作权等,请点击“违规举报”。

碎片内容

安全质量重点工序控制表

确认删除?
VIP
微信客服
  • 扫码咨询
会员Q群
  • 会员专属群点击这里加入QQ群
客服邮箱
回到顶部