电脑桌面
添加小米粒文库到电脑桌面
安装后可以在桌面快捷访问

工程实施旁站监理

工程实施旁站监理_第1页
1/5
工程实施旁站监理_第2页
2/5
工程实施旁站监理_第3页
3/5
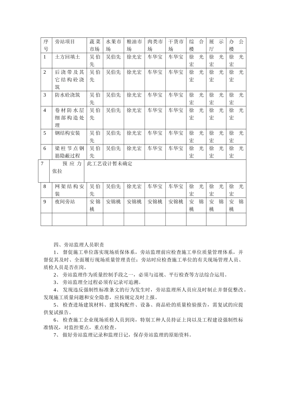
一、本工程实施旁站监理监理的范围根据《房屋建筑工程施工旁站监理管理方法》及《建设工程监理法律规范》的要求,对下列关键部位、关键工序实施旁站监理。 1、 涉及结构安全的重点施工部位和隐蔽工程(基础、主体结构)。2、 影响工程质量的特别过程和关键工序。3、 新工艺、新技术、新材料、新设备的试验、首间样板以及重要施工过程。4、 施工过程中出现的严重质量问题及质量事故处理过程。二、旁站监理内容1、土方回填土 检查填方土料有无含生活垃圾、树根等杂物,并检查排水措施是否有效,对每层填筑厚度,含水率,压实程度随机检查。2、后浇带及其它结构砼浇筑 主要对砼的运输、浇筑及间歇时间进行检查。入模前模板、钢筋的清理工作,老砼浮浆凿除、接浆情况,砼配合比、浇筑情况,紧面情况,塌落度抽查,试块留设,砼保养情况。3、防水砼浇筑砼配合比,振捣情况,紧面情况,钢筋的成品保护情况,塌落度抽查,试块留设情况,不得对砼加水。4、卷材防水层细部构造处理对防水细部做法进行跟踪观察,控制防水材料粘结搭接宽度。5、钢结构安装 垂直引投点设置,逐层引投情况,轴线间误差,轴线闭合情况,标高引投位置,标高引投误差值。 6、梁柱节点钢筋隐蔽过程对节点处钢筋的加工、放料、连接、箍筋加密情况进行跟踪检查,以保证节点处受力筋位置准确、连接牢固。合模前,对梁柱节点钢筋进行检查验收,主要检查钢筋的品种、规格、数量、位置、间距等是否符合要求,保护层垫块。7、预应力张拉对现场张拉设备进行检查,主要是设备配套使用情况和张拉标定期限,对初张、持荷、放张进行监督和记录。8、网架结构安装 对支撑面顶板和支座锚栓位置、垫块的种类、规格、尺寸偏差进行跟踪检查。三、旁站监理程序旁站监理的方案确定后,抄送建设单位和施工单位。施工单位根据旁站监理,在需要实施旁站监理的关键部位、关键工序进行。施工前 24 小时,书面通知项目监理部。项目监理部安排监理人员根据旁站监理方案实施旁站监理。监理人员在实施旁站监理所的过程中,应及时填写旁站监理记录表,对所发问题,应及时向施工单位提出,责令立即改正,及时汇报。具体安排为:1、 现场配备的监理人员。序号旁站项目蔬 菜市场水果市场粮油市场肉类市场干货市场综合楼展示厅办公楼1土方回填土吴 伯先吴伯先徐光宏车华宝车华宝徐光宏徐光宏徐光宏2后 浇 带 及 其它 结 构 砼 浇筑吴 伯先吴伯先徐光宏车华宝车华宝徐光宏徐光宏徐光宏3防水砼浇...

1、当您付费下载文档后,您只拥有了使用权限,并不意味着购买了版权,文档只能用于自身使用,不得用于其他商业用途(如 [转卖]进行直接盈利或[编辑后售卖]进行间接盈利)。
2、本站所有内容均由合作方或网友上传,本站不对文档的完整性、权威性及其观点立场正确性做任何保证或承诺!文档内容仅供研究参考,付费前请自行鉴别。
3、如文档内容存在违规,或者侵犯商业秘密、侵犯著作权等,请点击“违规举报”。

碎片内容

工程实施旁站监理

您可能关注的文档

确认删除?
VIP
微信客服
  • 扫码咨询
会员Q群
  • 会员专属群点击这里加入QQ群
客服邮箱
回到顶部