电脑桌面
添加小米粒文库到电脑桌面
安装后可以在桌面快捷访问

建筑智能化弱电工程施工周报范本-

建筑智能化弱电工程施工周报范本-_第1页
1/8
建筑智能化弱电工程施工周报范本-_第2页
2/8
建筑智能化弱电工程施工周报范本-_第3页
3/8
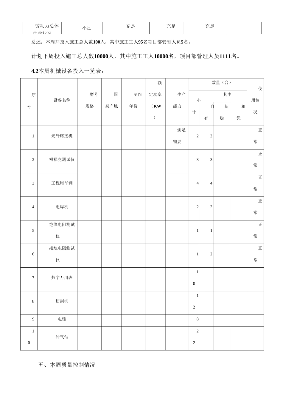
项目周报总期第 三 期2025年2月10日- 2025年2月14日一、项目概述项目名称XXX 项目项目合同编号2025项目经理XXX所属部门XXX 部二、项目总体进展进展情况简要说明项目进度 □ 计划内延迟不足 2 周□ □ 提前延迟 2 周以上项目范围 □ □ 计划内扩大缩小预算投入 □ □计划内增加减少三、客户意见编号提出人/角色客户意见四、施工劳动力及机械设备投入情况4.1 本周劳动力投入一览表:工种/班组装修(木)工焊工水电工杂(小)工暖通工固定工人数1111111111新进班组无数据中心水电班组无劳动力总体供求状况不足 充足充足充足总述:本周共投入施工总人数100人,其中施工工人95名项目部管理人员5名。计划下周投入施工总人数10000人,其中施工工人10000名,项目部管理人员1111名。4.2本周机械设备投入一览表:序号设备名称型号规格国别产地制作年份额定功率(KW)生产能力数量(台)使用情况小计其中自有新购租凭1光纤熔接机满足需要22正常2福禄克测试仪33正常3工程用车辆44正常4电焊机22正常5绝缘电阻测试仪11正常6接地电阻测试仪12正常7数字万用表108切割机129电锤810冲气钻22五、本周质量控制情况分部工程质量问题监理通知单(份)业主通知单(份)内部整改罚款单发生整改完成已收到已整改已回复已收到已整改已回复数据中心0 项1项111会议系统安防系统1项111巡更系统一卡通综合布线网络系统大屏总计7 项7项444111本周质量工作分析及改进措施:无六、材料/设备到场情况序号材料名称数量自检记录报审情况到货照片1摄像机10000已自检,各类证件齐全,可进场使用已报审监理有2交换机1000台3X86服务器4道闸5门禁控制器6存储7光缆8卡博菲桥架9冷却塔七、本周施工进度情况7.1 本周施工进度情况及偏差分析7.1.1本周共完成工作内容如下:1. 数据中心暖通系统完成80%2. 2号楼综合布线系统管线敷设1000000000米目前安防系统室外管线敷设施工滞后,进度滞后大约2天左右。7.1.2 进度滞后原因:1、穿线设备未能及时进场。2、室外路由未提前排查,造成施工时路由不通,要求第三方增加管道。八、下周进度控制目标及措施8.1 进度控制目标施工内容计划工程量桥架敷设5252m3摄像机安装160个静电地板敷设全部塔设完8.2 改进措施:8.2.1 请业主尽快与设计联系,提供基础施工图纸。8.2.2 测量放线时,整个轴线向锅炉岛方向平移140mm , 请业主与设计联系确认。九、本周财务控制情况9.1项目收付款情况一览表序号合同内容合同金额(元)...

1、当您付费下载文档后,您只拥有了使用权限,并不意味着购买了版权,文档只能用于自身使用,不得用于其他商业用途(如 [转卖]进行直接盈利或[编辑后售卖]进行间接盈利)。
2、本站所有内容均由合作方或网友上传,本站不对文档的完整性、权威性及其观点立场正确性做任何保证或承诺!文档内容仅供研究参考,付费前请自行鉴别。
3、如文档内容存在违规,或者侵犯商业秘密、侵犯著作权等,请点击“违规举报”。

碎片内容

建筑智能化弱电工程施工周报范本-

您可能关注的文档

确认删除?
VIP
微信客服
  • 扫码咨询
会员Q群
  • 会员专属群点击这里加入QQ群
客服邮箱
回到顶部