电脑桌面
添加小米粒文库到电脑桌面
安装后可以在桌面快捷访问

建筑智能化弱电系统验收表格

建筑智能化弱电系统验收表格_第1页
1/306
建筑智能化弱电系统验收表格_第2页
2/306
建筑智能化弱电系统验收表格_第3页
3/306
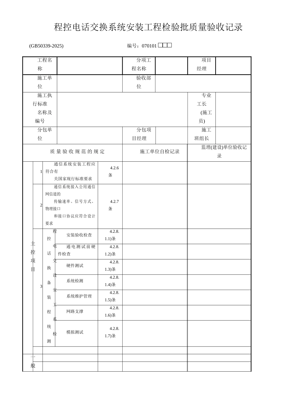
第一篇智能建筑施工质量验收法律规范检验批检查用表智能建筑分部、子分部及分项工程划分序号子分部工程分 项 工 程1通信网络系统程控电话交换系统,会议电视系统,接入网设备,卫星数字电视系统,有线电视系统,公共广播与紧急广播系统2信息网络系统计算机网络系统,应用软件系统,网络安全系统3建筑设备监控系统空调与通风系统,变配电系统,公共照明系统,给排水系统,热源和热交换系统,冷冻和冷却水系统,电梯和自动扶梯系统,数据通信接口,中央管理工作站及操作分站,系统实时性、可维护性、可靠性,现场设备安装及检测4火灾自动报警及消防联动系统火灾自动报警及消防联动系统5安全防范系统综合防范功能,视频安防监控系统,入侵报警系统,出入口控制系统,巡更管理系统,停车场管理系统,安全防范综合管理系统6综合布线系统综合布线系统安装,综合布线系统性能检测7智能化系统集成系统集成网络连接,系统数据集成,系统集成协调,系统集成综合管理及冗余功能,系统集成可维护性和安全性8电源与接地电源系统,防雷与接地系统9 环境空间环境,室内空调环境,视觉照明环境,室内噪声及室内电磁环境10住宅(小区)智能化系统火灾自动报警及消防联动系统,安全防范系统,监控与管理系统,家庭控制器,室外设备及管网程控电话交换系统安装工程检验批质量验收记录(GB50339-2025) 编号:070101 □□□工程名称分项工程名称项目经理施工单位验收部位施工执行标准名称及编号专业工长(施工员)分包单位分包项目经理施工班组长 质 量 验 收 规 范 的 规 定施工单位自检记录监理(建设)单位验收记录主控项目1通信系统安装工程应符合有关国家现行标准要求4.2.6条2通信系统接入公用通信网信道的传输速率、信号方式、物理接口和接口协议应符合设计要求4.2.7条3程控电话交换设备安装工程系统检测安装验收检查4.2.8.1.1)条通 电 测 试 前 硬件检查4.2.8.1.2)条硬件测试4.2.8.1.3)条系统检测4.2.8.1.4)条系统维护管理4.2.8.1.5)条网路支撑4.2.8.1.6)条模拟测试4.2.8.1.7)条一般项目 施 工 操 作 依 据 质 量 检 查 记 录施工单位检查 结 果 评 定 项目专业项目专业质量检查员(签名) :技术负责人(签名) : 年月日监理(建设)单位验收结论专业监理工程师(签名):(建设单位项目专业技术负责人签名) 年月日注:本表由施工项目专业质量检查员填写;专业监理工程师(建设单位项目专业技术负责人)组织项目专业质量(技术)负...

1、当您付费下载文档后,您只拥有了使用权限,并不意味着购买了版权,文档只能用于自身使用,不得用于其他商业用途(如 [转卖]进行直接盈利或[编辑后售卖]进行间接盈利)。
2、本站所有内容均由合作方或网友上传,本站不对文档的完整性、权威性及其观点立场正确性做任何保证或承诺!文档内容仅供研究参考,付费前请自行鉴别。
3、如文档内容存在违规,或者侵犯商业秘密、侵犯著作权等,请点击“违规举报”。

碎片内容

建筑智能化弱电系统验收表格

确认删除?
VIP
微信客服
  • 扫码咨询
会员Q群
  • 会员专属群点击这里加入QQ群
客服邮箱
回到顶部