电脑桌面
添加小米粒文库到电脑桌面
安装后可以在桌面快捷访问

悬浇连续梁线型控制

悬浇连续梁线型控制_第1页
1/11
悬浇连续梁线型控制_第2页
2/11
悬浇连续梁线型控制_第3页
3/11
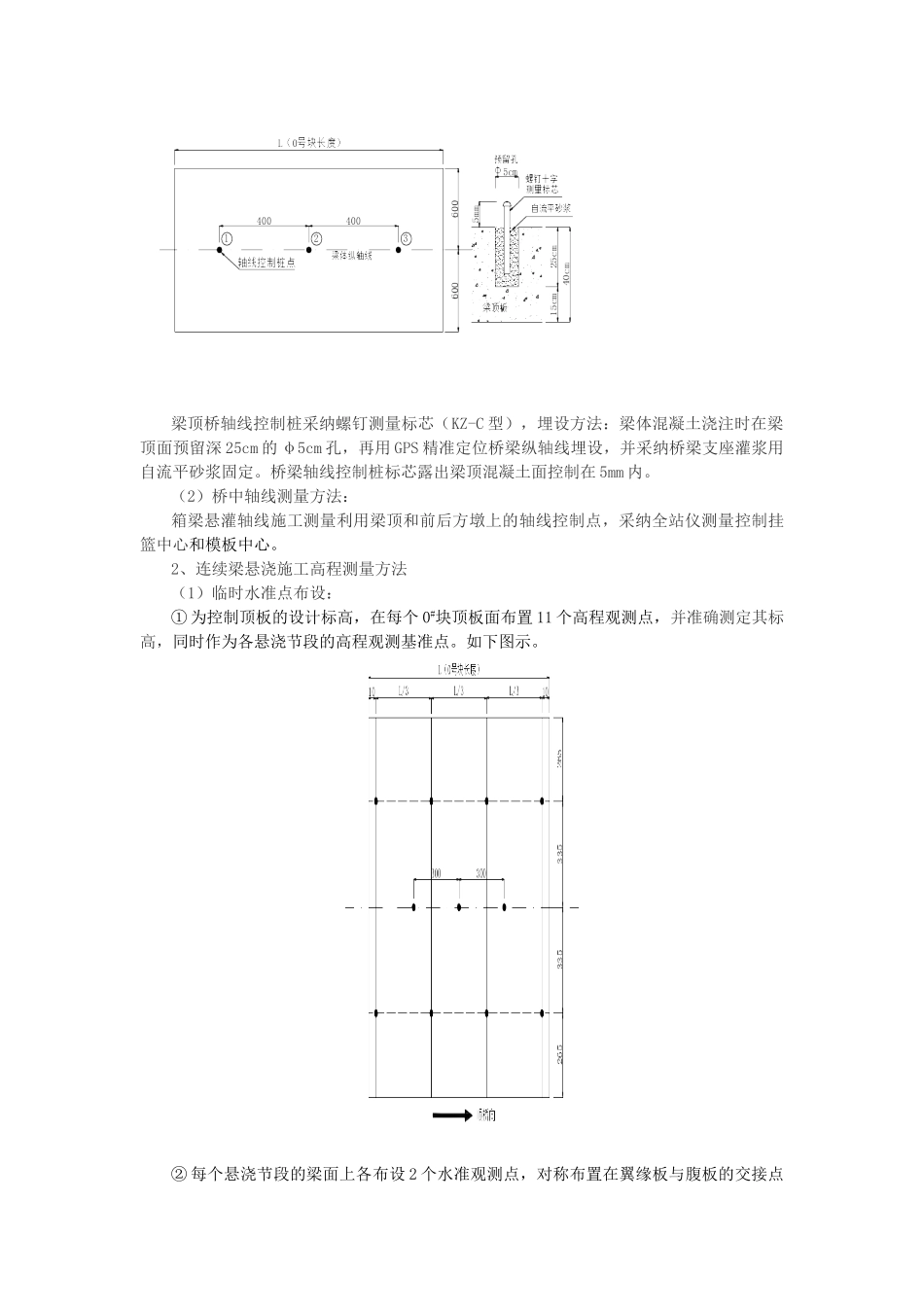
连续梁悬浇施工线型控制方案一、连续梁悬浇线型控制目的、原理、因素、程序1、线型控制目的连续梁悬浇线型控制即在预应力混凝土连续刚构悬臂法施工阶段,对桥跨结构所发生的几何变形运用控制软件,逐段跟踪控制和调整,使其达到设计的理想状态。2、线型控制原理线型控制的基本原理是:根据计算提供梁体各截面的最终挠度变化值(即竖向变形) ,设置施工预拱度,据此调整每节梁段模板安装时的前缘标高。3、线型控制主要因素悬臂梁施工线型控制的关键是要分析每一施工阶段、每一施工步骤的结构挠度变化状态,确定逐步完成的挠度曲线。影响挠度的因素根据施工过程主要有以下几种:① 梁段砼自重;② 节段砼浇注时的温度;③ 砼参加受力的龄期;④ 砼弹性模量;⑤ 砼徐变、收缩系数;⑥ 施工量测时桥上温度;⑦ 挂篮及施工临时机具、人员、压重等重力;⑧ 预应力(管道摩阻)等。4、线型控制程序线型控制程序如下:(1)倒退分析根据设计的成桥状态,根据与施工次序相反的方向进行倒拆分析,以初步计算出各梁段的立模标高。(2)前进分析根据实际施工情况和工期(如移动挂篮、浇注砼、张拉预应力、体系转换等)划分时段,采纳有限元步进法结合随时间调整的有效模量法对预应力连续梁从开始施工到成桥这一整个施工过程进行跟踪分析,在分析过程中考虑施工荷载、现浇梁段自重、预应力张拉预应力损失、体系转换、基础沉降、收缩徐变和温度等的影响。(3)误差分析和参数识别对实际量测的标高和前进分析计算的结果进行分析和比较,分析实测和计算结果之间误差的原因,并进行参数识别和调整。(4)在现场应用计算机程序进行跟踪控制,实际上是对每一节段的施工过程进行“预报→施工→量测→分析比较→调整→再预报”的过程,其中:① 预报:将施工中实际的结构状态信息如量测的标高、温度、湿度的变化,实际施工的周期以及设计参数的实测值和调整值输入计算机,对下一梁段的立模标高进行预报并对结构的强度进行全面检算。② 施工:根据预报结果进行施工中的标高预调。③ 量测:即施工过程中对各道工序施工后的实际测量,对每一施工工况(如挂篮移动前后、砼浇注前后、预应力张拉前后等)进行跟踪观测,在必要时进行全桥联测。为了分析温度对梁体变形的影响,在进行标高观测的同时,测试箱梁顶、底板和腹板内外侧的温度。在实际调整挂篮时,为避开温差对梁体变形的影响,尽量选在早晨 9 点钟以前进行。④ 分析和比较:对实测和预报的结果进行分析...

1、当您付费下载文档后,您只拥有了使用权限,并不意味着购买了版权,文档只能用于自身使用,不得用于其他商业用途(如 [转卖]进行直接盈利或[编辑后售卖]进行间接盈利)。
2、本站所有内容均由合作方或网友上传,本站不对文档的完整性、权威性及其观点立场正确性做任何保证或承诺!文档内容仅供研究参考,付费前请自行鉴别。
3、如文档内容存在违规,或者侵犯商业秘密、侵犯著作权等,请点击“违规举报”。

碎片内容

悬浇连续梁线型控制

确认删除?
VIP
微信客服
  • 扫码咨询
会员Q群
  • 会员专属群点击这里加入QQ群
客服邮箱
回到顶部