电脑桌面
添加小米粒文库到电脑桌面
安装后可以在桌面快捷访问

技术交底记录(混凝土雨水方涵土石硝回填)

技术交底记录(混凝土雨水方涵土石硝回填)_第1页
1/1
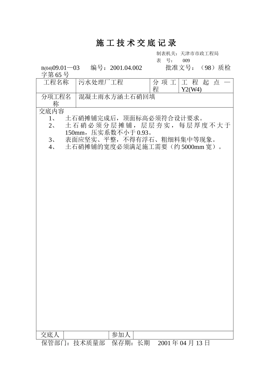
施 工 技 术 交 底 记 录制表机关:天津市市政工程局表 号: 009B(04)09.01—03 编号:2001.04.002 批准文号:(98)质检字第 65 号工程名称污水处理厂工程分 项 工程工 程 起 点 —Y2(W4)分项工程名称混凝土雨水方涵土石硝回填交底内容1、土石硝摊铺完成后,顶面标高必须符合设计要求。2、土 石 硝 必 须 分 层 摊 铺 , 层 层 夯 实 , 每 层 厚 度 不 大 于150mm,压实系数不小于 0.93。3、表面应坚实、平整,不得有浮石、粗细料集中等现象。4、土石硝摊铺的宽度必须满足施工需要(约 5000mm 宽)。交底人参加人保管部门:技术质量部 保存期:长期 2001 年 04 月 13 日

1、当您付费下载文档后,您只拥有了使用权限,并不意味着购买了版权,文档只能用于自身使用,不得用于其他商业用途(如 [转卖]进行直接盈利或[编辑后售卖]进行间接盈利)。
2、本站所有内容均由合作方或网友上传,本站不对文档的完整性、权威性及其观点立场正确性做任何保证或承诺!文档内容仅供研究参考,付费前请自行鉴别。
3、如文档内容存在违规,或者侵犯商业秘密、侵犯著作权等,请点击“违规举报”。

碎片内容

技术交底记录(混凝土雨水方涵土石硝回填)

人从众+ 关注
实名认证
内容提供者

欢迎光临小店,本店以公文和教育为主,希望符合您的需求。

确认删除?
VIP
微信客服
  • 扫码咨询
会员Q群
  • 会员专属群点击这里加入QQ群
客服邮箱
回到顶部