电脑桌面
添加小米粒文库到电脑桌面
安装后可以在桌面快捷访问

数控技术应用专业青年教师进企业实践总结.

数控技术应用专业青年教师进企业实践总结._第1页
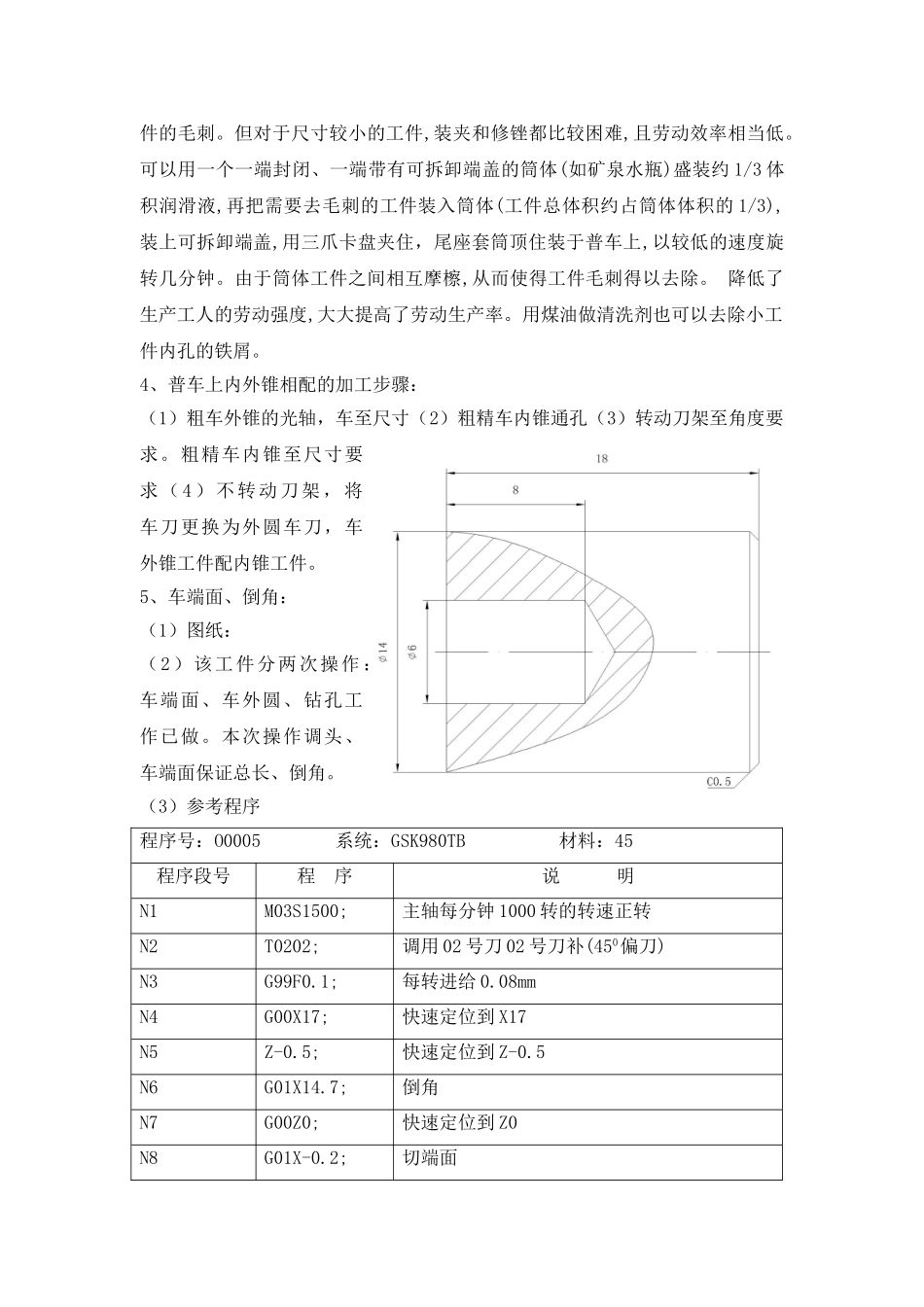
1/10
数控技术应用专业青年教师进企业实践总结._第2页
2/10
数控技术应用专业青年教师进企业实践总结._第3页
3/10
(数控技术应用专业)青年老师企业实践总结为响应职业学校青年老师企业实践培训号召,于 2025 年 6 月 27-12 月 27日参加 XXX 公司组织的数控专业学习。通过企业实践、学员间的沟通、网上自学,学到专业内相关生产领域中应用的新知识、新技术、新工艺、新方法。掌握主要岗位的操作技能,并结合企业实践探究改进实践教学的方法和途径。了解产业进展动态、企业生产组织方式、工艺流程等基本情况。熟悉企业相关岗位(工种)职责、操作法律规范、用人标准、管理制度及企业文化等内容。现将学习情况总结如下:一、实践操作技能方面:1、为提高车削工作效率,刃磨车刀时充分考虑刀具各刃的综合应用,车刀安装在刀架上,在不转动或少转动刀架的情况下完成尽量多的工作。( 1 ) 如 下图 , 工 件 需钻 孔 、 孔 口倒 角 。 一 般情 况 下 需 要钻 头 、 外 圆车 刀 、 孔 口倒 角 用 车 刀 、450偏刀(或将外圆车刀偏转车端面)(2)如下图:工件需要车外圆、车端面、切槽、倒角、倒圆将车刀前面刃磨成下图,不转动刀架的情况下一次完成所有操作。AD 刃车外圆,AB 刃起修光作用。AB 刃切端面接近中心时 DE 刃倒圆。AB 刃切槽时,BC 刃倒角。(3)如下左图,对管材孔口倒角和端面倒角。可将车刀前面刃磨成如下右图所示。车刀装在刀架上,调节固定好中滑板位置。通过小滑板调节轴向倒角的大小。可以只动小滑板完成孔口倒角和端面倒角。 2、普车上盘弹簧:(1)车一根弹簧绕制的轴,符合所绕制的弹簧内径要求。(2)将钢丝一端压弯成 900,长 3-5mm,伸入卡盘夹持的工件中,并用锁紧螺母将其锁紧并固定在弹簧起点。(3)在刀架上放置两块高硬度的木材或树脂材料,让钢丝穿过其中的小孔,用螺母施加适当的力,以便钢丝在内可以移动又便于校直钢丝。(4)、车床低速运转绕制弹簧。当弹簧的总圈数接近要求时停机,手动绕制1-2 圈至规定圈数。 3、小工件去毛刺的方法:在机加工车间, 通常采纳钳工锉刀修锉的方法去除工件的毛刺。但对于尺寸较小的工件,装夹和修锉都比较困难,且劳动效率相当低。可以用一个一端封闭、一端带有可拆卸端盖的筒体(如矿泉水瓶)盛装约 1/3 体积润滑液,再把需要去毛刺的工件装入筒体(工件总体积约占筒体体积的 1/3),装上可拆卸端盖,用三爪卡盘夹住,尾座套筒顶住装于普车上,以较低的速度旋转几分钟。由于筒体工件之间相互摩檫,从而使得工件毛刺得以去除。 降低了生产工人的劳动强度,...

1、当您付费下载文档后,您只拥有了使用权限,并不意味着购买了版权,文档只能用于自身使用,不得用于其他商业用途(如 [转卖]进行直接盈利或[编辑后售卖]进行间接盈利)。
2、本站所有内容均由合作方或网友上传,本站不对文档的完整性、权威性及其观点立场正确性做任何保证或承诺!文档内容仅供研究参考,付费前请自行鉴别。
3、如文档内容存在违规,或者侵犯商业秘密、侵犯著作权等,请点击“违规举报”。

碎片内容

数控技术应用专业青年教师进企业实践总结.

确认删除?
VIP
微信客服
  • 扫码咨询
会员Q群
  • 会员专属群点击这里加入QQ群
客服邮箱
回到顶部