电脑桌面
添加小米粒文库到电脑桌面
安装后可以在桌面快捷访问

最新维护保养记录表

最新维护保养记录表_第1页
1/17
最新维护保养记录表_第2页
2/17
最新维护保养记录表_第3页
3/17
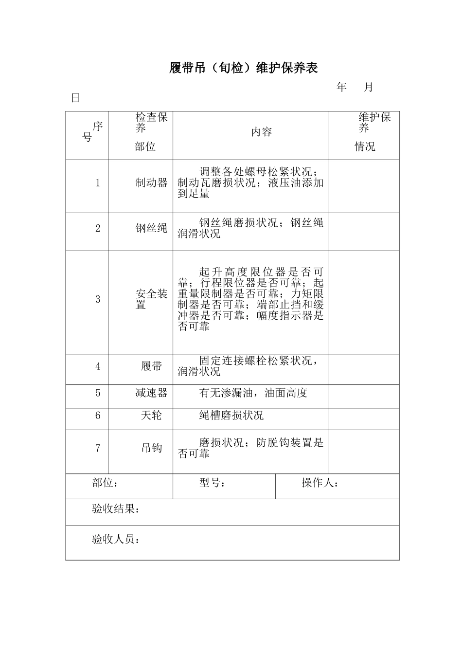
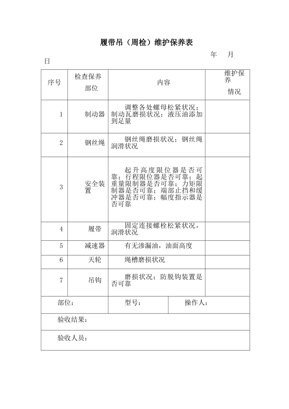
履带吊(周检)维护保养表 年 月 日序号检查保养部位内容维护保养情况1制动器调整各处螺母松紧状况;制动瓦磨损状况;液压油添加到足量2钢丝绳钢丝绳磨损状况;钢丝绳润滑状况3安全装置起 升 高 度 限 位 器 是 否 可靠;行程限位器是否可靠;起重量限制器是否可靠;力矩限制器是否可靠;端部止挡和缓冲器是否可靠;幅度指示器是否可靠4履带固定连接螺栓松紧状况,润滑状况5减速器有无渗漏油,油面高度6天轮绳槽磨损状况7吊钩磨损状况;防脱钩装置是否可靠部位:型号:操作人: 验收结果:验收人员:履带吊(旬检)维护保养表 年 月 日序号检查保养部位内容维护保养情况1制动器调整各处螺母松紧状况;制动瓦磨损状况;液压油添加到足量2钢丝绳钢丝绳磨损状况;钢丝绳润滑状况3安全装置起 升 高 度 限 位 器 是 否 可靠;行程限位器是否可靠;起重量限制器是否可靠;力矩限制器是否可靠;端部止挡和缓冲器是否可靠;幅度指示器是否可靠4履带固定连接螺栓松紧状况,润滑状况5减速器有无渗漏油,油面高度6天轮绳槽磨损状况7吊钩磨损状况;防脱钩装置是否可靠部位:型号:操作人: 验收结果:验收人员:履带吊(月检)维护保养表设备名称型号及编号检查日期年 月 日部位内容结果部位内容结果金属结构、主要零部件与机构各部件、仪表工作正常电气部分及用电安全装置漏电保护装置灵敏可靠工作装置、附件安装牢固二次空载降压保护控制手柄操作灵活有效电箱柜门完好门锁齐全有效方向拉杆及制动结合良好紧急断电开关灵敏可靠高度限位器是否有效仪表齐全有效防护罩接地接零符合法律规范危险部位安全标志电缆无老化传动机构是否平稳无异响电源线路是否法律规范各连接锁紧是否紧固有可靠的防雨措施履带松紧度是否调整适当进出线有防护启动正常有效焊把绝缘好驾驶室无杂乱外形干净编号清楚钢丝绳及连接部位符合规定一次线长度是否符合规定各系统管路无裂纹或泄漏是否穿管保护照明灯具齐全有效焊把线不超过三处接头变幅指示器力矩限制器其他起重量限制器行程限位开关操作人员持证上岗有效验收合格证年审记录吊钩标记和防脱钩装置吊钩缺陷及危险断面磨损滑轮缺陷滑轮防脱槽装置制动器卷筒缺陷高度限位器水平仪实验空载实验额载实验静载实验说明正常有效“√”不合格项“/”无此项不填动载实验带载行驶实验结论施工单位中铁十七局集团有限公司上海轨道交通 5 号线南延伸 5 标项目部部位检查人员 汽车吊(周检)维护保养表 年 月...

1、当您付费下载文档后,您只拥有了使用权限,并不意味着购买了版权,文档只能用于自身使用,不得用于其他商业用途(如 [转卖]进行直接盈利或[编辑后售卖]进行间接盈利)。
2、本站所有内容均由合作方或网友上传,本站不对文档的完整性、权威性及其观点立场正确性做任何保证或承诺!文档内容仅供研究参考,付费前请自行鉴别。
3、如文档内容存在违规,或者侵犯商业秘密、侵犯著作权等,请点击“违规举报”。

碎片内容

最新维护保养记录表

您可能关注的文档

确认删除?
VIP
微信客服
  • 扫码咨询
会员Q群
  • 会员专属群点击这里加入QQ群
客服邮箱
回到顶部