电脑桌面
添加小米粒文库到电脑桌面
安装后可以在桌面快捷访问

某高层建筑沉降观测方案

某高层建筑沉降观测方案_第1页
1/6
某高层建筑沉降观测方案_第2页
2/6
某高层建筑沉降观测方案_第3页
3/6
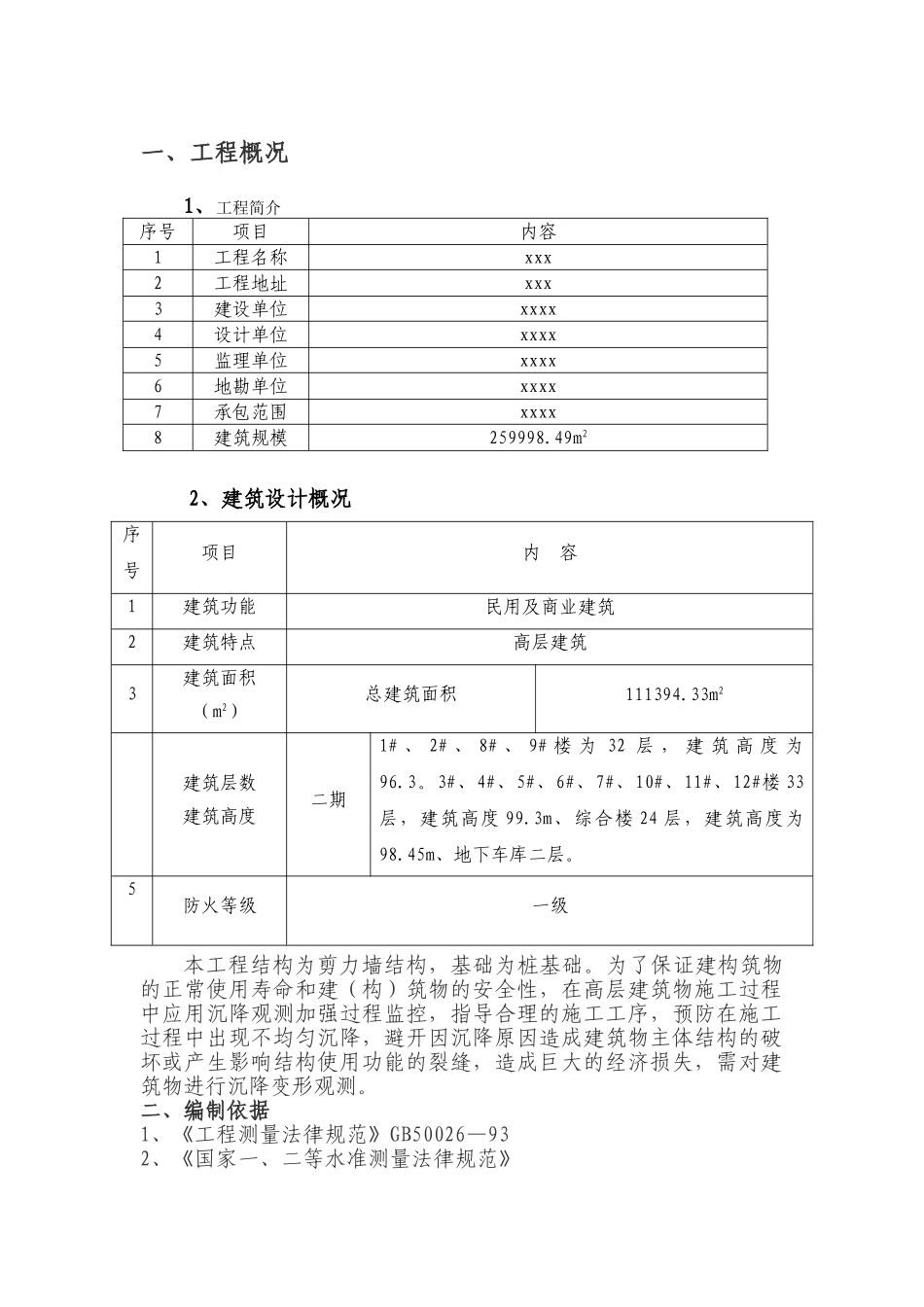
一、工程概况1、工程简介序号项目内容1工程名称xxx2工程地址xxx3建设单位xxxx4设计单位xxxx5监理单位xxxx6地勘单位xxxx7承包范围xxxx8建筑规模259998.49m22、建筑设计概况序号项目内 容1建筑功能民用及商业建筑2建筑特点高层建筑3建筑面积(m2)总建筑面积111394.33m2建筑层数建筑高度二期1# 、 2# 、 8# 、 9# 楼 为 32 层 , 建 筑 高 度 为96.3。3#、4#、5#、6#、7#、10#、11#、12#楼 33层,建筑高度 99.3m、综合楼 24 层,建筑高度为98.45m、地下车库二层。5防火等级一级本工程结构为剪力墙结构,基础为桩基础。为了保证建构筑物的正常使用寿命和建(构)筑物的安全性,在高层建筑物施工过程中应用沉降观测加强过程监控,指导合理的施工工序,预防在施工过程中出现不均匀沉降,避开因沉降原因造成建筑物主体结构的破坏或产生影响结构使用功能的裂缝,造成巨大的经济损失,需对建筑物进行沉降变形观测。二、编制依据1、《工程测量法律规范》GB50026—932、《国家一、二等水准测量法律规范》 三、沉降观测的基本要求1、仪器设备、人员素养的要求根据沉降观测精度要求高的特点,为能精确地反映出建构筑物在不断加荷作下的沉降情况,一般规定测量的误差应小于变形值的 1/10—1/20,为此要求沉降观测应使用精密水准仪(DSZ2),水准尺采纳铟合金尺。 人员素养的要求,必须接受专业学习及技能培训,熟练掌握仪器的操作规程,熟悉测量理论能针对不同工程特点、具体情况采纳不同的观测方法及观测程序,对实施过程中出现的问题能够会分析原因并正确的运用误差理论进行平差计算,做到按时、快速、精确地完成每次观测任务。 2、观测时间的要求 首次观测必须按时进行,其他各阶段的复测,根据工程进展情况必须定时进行,不得漏测或补测。相邻的两次时间间隔称为一个观测周期,一般高层建筑物的沉降观测按一定的时间段为一观测周期(如:次/30 天)或按建筑物的加荷情况每升高一层(或数层)为一观测周期。 3、观测点的要求 为了能够反映出建构筑物的准确沉降情况,沉降观测点要埋设在最能反映沉降特征且便于观测的位置。一般要求建筑物上设置的沉降观测点纵横向要对称,且相邻点之间间距以 15—30 米为宜,均匀地分布在建筑物的周围。埋设的沉降观测点要符合各施工阶段的观测要求,特别要考虑到装修装饰阶段因墙或柱饰面施工而破坏或掩盖住观测点,不能连续观测而失去观测意义。沉降观测点布置如下:4、沉降观测的自始至终要遵循...

1、当您付费下载文档后,您只拥有了使用权限,并不意味着购买了版权,文档只能用于自身使用,不得用于其他商业用途(如 [转卖]进行直接盈利或[编辑后售卖]进行间接盈利)。
2、本站所有内容均由合作方或网友上传,本站不对文档的完整性、权威性及其观点立场正确性做任何保证或承诺!文档内容仅供研究参考,付费前请自行鉴别。
3、如文档内容存在违规,或者侵犯商业秘密、侵犯著作权等,请点击“违规举报”。

碎片内容

某高层建筑沉降观测方案

您可能关注的文档

确认删除?
VIP
微信客服
  • 扫码咨询
会员Q群
  • 会员专属群点击这里加入QQ群
客服邮箱
回到顶部