电脑桌面
添加小米粒文库到电脑桌面
安装后可以在桌面快捷访问

框架结构钢筋绑扎技术交底记录

框架结构钢筋绑扎技术交底记录_第1页
1/6
框架结构钢筋绑扎技术交底记录_第2页
2/6
框架结构钢筋绑扎技术交底记录_第3页
3/6
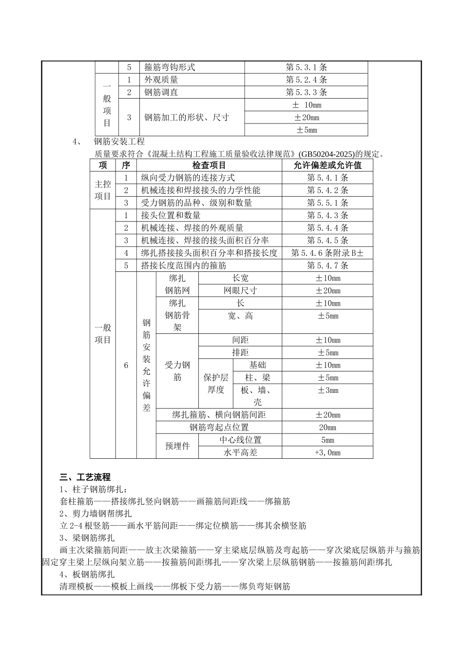
技术交底记录鲁 JJ 一 005工程名称山东乳山香港平远国际城74#楼施工单位万通建设集团有限公司交底部位框架结构工序名称框架结构钢筋绑扎交底提要:框架结构钢筋绑扎的相关资料、机具准备、质量要求及施工工艺交底内容:框架结构钢筋绑扎一、施工准备(一)作业条件1、钢筋进场后应检查是否有出厂材质证明、做完复试,并按施工平面图中指定的位置,按规格、使用部位、编号分别加垫木堆放。2、钢筋绑扎前,应检查有无锈蚀,除锈之后再运至绑扎部位。3、熟悉图纸、按设计要求检查已加工好的钢筋规格、形状、数量是否正确。4、做好抄平放线工作,弹好水平标高线,柱、墙外皮尺寸线。5、根据弹好的外皮尺寸线,检查下层预留搭接钢筋的位置、数量、长度,如不符合要求时,应进行处理。绑扎前先按 1:6 整理调直下层伸出的搭接筋,并将锈蚀、水泥砂浆等污垢清除洁净。6、根据标高检查下层伸出搭接筋处的混凝土表面标高(柱顶、墙顶)是否符合图纸要求,砼施工缝处要剔凿到露石子并清理洁净。7、按要求搭好脚手架。(二)材质要求1、钢筋原材:应有供应商资格证书,钢筋出厂质量证明书、按规定作力学性能复试和见证取样试验。当加工过程中发生脆断等特别情况,还需作化学成分检验。钢筋应无老锈及油污。2、成型钢筋:必须符合配料单的规格、型号、尺寸、形状、数量,并应进行标识。成型钢筋必须进行覆盖,防止雨淋生锈。3、铁丝:可采纳 20~22 号铁丝(火烧丝)或镀锌铁丝(铅丝)。铁丝切断长度要满足使用要求。4、垫块:用水泥砂浆制成 50mm 见方,厚度同保护层,垫块内预埋 20~22 号火烧丝。或用塑料卡、拉筋、支撑筋。(三)工器具钢筋钩子、撬棍、扳子、绑扎架、钢丝刷子、手推车、粉笔、尺子等。1、二、质量要求 2、钢筋原材料及钢筋加工工程3、质量要求符合《混凝土结构工程施工质量验收法律规范》(GB50204-2025)的规定。项序检查项目允许偏差或允许值主控项目1力学性能检验第 5.2.1 条2抗震用钢筋强度实测值第 5.2.2 条3化学成分等专项检验第 5.2.3 条4受力钢筋的弯钩和弯折第 5.3.1 条5箍筋弯钩形式第 5.3.1 条一般项目1外观质量第 5.2.4 条2钢筋调直第 5.3.3 条3钢筋加工的形状、尺寸± 10mm±20mm±5mm4、钢筋安装工程质量要求符合《混凝土结构工程施工质量验收法律规范》(GB50204-2025)的规定。项序检查项目允许偏差或允许值主控项目1纵向受力钢筋的连接方式第 5.4.1 条2机械连接和焊接接头的力学性能第 5.4.2 条3受力钢...

1、当您付费下载文档后,您只拥有了使用权限,并不意味着购买了版权,文档只能用于自身使用,不得用于其他商业用途(如 [转卖]进行直接盈利或[编辑后售卖]进行间接盈利)。
2、本站所有内容均由合作方或网友上传,本站不对文档的完整性、权威性及其观点立场正确性做任何保证或承诺!文档内容仅供研究参考,付费前请自行鉴别。
3、如文档内容存在违规,或者侵犯商业秘密、侵犯著作权等,请点击“违规举报”。

碎片内容

框架结构钢筋绑扎技术交底记录

您可能关注的文档

不二商店+ 关注
实名认证
内容提供者

我是你的不二选择

确认删除?
VIP
微信客服
  • 扫码咨询
会员Q群
  • 会员专属群点击这里加入QQ群
客服邮箱
回到顶部