电脑桌面
添加小米粒文库到电脑桌面
安装后可以在桌面快捷访问

桥梁盖梁施工方案

桥梁盖梁施工方案_第1页
1/9
桥梁盖梁施工方案_第2页
2/9
桥梁盖梁施工方案_第3页
3/9
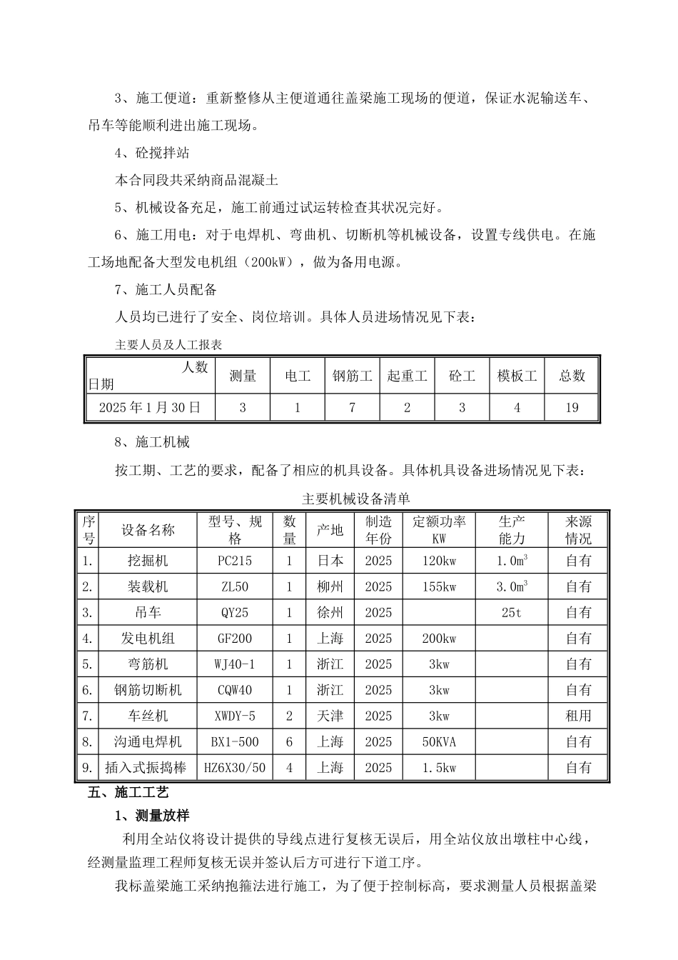
祝家坂大桥盖梁施工方案一、编制依据1、中华人民共和国交通部标准《公路工程质量检验评定标准》(JTG F80/1—2025)。2、中华人民共和国交通部标准《公路桥涵施工技术法律规范》(JTG /T F50—2025)。3、中华人民共和国交通部标准《公路钢筋混凝土及预应力混凝土桥涵设计法律规范》(JTG D62—2025)。4、桥梁工程《两阶段施工图设计》。5、我单位拥有的科技成果、工法成果、机械设备状况、施工技术与管理水平。二、工程概况48省道延伸至黄衢南高速江郎山互通(长台镇)段工程S1标主线起点位于48省道与江贺公路交叉附近的水泥场门口,起点桩号K0+000,路线经过山海协作园区、清湖镇政府,跨过江山港后及到达一标段终点,终点里程为K3+500,路线全长3.5km。支线为蔡家村至敖坪,用以连接山海协作园区和莲花山工业园区,起点为蔡家村(起点桩号LK0+000),之后跨过江山港,经前湖,到达终点为敖坪(即规划莲华山工业园区,桩号为LK6+592.822),支线全长6.593km,主线及支线总长10.093km。祝家坂大桥,该桥结构形式为5×25简支变连续小箱梁+(32.5+2×55+32.5)现浇预应力变截面箱梁+2×25简支小箱梁,下部结构为钻孔灌注桩、承台、肋板式桥台,钻孔灌注桩、承台、柱式墩。盖梁数量共计14个。具体参数见表一盖梁参数表单位工程盖梁(个)尺寸(m) 祝家坂大桥41.8*1.6(1.83)*10.25101.5*1.6*10.25三、施工进度计划施工工期:自 2025 年 3 月 26 日开始至 2025 年 5 月 30 日结束,共 64 日历天。四、施工准备及布署1、施工前对控制点进行复核,并报监理审批。然后准确的在柱顶测放纵、横向中线并划出盖梁底平面尺寸位置。2、现场准备:控制好标高及预埋钢筋的位置,对柱与盖梁连接处进行凿毛并清理连接面。3、施工便道:重新整修从主便道通往盖梁施工现场的便道,保证水泥输送车、吊车等能顺利进出施工现场。4、砼搅拌站本合同段共采纳商品混凝土5、机械设备充足,施工前通过试运转检查其状况完好。6、施工用电:对于电焊机、弯曲机、切断机等机械设备,设置专线供电。在施工场地配备大型发电机组(200kW),做为备用电源。7、施工人员配备人员均已进行了安全、岗位培训。具体人员进场情况见下表:主要人员及人工报表人数日期测量电工钢筋工起重工砼工模板工总数2025 年 1 月 30 日317234198、施工机械按工期、工艺的要求,配备了相应的机具设备。具体机具设备进场情况见下表:主要机械设备清单序号设备名称型号、规格数量产...

1、当您付费下载文档后,您只拥有了使用权限,并不意味着购买了版权,文档只能用于自身使用,不得用于其他商业用途(如 [转卖]进行直接盈利或[编辑后售卖]进行间接盈利)。
2、本站所有内容均由合作方或网友上传,本站不对文档的完整性、权威性及其观点立场正确性做任何保证或承诺!文档内容仅供研究参考,付费前请自行鉴别。
3、如文档内容存在违规,或者侵犯商业秘密、侵犯著作权等,请点击“违规举报”。

碎片内容

桥梁盖梁施工方案

确认删除?
VIP
微信客服
  • 扫码咨询
会员Q群
  • 会员专属群点击这里加入QQ群
客服邮箱
回到顶部