电脑桌面
添加小米粒文库到电脑桌面
安装后可以在桌面快捷访问

水泥混凝土路面施工方案5

水泥混凝土路面施工方案5_第1页
1/13
水泥混凝土路面施工方案5_第2页
2/13
水泥混凝土路面施工方案5_第3页
3/13
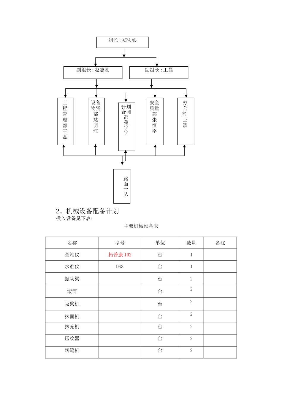
航新路(商诚道-宏展道)下穿铁路北段 U 型槽及框构工程 钢筋混凝土路面施工方案 编制人: 审核人: 审批人: 编制单位:中铁十八局集团第五工程有限公司 编制日期:2025 年 7 月 25 日 航新路钢筋混凝土路面施工方案一、编制依据1、《公路水泥混凝土路面施工技术法律规范》(JTG F30—2025)2、《公路工程质量检验评定标准》(JTGF80-2025)3、《公路工程施工安全技术法律规范》(JTG F90-2025)4、《公路桥涵施工技术法律规范》(JTG TF50-2025)5、《公路路基施工技术法律规范》(JTG F10-2025)6、《公路路面基层施工技术法律规范》(JTJ034-2000)7、《水泥混凝土路面施工及验收法律规范》(GBJ97-87)8、 道路工程施工图纸9、其她相关法律规范、规程及规定10、 设计主要依据得法律规范、规定与标准二、工程概况航新路位于东丽区中河村东侧,同时下穿既有津山铁路、在建津秦客运专线及京津城际延伸线。规划路线南北走向,城市主干道,双向六车道,红线宽度为 50m。设计起止桩号 K2+440、00~K3+020、00,路线全长 580、0m。航 新 路 下 穿 铁 路 北 段 U 型 槽 及 框 构 工 程 , 里 程K2+756、55~K3+020,含 12 节 U 型槽 U17~U28 与一座联展东道框构,长度为 15m+20m+20m+19、97m+32、06m+16、42m+7×20m,基坑最大挖深 7m。航 新 路 道 路 工 程 设 计 道 路 等 级 : 城 市 主 干 道 ; 计 算 行 车 速度:50km/h;桥梁设计荷载:城-A 级;净空高度:机动车道≥4、5m,非机动车道及人行道≥2、5m;路拱横坡:车行道横坡 1、5%(双向),局部1%,人行道横坡 1%(向内);车道宽度:(1)机动车道宽度:大车道:3、75m,小车道:3、5m;(2)非机动车道宽度:4、25m; 航新路工程机动车道路面宽 12、25m,路面结构为素混凝土调平层、4cm 细粒式沥青混凝土(AC-13C)缓冲层及 26cm 钢筋混凝土路面。非机动道路面宽 4、25m,路面结构为 20cm 石灰粉煤灰土、20cm 石灰粉煤灰碎石及 24cm 钢筋混凝土路面。三、施工准备1、人员与施工组织针对本工程施工要求,准备选调一支有丰富施工经验协调能力强,善打硬仗得优秀施工队伍,并配以足够得技术管理人员。根据工程数量与现场施工条件,我项目部计划安排充足得人员与机械设备,投入主要技术人员与劳动力安排如下:主要技术人员与劳动力计划表序号工种数量备 注1测量工程师3 人2质检工程师1 人3结构工程师1 人4安全工程师1 人5实验工程师2 人6机械操作工20 人7电工1 人8...

1、当您付费下载文档后,您只拥有了使用权限,并不意味着购买了版权,文档只能用于自身使用,不得用于其他商业用途(如 [转卖]进行直接盈利或[编辑后售卖]进行间接盈利)。
2、本站所有内容均由合作方或网友上传,本站不对文档的完整性、权威性及其观点立场正确性做任何保证或承诺!文档内容仅供研究参考,付费前请自行鉴别。
3、如文档内容存在违规,或者侵犯商业秘密、侵犯著作权等,请点击“违规举报”。

碎片内容

水泥混凝土路面施工方案5

确认删除?
VIP
微信客服
  • 扫码咨询
会员Q群
  • 会员专属群点击这里加入QQ群
客服邮箱
回到顶部