电脑桌面
添加小米粒文库到电脑桌面
安装后可以在桌面快捷访问

泥浆护壁回转钻孔灌注桩工程

泥浆护壁回转钻孔灌注桩工程_第1页
1/5
泥浆护壁回转钻孔灌注桩工程_第2页
2/5
泥浆护壁回转钻孔灌注桩工程_第3页
3/5
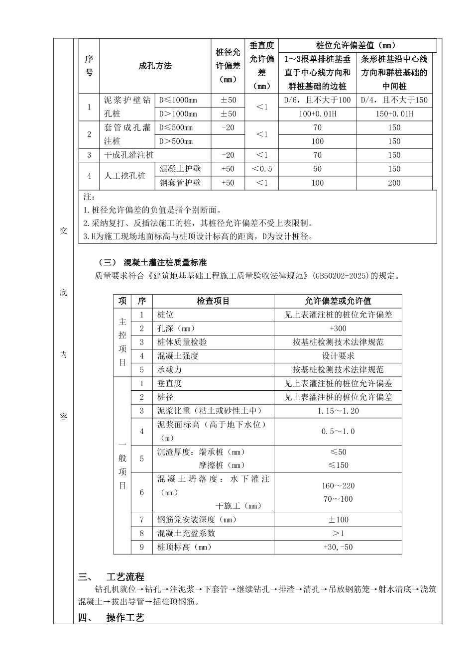
泥浆护壁回转钻孔灌注桩 分项工程质量技术交底卡GD2301003 施工单位工程名称分部工程交底部位日 期 年 月 日交底内容一、施工准备(一)作业条件1、 地上、地下障碍物都处理完毕,达到“三通一平”。施工用的临时设施准备就绪。2、 场地标高一般为承台梁的上皮标高,并已经过夯实或碾压。3、 制作好钢筋笼。4、 根据放出的轴线及桩位点,抄上水平标高木橛,井经过验收签字。5、 选择和确定钻孔机的进出路线和钻孔顺序,制定施工方案。6、 正式施工前要做成孔试验,数量不少于 2 根。(二)材料要求1、 水泥:根据设计要求确定水泥品种、强度等级。2、 砂:中砂或粗砂,含泥量不大于 5%。3、 石子:粒径为 0.5~3.2cm 的卵石或碎石,含泥量不大于 2%。4、 水:使用自来水或不含有害物质的干净水。5、 粘土:可就地选择塑性指数 Ip≥17 的粘土。6、 外加早强剂通过试验确定。7、 钢筋:钢筋的品种、级别或规格必须符合设计要求,有产品合格证、出厂捡验报告和进场复验报告。(三)施工机具回旋钻孔机、翻斗车或手推车、混凝土导管、套管、水泵、水箱、泥浆池、混凝土搅拌机、平尖头铁锹、胶皮管、插人式振捣棒、线坠等。二、质量要求(一) 混凝土灌注桩钢筋笼质量检验标准质量要求符合《建筑地基基础工程施工质量验收法律规范》(GB50202-2025)的规定。项序检查项目允许偏差或允许值(mm)主控项目1主筋间距±102多节桩锚固钢筋位置100一般项目1钢筋材质检验设计要求2箍筋间距±203直径±10(二) 混凝土灌注桩的桩位偏差灌注桩的桩位偏差必须符合下表规定。桩顶标高至少要比设计标高高出 0.5m。每浇注50m3必须有l组试件,小于50m3的桩每根桩必须有l组试件。交底内容序号成孔方法桩径允许偏差(mm)垂直度允许偏差(mm)桩位允许偏差值(mm)1~3根单排桩基垂直于中心线方向和群桩基础的边桩条形桩基沿中心线方向和群桩基础的中间桩1泥 浆 护 壁 钻孔桩D≤1000mm±50<1D/6,且不大于100D/4,且不大于150D>1000mm±50100+0.01H150+0.01H2套 管 成 孔 灌注桩D≤500mm-20<170150D>500mm1001503干成孔灌注桩-20<1701504人工挖孔桩混凝土护壁+50<0.550150钢套管护壁+50<1100200注:1.桩径允许偏差的负值是指个别断面。2.采纳复打、反插法施工的桩,其桩径允许偏差不受上表限制。3.H为施工现场地面标高与桩顶设计标高的距离,D为设计桩径。(三) 混凝土灌注桩质量标准质量要求符合《建筑地基基础工程施工质...

1、当您付费下载文档后,您只拥有了使用权限,并不意味着购买了版权,文档只能用于自身使用,不得用于其他商业用途(如 [转卖]进行直接盈利或[编辑后售卖]进行间接盈利)。
2、本站所有内容均由合作方或网友上传,本站不对文档的完整性、权威性及其观点立场正确性做任何保证或承诺!文档内容仅供研究参考,付费前请自行鉴别。
3、如文档内容存在违规,或者侵犯商业秘密、侵犯著作权等,请点击“违规举报”。

碎片内容

泥浆护壁回转钻孔灌注桩工程

您可能关注的文档

阳光书坊+ 关注
实名认证
内容提供者

阳光书坊,传播未来

确认删除?
VIP
微信客服
  • 扫码咨询
会员Q群
  • 会员专属群点击这里加入QQ群
客服邮箱
回到顶部