电脑桌面
添加小米粒文库到电脑桌面
安装后可以在桌面快捷访问

焊接方法与技巧案例分析

焊接方法与技巧案例分析_第1页
1/11
焊接方法与技巧案例分析_第2页
2/11
焊接方法与技巧案例分析_第3页
3/11
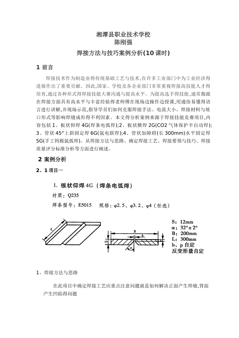
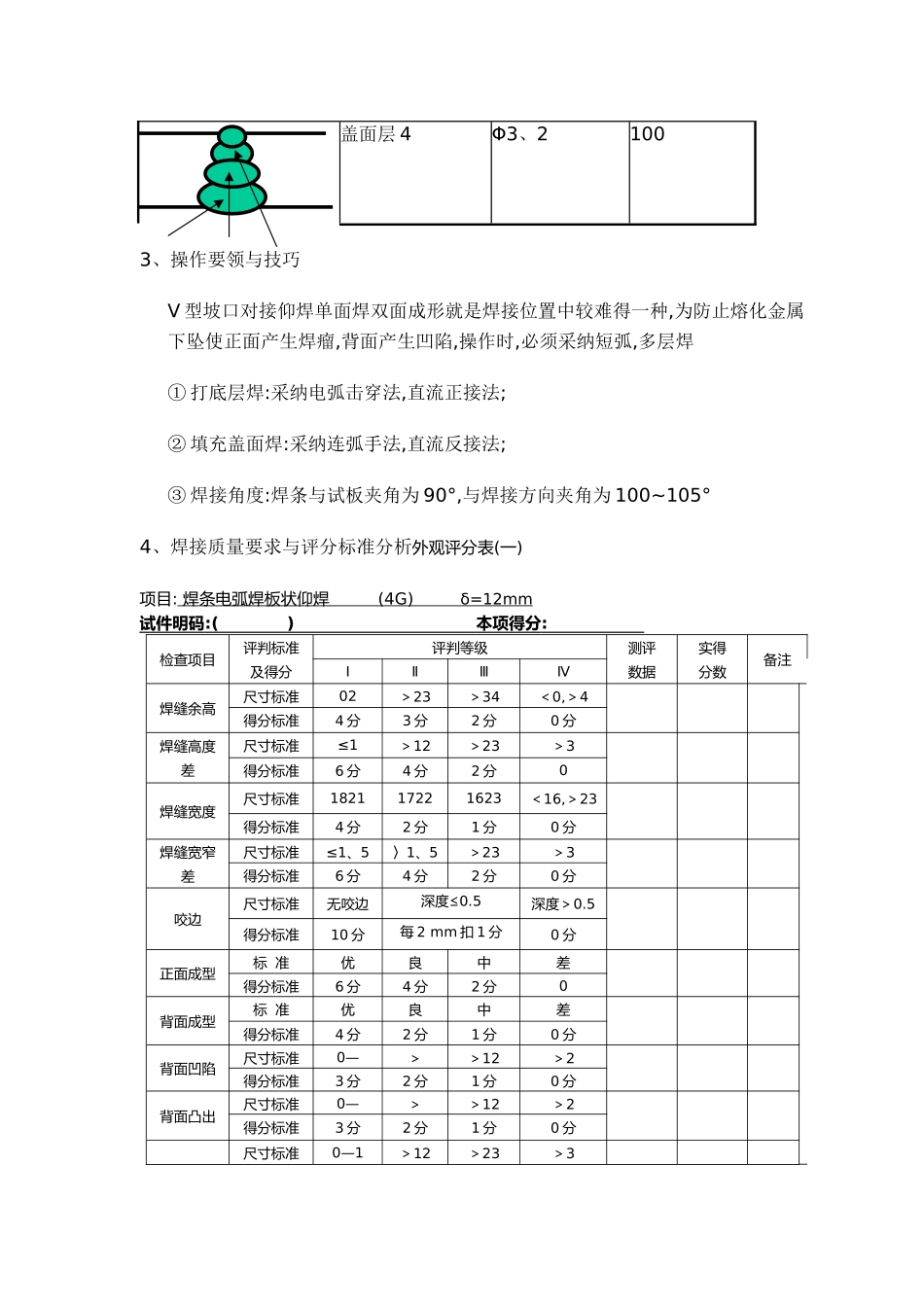
湘潭县职业技术学校陈刚强焊接方法与技巧案例分析(10 课时)1 前言焊接技术作为制造业得传统基础工艺与技术,在许多工业部门中为工业经济得进展作出了重要贡献。因此,国家、学校及各企业部门非常重视焊接高技能人才得培育,通过各种形式得焊接技能大赛沟通与提高水平。为提高选手得技能,通常指派在焊接方面具有高水平与丰富经验得老师傅在现场边操作边授课,用通俗易懂得语言进行讲解,并现场示范,指导学员们如何克服焊接手法、电流大小、焊接材料与坡口形式等影响焊缝成形得不利因素。本文得分析案例来源于焊接技能竞赛项目,内容包括 1、板状仰焊 4G(焊条电弧焊);2、板状横焊 2G(CO2 气体保护半自动焊);3、管状 45°上斜固定焊 6G(氩电联焊);4、管状加障碍(长 300mm)水平固定焊5G(手工钨极氩弧焊)。从焊接方法与思路、确定焊接工艺、焊接要领与技巧、焊接质量评分标准分析等方面进行阐述。 2 案例分析2、1 项目一1、焊接方法与思路在此项目中确定焊接工艺应重点注意问题就是如何解决正面产生焊瘤,背面产生凹陷得问题2、确定焊接工艺(1)、焊前准备① 焊条烘焙至 380~400℃,恒温 2 小时,随用随取;②ZX7400 型或 ZX5400 型直流焊机(2)、试件装配① 修磨钝边 0~0、5,无毛刺;② 焊前清理:清理坡口面及焊件两侧各 20mm 范围内得油污、锈蚀,直至露出金属光泽;③ 装配间隙始端为 3、2mm,终端为 4、0mm;④ 定位焊:采纳与焊接试件相同牌号焊条,在试件两端正面坡口内进行定位焊,焊缝长≤ 15mm;⑤ 预制反变形 3~4mm;(试板水平面到另一试板边缘高低差)⑥ 将试件水平固定在距离地面不超过 1100mm 得焊接支架上,坡口向下,间隙小得始端位于远处;⑦ 采纳直流正接法打底焊,直流反接法填充盖面;(3)、焊接工艺参数V 型坡口对接仰焊工艺参数表如下焊道分布焊接层次焊条直径/mm焊接电流/A 打底层 1Φ3、2118~122填充层 2、3Φ3、2100~105盖面层 4Φ3、21003、操作要领与技巧V 型坡口对接仰焊单面焊双面成形就是焊接位置中较难得一种,为防止熔化金属下坠使正面产生焊瘤,背面产生凹陷,操作时,必须采纳短弧,多层焊① 打底层焊:采纳电弧击穿法,直流正接法;② 填充盖面焊:采纳连弧手法,直流反接法;③ 焊接角度:焊条与试板夹角为 90°,与焊接方向夹角为 100~105°4、焊接质量要求与评分标准分析外观评分表(一)项目: 焊条电弧焊板状仰焊 (4G) δ=12mm 试件明码 :( ) 本项得分 : 检查项目评判标准及得分评判等级测评数据实得...

1、当您付费下载文档后,您只拥有了使用权限,并不意味着购买了版权,文档只能用于自身使用,不得用于其他商业用途(如 [转卖]进行直接盈利或[编辑后售卖]进行间接盈利)。
2、本站所有内容均由合作方或网友上传,本站不对文档的完整性、权威性及其观点立场正确性做任何保证或承诺!文档内容仅供研究参考,付费前请自行鉴别。
3、如文档内容存在违规,或者侵犯商业秘密、侵犯著作权等,请点击“违规举报”。

碎片内容

焊接方法与技巧案例分析

一帆文传+ 关注
实名认证
内容提供者

欢迎光临店铺,各类公文供您挑选。

相关文档

确认删除?
VIP
微信客服
  • 扫码咨询
会员Q群
  • 会员专属群点击这里加入QQ群
客服邮箱
回到顶部