电脑桌面
添加小米粒文库到电脑桌面
安装后可以在桌面快捷访问

电源施工组织方案docDOC

电源施工组织方案docDOC_第1页
1/13
电源施工组织方案docDOC_第2页
2/13
电源施工组织方案docDOC_第3页
3/13
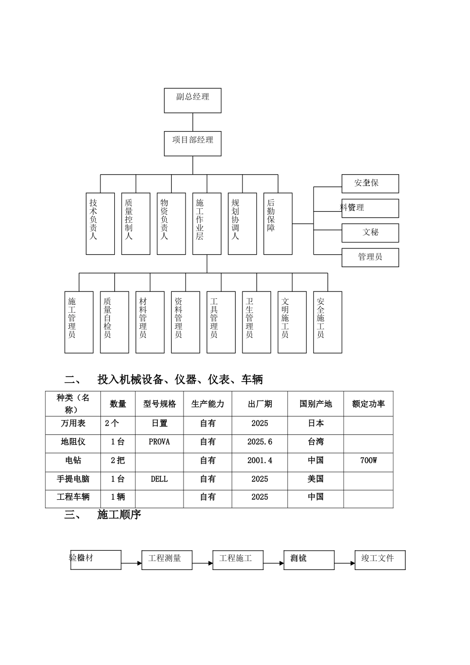
施工组织方案及计划建设单位:中国电信股份有限公司深圳分公司监理单位:深圳市都信建设监理有限公司设计单位:广东南方电信规划咨询设计院有限公司施工单位:深圳市电信工程有限公司2010 年 5 月 09 日编制: 审核: 批准:一、工程施工组织建制中国电信股份有限公司深圳分公司2025 年福田大运会电源设备建设工程二、投入机械设备、仪器、仪表、车辆种类(名称)数量型号规格生产能力出厂期国别产地额定功率万用表2 个日置自有2025日本地阻仪1 台PROVA自有2025.6台湾电钻2 把自有2001.4中国700W手提电脑1 台DELL自有2025美国工程车辆1 辆自有2025中国三、施工顺序 副总经理项目部经理技术负责人质量控制人物资负责人规划协调人后勤保障施工作业层安全保卫管理员文秘资料管理施工管理员质量自检员资料管理员卫生管理员工具管理员安全施工员材料管理员文明施工员器材检验工程测量工程施工自检测试竣工文件四、施工进度安排及进度计划工程具体规模:本工程为 2025 年福田第一批 FTTX 配套电源工程。其本公司根据此工程项目工程,特制定施工进度安排及质量保证措拖。1 施工进度计划安排本工程工期约为 7 天,即 5 月 9 日至 5 月 15 日,我公司将根据此工期要求,精心组织施工,保证按质、按量并争取提前完成任务。具体实行措施如下:1.1 施工进度计划:5 月 9 日:设备搬运。5 月 10 日:设备安装。5 月 13 日:调测完成。5 月 15 日:提交工程竣工文件及结算文件,并申请工程验收。五、 施工法律规范机架安装对施工现场的地面进行一次彻底清理、清洁。严格根据施工图的设计尺寸划线,禁止随意改动。安装的机架应牢固不晃动,整列机面平直,无凹凸不平,机架顶、底端水平,垂直时的前后左右误差应小于机架长度的 1‰,并按厂家的要求进行抗震加固。钻孔打洞时应用吸尘器吸掉粉尘,避开污损设备。搬移机架到位时要确保人、机的绝对安全,要至少安排一人在旁侧机动、观察。 相邻及背靠背机架的连接处应靠拢紧密,连接螺丝必须锁紧。设备与地面的绝缘必须符合有关设计或要求。若发现设备有掉漆、划伤,应进行补漆。标牌、标示的粘贴要准确无误、工整齐全。各种装配板要安装正确、干净。使用工具时要注意保护设备,不使设备表面受损。 设备上的各零部件不得出现脱落丢失、碰坏,内部连线不能碰伤、碰断。机框、单板安装进行该项工作,应先将材料搬至要安装的设备前,操作...

1、当您付费下载文档后,您只拥有了使用权限,并不意味着购买了版权,文档只能用于自身使用,不得用于其他商业用途(如 [转卖]进行直接盈利或[编辑后售卖]进行间接盈利)。
2、本站所有内容均由合作方或网友上传,本站不对文档的完整性、权威性及其观点立场正确性做任何保证或承诺!文档内容仅供研究参考,付费前请自行鉴别。
3、如文档内容存在违规,或者侵犯商业秘密、侵犯著作权等,请点击“违规举报”。

碎片内容

电源施工组织方案docDOC

您可能关注的文档

一二三四传媒+ 关注
实名认证
内容提供者

大量资料供您选择,没有合适的可以联系小二。

确认删除?
VIP
微信客服
  • 扫码咨询
会员Q群
  • 会员专属群点击这里加入QQ群
客服邮箱
回到顶部