电脑桌面
添加小米粒文库到电脑桌面
安装后可以在桌面快捷访问

电缆直流耐压试验标准

电缆直流耐压试验标准_第1页
1/6
电缆直流耐压试验标准_第2页
2/6
电缆直流耐压试验标准_第3页
3/6
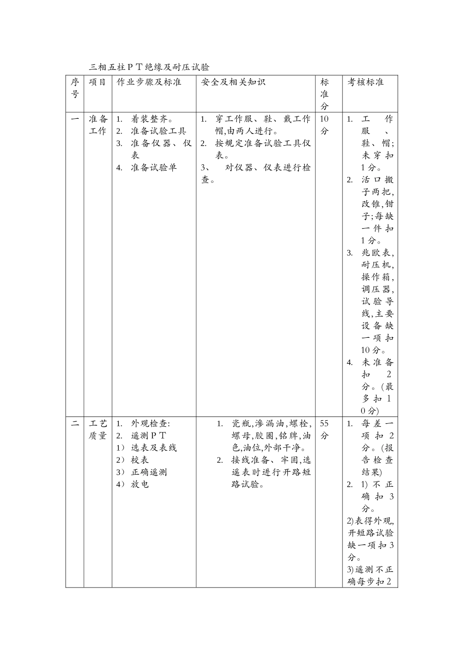
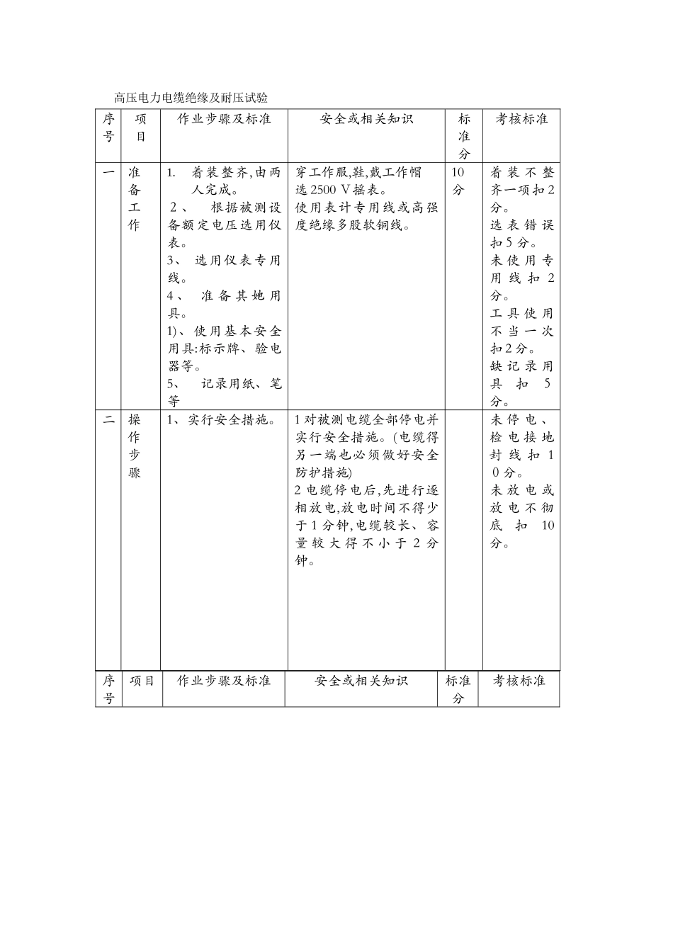
高压电力电缆绝缘及耐压试验序号项目作业步骤及标准安全或相关知识标准分考核标准序号项目作业步骤及标准安全或相关知识标准分考核标准一准备工作1.着装整齐,由两人完成。2、 根据被测设备额定电压选用仪表。3、 选用仪表专用线。4 、 准 备 其 她 用具。1)、使用基本安全用具:标示牌、验电器等。5、 记录用纸、笔等穿工作服,鞋,戴工作帽选 2500 V摇表。使用表计专用线或高强度绝缘多股软铜线。10分着 装 不 整齐一项扣 2分。选 表 错 误扣5分。未 使 用 专用 线 扣 2分。工 具 使 用不 当 一 次扣 2 分。缺 记 录 用具扣5分。二操作步骤1、实行安全措施。1 对被测电缆全部停电并实行安全措施。(电缆得另一端也必须做好安全防护措施)2 电缆停电后,先进行逐相放电,放电时间不得少于 1 分钟,电缆较长、容量 较 大 得 不 小 于 2 分钟。未 停 电 、检 电 接 地封 线 扣 10分。未 放 电 或放 电 不 彻底扣10分。二操作步骤1.擦净电缆线芯附近得污垢。2.用前对仪表进行检查。3.测量项目1) A 对B、C、地2) B 对 C 、 A 、地3) C 对 A 、 B 、地4) 不平衡系数5、 鉴定被测电缆绝缘值就就是否合格对摇表进行外观检查,应良好。事先校表,进行开路、短路试验。根据要求进行接线,应正确无误。如天气潮湿将被测相加屏蔽接于兆欧表得“G”端子上,将非被测相得两线芯连接再与电缆外皮连接后共同接地得 导 线 接 在 兆 欧 表 得“E”端子上;将一根测试 线 接 在 兆 欧 表 得“L”端子上,将“L”线用绝缘支持物挑起,转动摇表转速达到 120 转/分后,将“L”线与被测相线芯接触,待 1 分钟后(表计稳定后读数)记录其 绝 缘 电 阻 值 。 将“L”线撤离线芯后,再停止转动摇表,然后进行放电。三相之间,绝缘电阻值应比较一致;若不一致,不平 行 系 数 不 得 大 于2、5。这次测得得绝缘电阻值与上次所测得数值换算到同一温度下相比较,不得下降 30%以上。长度在 500 米及以下得10 K V 电力电缆,绝缘电阻在温度20℃时,最低合格值一般不应低于4 00 兆欧。8 0分未擦拭扣2分。未进行检查及试验扣5分。接线方法不正 确 扣 10分 , 仪 表 放置 不 平 稳 ,转速不够扣5 分,损坏仪表 扣 1 0分。读数不准 确 扣 5分 , 摇 测 缺项扣 10 分,测量完不记录 , 没 有 结果扣 5 分,摇测时间不够读 数 扣 ...

1、当您付费下载文档后,您只拥有了使用权限,并不意味着购买了版权,文档只能用于自身使用,不得用于其他商业用途(如 [转卖]进行直接盈利或[编辑后售卖]进行间接盈利)。
2、本站所有内容均由合作方或网友上传,本站不对文档的完整性、权威性及其观点立场正确性做任何保证或承诺!文档内容仅供研究参考,付费前请自行鉴别。
3、如文档内容存在违规,或者侵犯商业秘密、侵犯著作权等,请点击“违规举报”。

碎片内容

电缆直流耐压试验标准

您可能关注的文档

确认删除?
VIP
微信客服
  • 扫码咨询
会员Q群
  • 会员专属群点击这里加入QQ群
客服邮箱
回到顶部