电脑桌面
添加小米粒文库到电脑桌面
安装后可以在桌面快捷访问

给排水专业监理实施细则

给排水专业监理实施细则_第1页
1/21
给排水专业监理实施细则_第2页
2/21
给排水专业监理实施细则_第3页
3/21
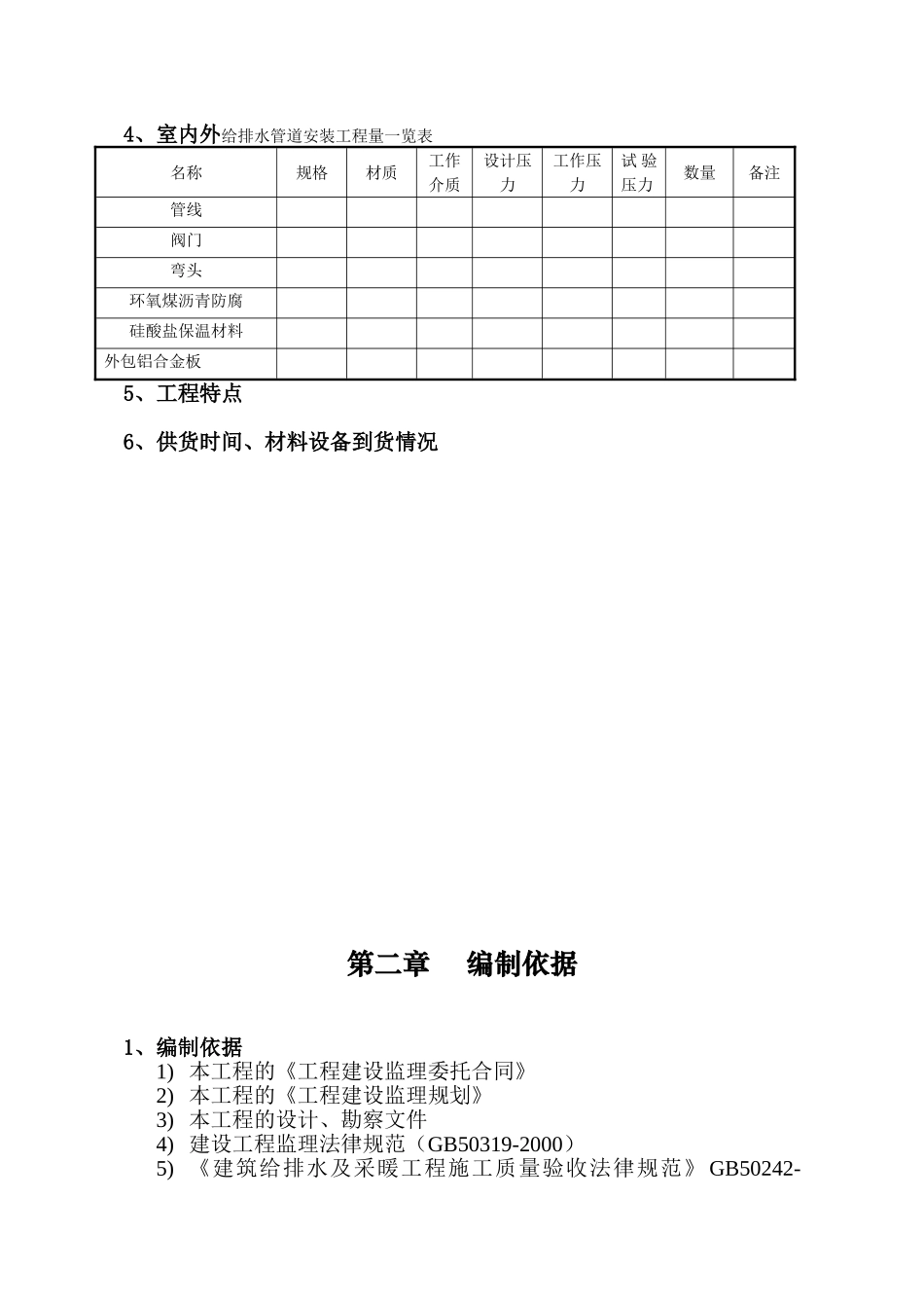
监理实施细则(给排水专业)目 录第一章 工程概况 ………………………………………………… 2第二章 编制依据 ……………………………………………………4第三章 监理工作流程 ………………………………………………5第四章 质量控制 ……………………………………………………9第五章 进度控制 ……………………………………………………16第六章 投资控制 ……………………………………………………18第七章 HSE 和文明施工监理 …………………………………………21第一章 工程概况1.工程名称、具体地址、工程类别、自然条件工程名称:具体地址:装置组成: 2.工程参建单位建设单位: 设计单位:监理单位:质量监督部门: 主要施工单位: 3.本专业工程合同开、竣工时间、合同工期合同开工日期:合同竣工日期: 合同工期:4、室内外给排水管道安装工程量一览表名称规格材质工作介质设计压力工作压力试 验压力数量备注管线阀门弯头环氧煤沥青防腐硅酸盐保温材料外包铝合金板5、工程特点6、供货时间、材料设备到货情况第二章 编制依据1、编制依据1) 本工程的《工程建设监理委托合同》2) 本工程的《工程建设监理规划》3) 本工程的设计、勘察文件4) 建设工程监理法律规范(GB50319-2000)5) 《建筑给排水及采暖工程施工质量验收法律规范》 GB50242-2025;《给排水管道工程施工及验收法律规范》GB50268-97《建筑排水硬聚氯乙烯管道工程技术规程》CJJ/T29-98;《中华人民共和国石油化工行业标准》SH3533-2025《建筑给水铝塑复合管管道工程技术规程》CECS105:2000;等现行的施工质量验收法律规范、标准等。6) 石油化工施工安全技术规程(SH3505-1999)、建设工程施工现场供用电安全法律规范(GB50194-93)、建筑施工高出作业安全技术法律规范(JGJ80-91)、建筑施工安全检查标准(JGJ59-99)、建设工程安全生产管理条例等安全管理法律规范和条例。第三章监理工作流程1、质量控制监理工作流程NOYES YESNO 设计交底和图纸会审执行图纸会审管理程序室内给排水管道安装检查监理工程师卫生器具安装检 查监理工程师设计变更审查执行设计变更管理程序施工方案审查执行施工方案审批程序材料、设备交接检查执行设备材料进场检验程序人员培训考核、修改计划承包商审查承包商人员资质资源计划监理工程师上报人员资质资源计划承包商自 身 准 备 工 作监理工程师审查承包商质量保证体系文件监理工程师上报质量保证体系文...

1、当您付费下载文档后,您只拥有了使用权限,并不意味着购买了版权,文档只能用于自身使用,不得用于其他商业用途(如 [转卖]进行直接盈利或[编辑后售卖]进行间接盈利)。
2、本站所有内容均由合作方或网友上传,本站不对文档的完整性、权威性及其观点立场正确性做任何保证或承诺!文档内容仅供研究参考,付费前请自行鉴别。
3、如文档内容存在违规,或者侵犯商业秘密、侵犯著作权等,请点击“违规举报”。

碎片内容

给排水专业监理实施细则

确认删除?
VIP
微信客服
  • 扫码咨询
会员Q群
  • 会员专属群点击这里加入QQ群
客服邮箱
回到顶部