电脑桌面
添加小米粒文库到电脑桌面
安装后可以在桌面快捷访问

给水管道工程施工监理实施细则

给水管道工程施工监理实施细则_第1页
1/23
给水管道工程施工监理实施细则_第2页
2/23
给水管道工程施工监理实施细则_第3页
3/23
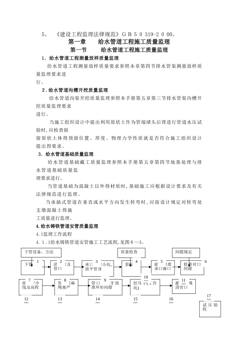
济源市高新技术产业聚集区七号路供水工程监理细则编制: 王亚军审核: 济源市规划建筑设计院有限公司 2014 年 7 月 1 日一、工程概况与监理依据一工程概况1、工程名称:济源市高新技术产业聚集区七号路供水工程2、建设地点:高新技术产业聚集区五号路---开南路3、建设单位:济源市住建局4、设计单位:郑州市市政工程勘测设计讨论院 5、施工单位: 济源市管养公司6、监理单位:济源市规划建筑设计院有限公司7、该工程南起五号路,起点桩号为 0+016,北至开南路,终点桩号为 1+7 37,全长1 72 1米,道路红线宽36米,沿线与四号路、三号路、二号路、一号路、南环路相交,各个路口均预留接口。本次设计给水管均采纳 K9 球墨铸铁管材。管道设计工作压力为 0、4MP a,试验压力为 0、8MPa。管道基础均采纳素土基础,要求地基承载力为不低于 200 KP,管顶覆土高度不小于 1000㎜;要求在施工中严格执行《地基与基础工程施工及验收法律规范》与《给水排水管道工程施工及验收法律规范》得要求,在管道回填土施工过程中,必须分层夯实,保证压实系数大于 0、9。二:监理依据 1、 济源市高新技术产业聚集区七号路供水工程得施工图纸与设计文件、 2、 《给水排水管道工程施工及验收法律规范》G B 50 26 8-97、 3、 《混凝土结构工程施工质量验收法律规范》GB502 04-2025、4、 城市供水排水工程建设标准强制性条文、5、 《建设工程监理法律规范》GB50 319-2 0 00、第一章 给水管道工程施工质量监理第一节 给水管道工程施工质量监理 1.给水管道工程测量放样质量监理 给水管道工程测量放样质量要求参照本章第四节排水管渠测量放样质量监理要求进行。 2.给水管道沟槽开挖质量监理 给水管道沟渠开挖质量监理参照本手册第五章第三节排水管渠沟槽开挖质量监理要求进行。 当施工组织设计中提出利用原状土作为管端堵头后背进行管道水压试验时,应检查损留原状土体得预留位置、厚度、物理力学性质就是否符合施工组织设计提出得要求。 3.给水管道基础质量监理 给水管道基础藏工质量监理参照本手册第五章第四节地基处理与排水管道基础质量监理要求进行。 当管道基础为混凝土以外得材质时,基础施工应根据设计要求及有关法律规范进行监理。当承插式管道在垂直或水平方向发生转弯时 ,应按设计规定对转弯处支墩混凝土得施工质量进行监理。4.给水铸铁管道安管质量监理4.1监理工作流程4.1.1给水铸铁管道安管施工工艺流程,...

1、当您付费下载文档后,您只拥有了使用权限,并不意味着购买了版权,文档只能用于自身使用,不得用于其他商业用途(如 [转卖]进行直接盈利或[编辑后售卖]进行间接盈利)。
2、本站所有内容均由合作方或网友上传,本站不对文档的完整性、权威性及其观点立场正确性做任何保证或承诺!文档内容仅供研究参考,付费前请自行鉴别。
3、如文档内容存在违规,或者侵犯商业秘密、侵犯著作权等,请点击“违规举报”。

碎片内容

给水管道工程施工监理实施细则

您可能关注的文档

确认删除?
VIP
微信客服
  • 扫码咨询
会员Q群
  • 会员专属群点击这里加入QQ群
客服邮箱
回到顶部