电脑桌面
添加小米粒文库到电脑桌面
安装后可以在桌面快捷访问

老挝钢铁项目一期工程监理月报

老挝钢铁项目一期工程监理月报_第1页
1/7
老挝钢铁项目一期工程监理月报_第2页
2/7
老挝钢铁项目一期工程监理月报_第3页
3/7
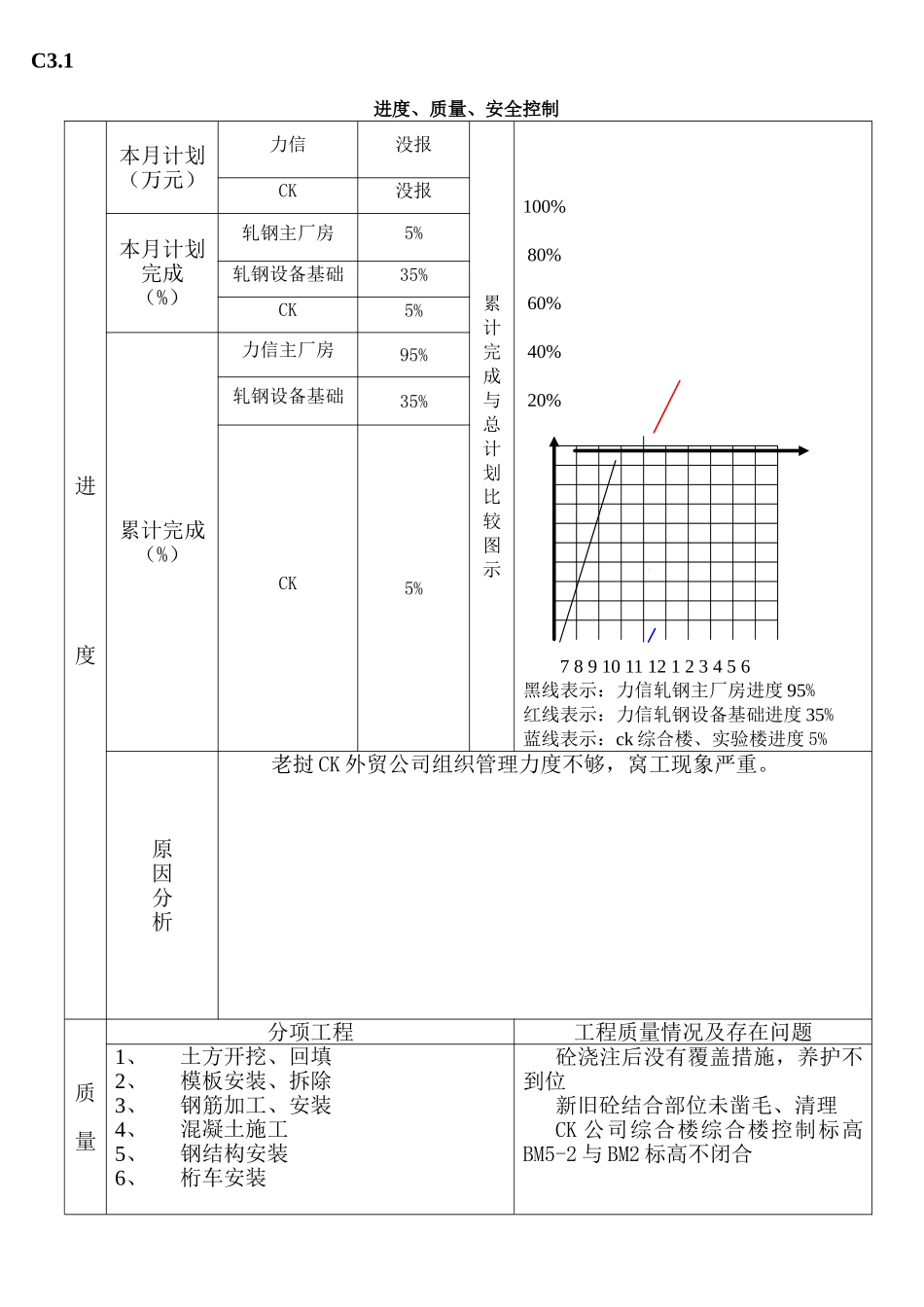
编号:06监 理 月 报工程名称 老挝钢铁项目一期工程 建设单位 老挝钢铁有限公司 总承包单位 中国上海外经(集团)有限公司 分包单位 云南昆钢力信钢结构有限公司 分包单位 CK 公司 第 六 期 2025 年 12 月 1 日至 2025 年 12 月 31 日编 制 人 总监理工程师 桂 斌 监理单位(章)武汉星宇监理公司老挝项目监理部 报告日期 2025 年 12 月 31 日C3.1 进度、质量、安全控制进度本月计划(万元)力信没报累计完成与总计划比较图示 100% 80% 60% 40% 20% 7 8 9 10 11 12 1 2 3 4 5 6 黑线表示:力信轧钢主厂房进度 95%红线表示:力信轧钢设备基础进度 35%蓝线表示:ck 综合楼、实验楼进度 5%CK没报本月计划完成(%)轧钢主厂房5%轧钢设备基础35%CK5%累计完成(%)力信主厂房95%轧钢设备基础35%CK5%原因分析老挝 CK 外贸公司组织管理力度不够,窝工现象严重。质量分项工程工程质量情况及存在问题1、土方开挖、回填2、模板安装、拆除3、钢筋加工、安装4、混凝土施工5、钢结构安装6、桁车安装砼浇注后没有覆盖措施,养护不到位新旧砼结合部位未凿毛、清理CK 公司综合楼综合楼控制标高BM5-2 与 BM2 标高不闭合安全本月事故(次)累计事故(次)当月安全施工天数累计安全施工天数备注0031160C3.2监 理 工 作 统 计序号项目名称单位本年度开工以来总计本月累计1监理会议次416162审批施工组织设计(方案)次144提出建议和意见条0003发出监理工程师通知单指令及监理联系单(不含第 8 项)次422224审定分包单位家0005原材料审批次1116构配件审批次0337设备审批台0008发出工程暂停令次0009监理工程师检查记录次41216旁站记录次41515监理复试次00010监理见证取样次11111考察施工单位试验室次00012考察生产厂家次00013监理专题报告次000提出建议和意见条00014工程计量、支付签证次000C3.3 简 要 说 明 本月工程情况评述:进度:一、云南昆钢力信钢结构有限公司土建:1、精整区设备基础施工完;2、冷床基础施工已完成;3、轧机区:①、冲渣沟施工完;②、1#、2#、3#轧机基础±0.000m 以下已完成, ±0.000m 至+4.024m 正在施工;4、平流池支模、砼浇筑至-5.60m;5、煤气发生站垫层浇筑已完成,基础钢筋开始绑扎;6、空压站钢筋、模板安装,预埋螺栓开始安装7、精整、冷床区电缆沟、液压沟、排水沟正在施工;8、主厂房-1.3m 至+1.5m 外墙砌体已完成;9、综合楼基础梁砼浇筑已完成,室...

1、当您付费下载文档后,您只拥有了使用权限,并不意味着购买了版权,文档只能用于自身使用,不得用于其他商业用途(如 [转卖]进行直接盈利或[编辑后售卖]进行间接盈利)。
2、本站所有内容均由合作方或网友上传,本站不对文档的完整性、权威性及其观点立场正确性做任何保证或承诺!文档内容仅供研究参考,付费前请自行鉴别。
3、如文档内容存在违规,或者侵犯商业秘密、侵犯著作权等,请点击“违规举报”。

碎片内容

老挝钢铁项目一期工程监理月报

领读文化+ 关注
实名认证
内容提供者

传播文化,铸就未来

确认删除?
VIP
微信客服
  • 扫码咨询
会员Q群
  • 会员专属群点击这里加入QQ群
客服邮箱
回到顶部