电脑桌面
添加小米粒文库到电脑桌面
安装后可以在桌面快捷访问

计算机维护投标技术文件

计算机维护投标技术文件_第1页
1/35
计算机维护投标技术文件_第2页
2/35
计算机维护投标技术文件_第3页
3/35
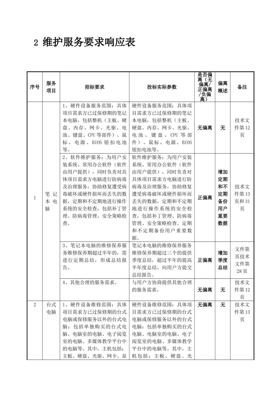
目录1 技术参数响应情况.............................................................................................................................22 维护服务要求响应表.........................................................................................................................33 维护服务目标及服务范围...............................................................................................................123.1 维护服务目标.........................................................................................................................123.2 维护服务范围.........................................................................................................................123.2.1 笔记本电脑...............................................................................................................123.2.2 台式计算机...............................................................................................................133.2.3 软件维护服务...........................................................................................................134 维护服务质量保证措施...................................................................................................................144.1 质量控制...............................................................................................................................144.2 维护组织架构.........................................................................................................................144.3 维护成员职责.........................................................................................................................154.4 维护保养服务价格.................................................................................................................164.5 响应、处理时限.....................................................................................................................164.5.1 技术支持服务...............................................

1、当您付费下载文档后,您只拥有了使用权限,并不意味着购买了版权,文档只能用于自身使用,不得用于其他商业用途(如 [转卖]进行直接盈利或[编辑后售卖]进行间接盈利)。
2、本站所有内容均由合作方或网友上传,本站不对文档的完整性、权威性及其观点立场正确性做任何保证或承诺!文档内容仅供研究参考,付费前请自行鉴别。
3、如文档内容存在违规,或者侵犯商业秘密、侵犯著作权等,请点击“违规举报”。

碎片内容

计算机维护投标技术文件

确认删除?
VIP
微信客服
  • 扫码咨询
会员Q群
  • 会员专属群点击这里加入QQ群
客服邮箱
回到顶部