电脑桌面
添加小米粒文库到电脑桌面
安装后可以在桌面快捷访问

通信工程质量监督管理流程表格样本

通信工程质量监督管理流程表格样本_第1页
1/23
通信工程质量监督管理流程表格样本_第2页
2/23
通信工程质量监督管理流程表格样本_第3页
3/23
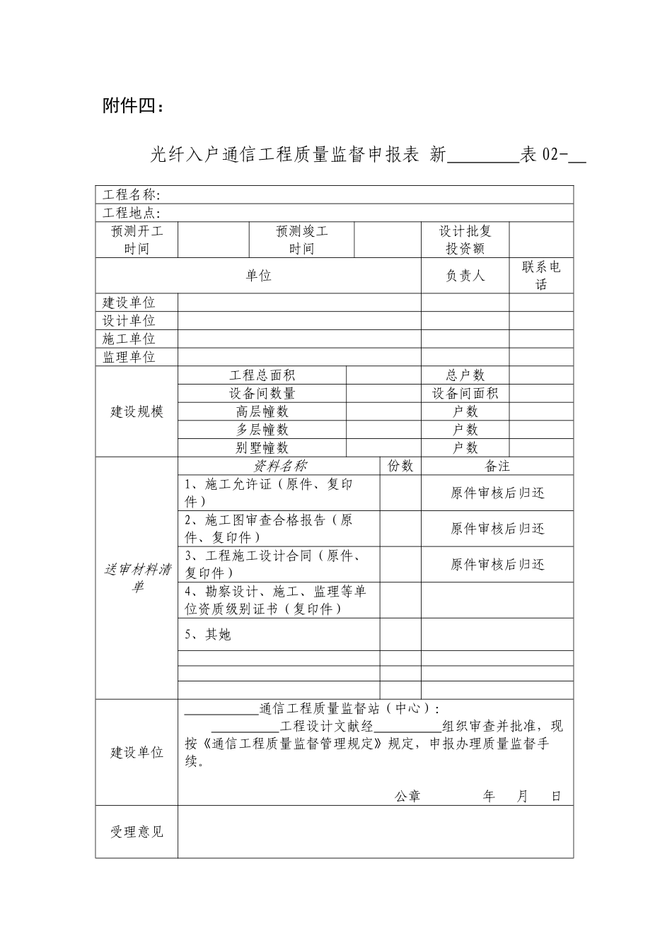
附件一:光纤入户通信工程质监工作流程附件四: 光纤入户通信工程质量监督申报表 新 表 02- 工程名称:工程地点:预测开工时间预测竣工时间设计批复投资额单位负责人联系电话建设单位 设计单位 施工单位 监理单位 建设规模工程总面积 总户数 设备间数量 设备间面积 高层幢数 户数 多层幢数 户数 别墅幢数 户数 送审材料清单资料名称份数备注1、施工允许证(原件、复印件) 原件审核后归还2、施工图审查合格报告(原件、复印件) 原件审核后归还3、工程施工设计合同(原件、复印件) 原件审核后归还4、勘察设计、施工、监理等单位资质级别证书(复印件) 5、其她 建设单位 通信工程质量监督站(中心): 工程设计文献经 组织审查并批准,现按《通信工程质量监督管理规定》规定,申报办理质量监督手续。 公章 年 月 日受理意见阐明:此表一式三份,建设单位、质监单位、备案管理部门各一份附件五:光纤入户通信工程质量监督告知书 新 表 03- : 工程质量监督申报材料收悉,现将详细事项告知如下:一、本工程质量监督受理号: ,监督负责人为 ,联系电话: 。二、本工程监督方式及详细事项如下:1、请建设单位、监理单位及时将工程进展状况通报我站(中心);2、参建单位要积极配合质监人员进行现场检查;3、如发生质量事故,需将状况及时报知我站(中心);4、参建单位应向我站(中心)提供真实、精确、完整信息和资料;5、本告知书发建设单位、施工单位和监理单位各一份(由建设单位转交);6、投诉电话 ;7、其她规定: 质监单位(公章) 年 月 日阐明:此表一式五份,建设单位、施工单位、监理单位、质监单位、备案管理部门各一份。附件六: 光纤入户通信工程竣工验收申报表 新 表 04- 工程名称开工时间工程地点竣工时间质监受理号单位负责人联系电话建设单位设计单位施工单位监理单位建设规模工程总面积 总户数 设备间数量 设备间面积 高层幢数 户数 多层幢数 户数 别墅幢数 户数 送审材料清单:目录份数目录份数1、工程自检报告2、安装工程量3、工程阐明4、设备、器材明细表,出厂合格证、产品生产允许证,安装技术文献和认证标志5、竣工图纸6、管道测试记录7、光缆光衰测试记录8、配纤表9、随工验收记录10、隐蔽工程签证11、工程变更、检查记录及施工中洽商记录12、其她有关资料:建设单位 通信工程质量监督站(中心): 工程经自检查收合格,现按《通信工程质量监督管理规定》...

1、当您付费下载文档后,您只拥有了使用权限,并不意味着购买了版权,文档只能用于自身使用,不得用于其他商业用途(如 [转卖]进行直接盈利或[编辑后售卖]进行间接盈利)。
2、本站所有内容均由合作方或网友上传,本站不对文档的完整性、权威性及其观点立场正确性做任何保证或承诺!文档内容仅供研究参考,付费前请自行鉴别。
3、如文档内容存在违规,或者侵犯商业秘密、侵犯著作权等,请点击“违规举报”。

碎片内容

通信工程质量监督管理流程表格样本

一帆文传+ 关注
实名认证
内容提供者

欢迎光临店铺,各类公文供您挑选。

相关文档

确认删除?
VIP
微信客服
  • 扫码咨询
会员Q群
  • 会员专属群点击这里加入QQ群
客服邮箱
回到顶部