电脑桌面
添加小米粒文库到电脑桌面
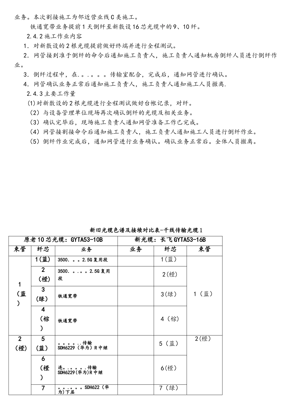
安装后可以在桌面快捷访问

通信光缆割接施工方案

通信光缆割接施工方案_第1页
1/18
通信光缆割接施工方案_第2页
2/18
通信光缆割接施工方案_第3页
3/18
目 录1 编制依据及原则..........................................................— 1 -1。1 编制依据...........................................................— 1 —1。2 编制原则.............................................................- 1 -2 施工项目基本情况.......................................................— 1 —2.1 新敷设光缆情况......................................................— 1 —2。2 本方案所涉及割接光缆的纤芯现有业务...................................- 2 -2.3 倒环保护..............................................................- 2 -2.4 割接施工范围及主要工程量.............................................— 3 -3 技术标准................................................................— 5 -4 运输条件................................................................— 5 -5 管理目标...............................................................— 6 —5。1 安全管理目标........................................................- 6 —5.2 质量管理目标..........................................................- 6 -6 施工组织体系............................................................- 6 —6.1 施工组织体系........................................................— 6 —6。2 施工组织机构.......................................................— 7 —7 施工组织................................................................- 8 —7。1 人员组织安排.......................................................- 8 —7.2 割接人员安排.........................................................— 8 -7。3 防护人员安排........................................................- 11 -7。4 相关配合单位(车间)、配合内容、配合人员...........................- 11 —8 施工准备................................................................- 13 -8.1 施工仪器仪表准备.....................................................- 13 -8.2 施工材料准备........................................................- 13 —8.3 防护用品配...

1、当您付费下载文档后,您只拥有了使用权限,并不意味着购买了版权,文档只能用于自身使用,不得用于其他商业用途(如 [转卖]进行直接盈利或[编辑后售卖]进行间接盈利)。
2、本站所有内容均由合作方或网友上传,本站不对文档的完整性、权威性及其观点立场正确性做任何保证或承诺!文档内容仅供研究参考,付费前请自行鉴别。
3、如文档内容存在违规,或者侵犯商业秘密、侵犯著作权等,请点击“违规举报”。

碎片内容

通信光缆割接施工方案

确认删除?
VIP
微信客服
  • 扫码咨询
会员Q群
  • 会员专属群点击这里加入QQ群
客服邮箱
回到顶部