电脑桌面
添加小米粒文库到电脑桌面
安装后可以在桌面快捷访问

钢筋闪光对焊施工工艺

钢筋闪光对焊施工工艺_第1页
1/6
钢筋闪光对焊施工工艺_第2页
2/6
钢筋闪光对焊施工工艺_第3页
3/6
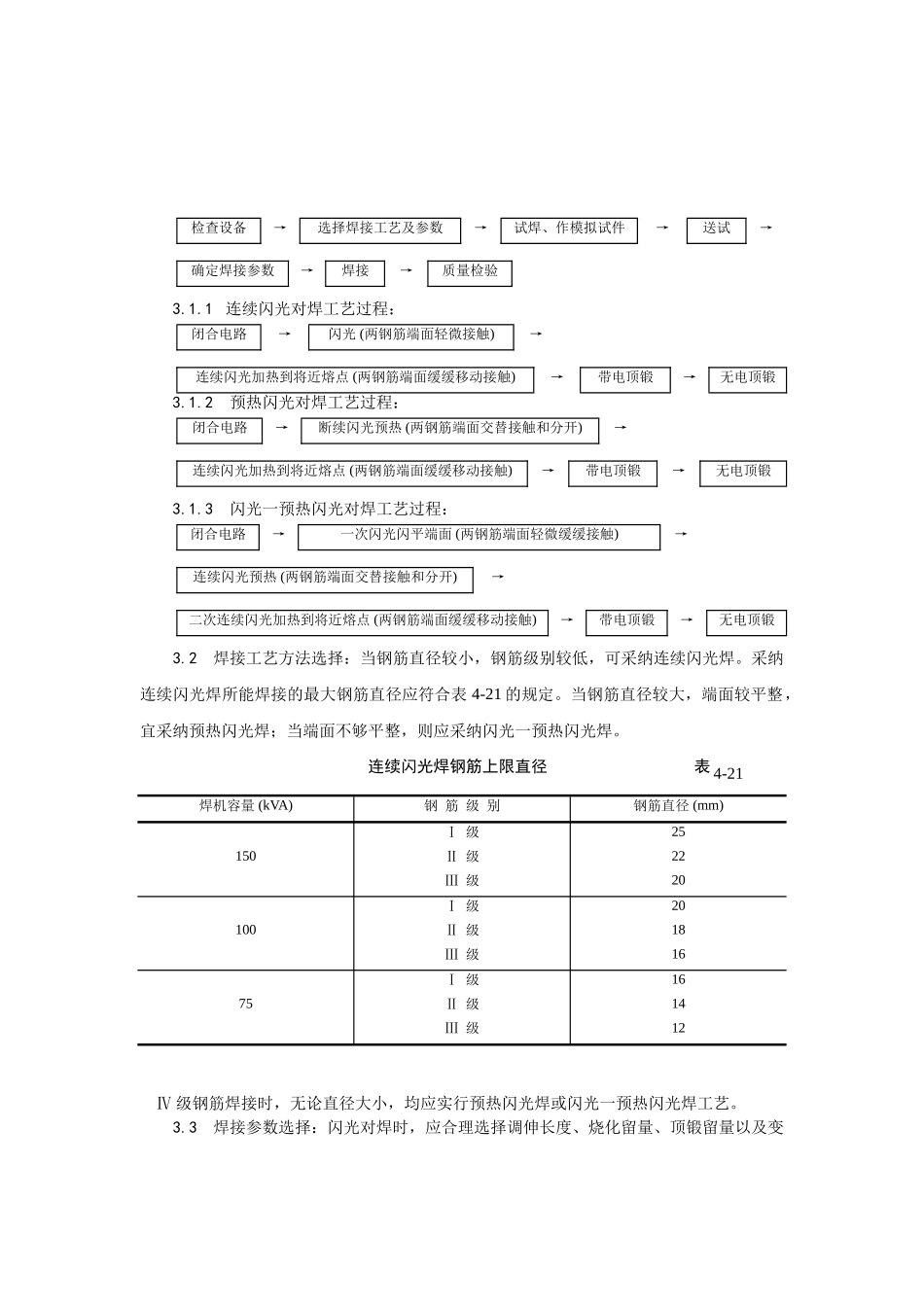
钢筋闪光对焊1 范围 本工艺标准适用于工业与民用建筑热轧钢筋的连续闪光焊、预热闪光焊、闪光一预热闪光焊。2 施工准备 2.1 材料及主要机具: 2.1.1 钢筋:钢筋的级别、直径必须符合设计要求,有出厂证明书及复试报告单。进口钢筋还应有化学复试单,其化学成分应满足焊接要求,并应有可焊性试验。 2.1.2 主要机具:对焊机及配套的对焊平台、防护深色眼镜、电焊手套、绝缘鞋、钢筋切断机、空压机、水源、除锈机或钢丝刷、冷拉调直作业线。 常用对焊机主要技术数据见表 4-20。 常用对焊机主要技术数据 表 4-20焊机型号UN1—50UN1—75UN1—100UN2—150UN17—150—1动夹具传动方式杠杆挤压弹簧 (人力操纵)电动机凸轮气—液压额定容量kVA5075100150150负载持续率%2520202050电源电压V220/380220/380380380380次级电压调节范围V2.9~5.03.52~7.044.5~7.64.05~8.103.8~7.6次级电压调节级数6881616连续闪光焊钢筋大直径mm10~1212~1616~2020~2520~25预热闪光焊钢筋最大直径20~2232~36404040每小时最大焊接件数507520~3080120冷却水消耗量L/h200200200200600压缩空气压力MPa0.550.6压缩空气消耗量m3/h155 2.2 作业条件: 2.2.1 焊工必须持有有效的考试合格证。 2.2.2 对焊机及配套装置、冷却水、压缩空气等应符合要求。 2.2.3 电源应符合要求,当电源电压下降大于 5%,小于 8%时,应实行适当提高焊接变压器级数的措施;大于 8%时,不得进行焊接。 2.2.4 作业场地应有安全防护设施,防火和必要的通风措施,防止发生烧伤、触电及火灾等事故。 2.2.5 熟悉料单,弄清接头位置,做好技术交底。3 操作工艺工艺流程:检查设备→选择焊接工艺及参数→试焊、作模拟试件→送试→确定焊接参数→焊接→质量检验 3.1.1 连续闪光对焊工艺过程:闭合电路→闪光 (两钢筋端面轻微接触)→连续闪光加热到将近熔点 (两钢筋端面缓缓移动接触)→带电顶锻→无电顶锻 3.1.2 预热闪光对焊工艺过程:闭合电路→断续闪光预热 (两钢筋端面交替接触和分开)→连续闪光加热到将近熔点 (两钢筋端面缓缓移动接触)→带电顶锻→无电顶锻 3.1.3 闪光一预热闪光对焊工艺过程:闭合电路→一次闪光闪平端面 (两钢筋端面轻微缓缓接触)→连续闪光预热 (两钢筋端面交替接触和分开)→二次连续闪光加热到将近熔点 (两钢筋端面缓缓移动接触)→带电顶锻→无电顶锻 3.2 焊接工艺方法选择:当钢筋直径较小,钢筋级别较低,可采纳连续闪光焊。采纳连...

1、当您付费下载文档后,您只拥有了使用权限,并不意味着购买了版权,文档只能用于自身使用,不得用于其他商业用途(如 [转卖]进行直接盈利或[编辑后售卖]进行间接盈利)。
2、本站所有内容均由合作方或网友上传,本站不对文档的完整性、权威性及其观点立场正确性做任何保证或承诺!文档内容仅供研究参考,付费前请自行鉴别。
3、如文档内容存在违规,或者侵犯商业秘密、侵犯著作权等,请点击“违规举报”。

碎片内容

钢筋闪光对焊施工工艺

您可能关注的文档

确认删除?
VIP
微信客服
  • 扫码咨询
会员Q群
  • 会员专属群点击这里加入QQ群
客服邮箱
回到顶部