电脑桌面
添加小米粒文库到电脑桌面
安装后可以在桌面快捷访问

钻孔桩水下混凝土记录表

钻孔桩水下混凝土记录表_第1页
1/13
钻孔桩水下混凝土记录表_第2页
2/13
钻孔桩水下混凝土记录表_第3页
3/13
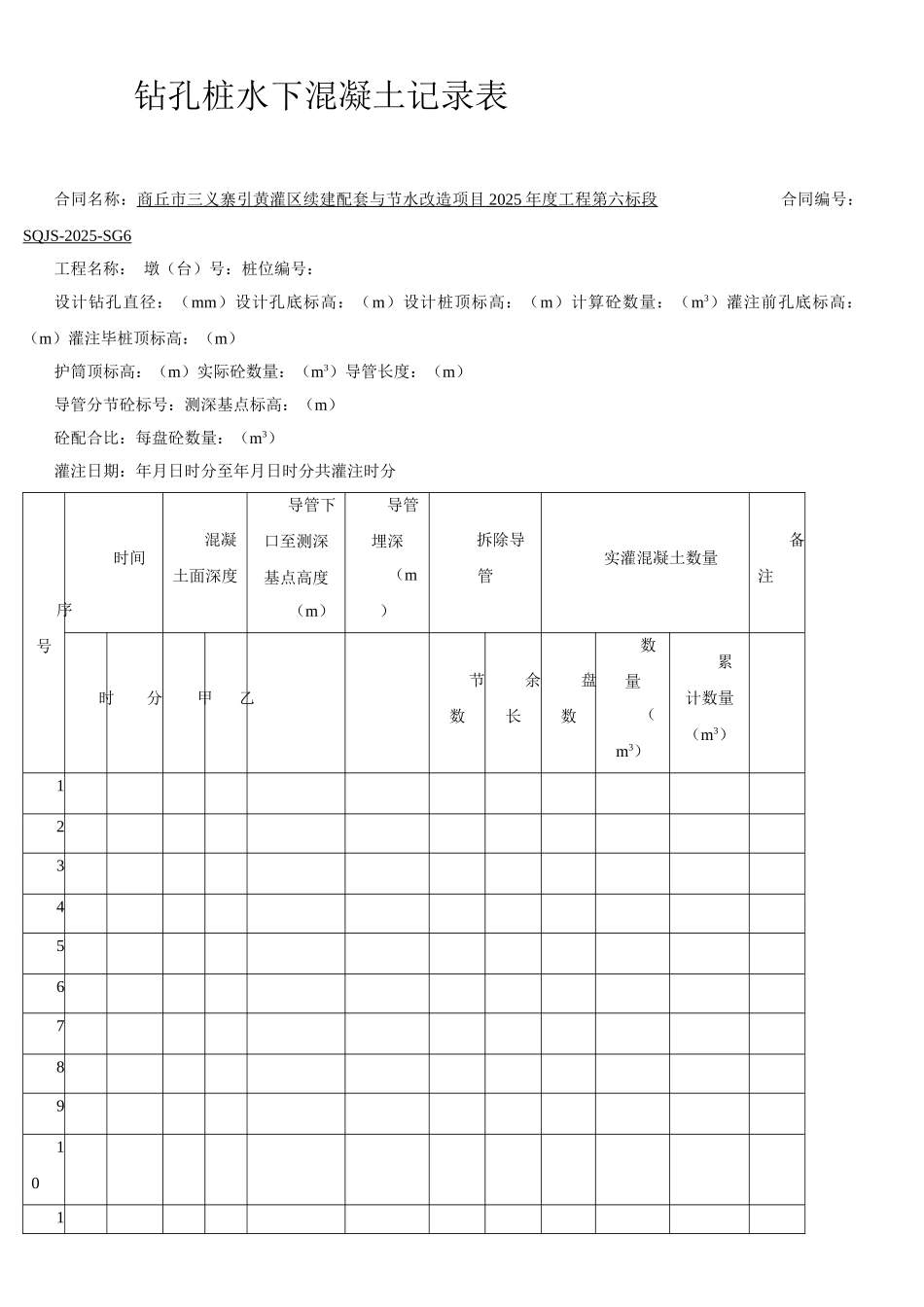
钻孔桩水下混凝土记录表合同名称:商丘市三义寨引黄灌区续建配套与节水改造项目 2025 年度工程第六标段 合同编号:SQJS-2025-SG6 工程名称: 墩(台)号:桩位编号:设计钻孔直径:(mm)设计孔底标高:(m)设计桩顶标高:(m)计算砼数量:(m3)灌注前孔底标高:(m)灌注毕桩顶标高:(m)护筒顶标高:(m)实际砼数量:(m3)导管长度:(m)导管分节砼标号:测深基点标高:(m)砼配合比:每盘砼数量:(m3)灌注日期:年月日时分至年月日时分共灌注时分序号时间混凝土面深度导管下口至测深基点高度(m)导管埋深(m)拆除导管实灌混凝土数量备注时分甲乙节数余长盘数数量(m3)累计数量(m3)1234567891011121314试验者:复核:施工负责人:监理员:钻孔桩成桩检验记录表合同名称:商丘市三义寨引黄灌区续建配套与节水改造项目 2025 年度工程第六标段合同编号:SQJS-2025-SG6工程名称桥梁工程日期 年 月日墩台号桩号设计桩顶标高(m)设计桩底标高(m)设计桩长(m)实际桩顶标高(m)实际桩底标高(m)实际桩长(m)切除(m)每 m3砼中含各种材料数量粗骨料(kg)水泥(kg)砂(kg)水(kg)设计砼体积(m3)掺加剂实际砼体积(m3)砼浇筑时间(h)坍落度(mm)123钢筋笼偏心值(mm)质量问题记事及描述设计砼强度(MPa)7 天强度(MPa)28 天强度(MPa)无破损检测方法无破损检测结果记录施工负责人签字监理员签字混 凝 土 拌 和 物 坍 落 度 试 验 记 录合 同 名 称 : 商 丘 市 三 义 寨 引 黄 灌 区 续 建 配 套 与 节水 改 造 项 目 2025 年 度 工 程 第 六 标 段 合 同 编 号 : SQJS-2025-SG6 结构物名称:水下砼灌注桩取样日期:年月日取样地点坍落度(mm )平均值(mm )评定情况12即 坍 落 度平均值棍速含砂情况保水性粘聚性出料口中中无良好出料口中中无良好出料口中中无良好试验:计算:复核:审核:监理工程师:试验日期: 年月日泥 浆 性 能 试 验 记 录合 同 名 称 : 商 丘 市 三 义 寨 引 黄 灌 区 续 建 配 套 与 节水 改 造 项 目 2025 年 度 工 程 第 六 标 段 合 同 编 号 : SQJS-2025-SG6工程 名 称桥梁工程分 项工 程桩孔 编 号日 期 年月日试 验 项 目相 对 密 度 (g/cm3)粘 度 η静 切 力 θ含 砂 率 (%)胶 体 力 (%)失 水 率 (ml/30min)酸 碱 度备 注试 验 : 计 算 : 复 核 : 审 核...

1、当您付费下载文档后,您只拥有了使用权限,并不意味着购买了版权,文档只能用于自身使用,不得用于其他商业用途(如 [转卖]进行直接盈利或[编辑后售卖]进行间接盈利)。
2、本站所有内容均由合作方或网友上传,本站不对文档的完整性、权威性及其观点立场正确性做任何保证或承诺!文档内容仅供研究参考,付费前请自行鉴别。
3、如文档内容存在违规,或者侵犯商业秘密、侵犯著作权等,请点击“违规举报”。

碎片内容

钻孔桩水下混凝土记录表

您可能关注的文档

确认删除?
VIP
微信客服
  • 扫码咨询
会员Q群
  • 会员专属群点击这里加入QQ群
客服邮箱
回到顶部