电脑桌面
添加小米粒文库到电脑桌面
安装后可以在桌面快捷访问

钻孔灌注桩技术交底

钻孔灌注桩技术交底_第1页
1/7
钻孔灌注桩技术交底_第2页
2/7
钻孔灌注桩技术交底_第3页
3/7
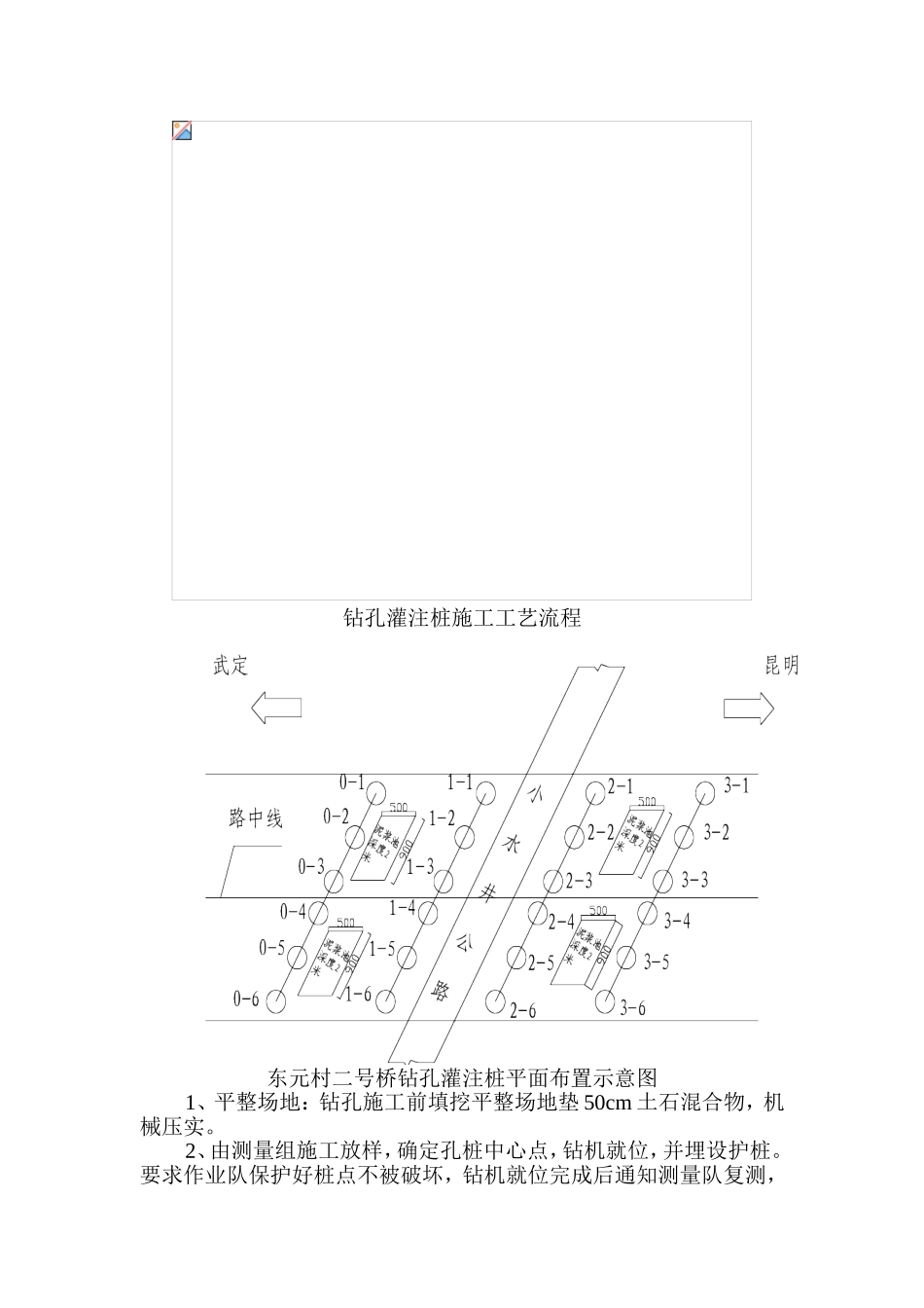
技 术 交 底 书编 号:DY2-01 工 程 位 置K40+600工 程 名 称东元村二号中桥交底工程项目钻孔灌注桩交 底 日 期2010 年 3 月 5 日交 底 内 容 及 附 图(表)目录1、钻孔所含工作内容2、东元村二号桥孔桩基础工程概况3、作业顺序4、施工方法5、钻孔灌注桩报检内容、报检程序规定及相关作业标准6、资源配置7、进度计划8、施工安全及环、水保注意事项附表:钻孔记录表交底复核总工监理接收: 一、钻孔所含工作内容人员与机械组织、场地平整、钻机就位、埋设护筒、桩点保护、钻孔、泥浆制造、施工用水引入、声测管(灌水,保证在检测时通畅)、清孔、混凝土灌注(配合泥浆检测)、配合桩基成孔检测、破桩头,配合管理人员的各项检查。二、东元村二号桥桩基础工程概况1、设计地质情况:上覆地层由第四系冲洪积亚粘土、粘土、园砾土组成,软塑状亚粘土、粘土厚度约为 8.3 米,可塑状亚粘土、粘土厚度约为 5.3 米,园砾土厚度大于 1.5 米,下伏基岩由二叠系统阳新组白云质灰岩、侵入岩辉绿岩组成,白色白云质灰岩埋深于地下约 14 米。2、工程位置:右幅起点 K40+568.48,右幅止点 K40+622.06 左幅起点 K40+577.94,左幅止点 K40+631.523、水源:施工用水可通过与当地居民或居委会协调,就近利用灌溉水渠(沟)引至施工场地。4、东元村二号桥孔桩设计结构尺寸及工程数量:孔桩结构尺寸左幅桩径 cm桩长 m右幅桩径cm桩长 m0-1140240-4140240-2140240-5140240-3140240-6140241-1140201-4140201-2140201-5140201-3140201-6140202-1140202-4140202-2140202-5140202-3140202-6140203-1140243-4140243-2140243-5140243-3140243-614024汇总钻孔灌注桩径 φ140㎝共长 528 米三、作业顺序根据同排孔桩间隔跳打的原则进行施工,如(0-1→0-3→0-5→0-2→0-4→0-6)。1 号钻机从 0#台孔桩开始施工,2 号钻机从 2#墩孔桩开始施工。四、施工方法钻孔灌注桩施工工艺流程东元村二号桥钻孔灌注桩平面布置示意图1、平整场地:钻孔施工前填挖平整场地垫 50cm 土石混合物,机械压实。2、由测量组施工放样,确定孔桩中心点,钻机就位,并埋设护桩。要求作业队保护好桩点不被破坏,钻机就位完成后通知测量队复测,确保桩中心和护筒中心重合。3、施工前作好孔内造浆,泥浆循环池。4、钢护筒直径大于钻孔桩设计直径 20cm,护筒埋置深度为 2~4m。护筒连接处要求筒内无突出物,抗拉、抗压, 不漏水,护筒顶面高出地表面不小...

1、当您付费下载文档后,您只拥有了使用权限,并不意味着购买了版权,文档只能用于自身使用,不得用于其他商业用途(如 [转卖]进行直接盈利或[编辑后售卖]进行间接盈利)。
2、本站所有内容均由合作方或网友上传,本站不对文档的完整性、权威性及其观点立场正确性做任何保证或承诺!文档内容仅供研究参考,付费前请自行鉴别。
3、如文档内容存在违规,或者侵犯商业秘密、侵犯著作权等,请点击“违规举报”。

碎片内容

钻孔灌注桩技术交底

您可能关注的文档

阳光书坊+ 关注
实名认证
内容提供者

阳光书坊,传播未来

确认删除?
VIP
微信客服
  • 扫码咨询
会员Q群
  • 会员专属群点击这里加入QQ群
客服邮箱
回到顶部