电脑桌面
添加小米粒文库到电脑桌面
安装后可以在桌面快捷访问

钻孔灌注桩质量监理实施细则

钻孔灌注桩质量监理实施细则_第1页
1/6
钻孔灌注桩质量监理实施细则_第2页
2/6
钻孔灌注桩质量监理实施细则_第3页
3/6
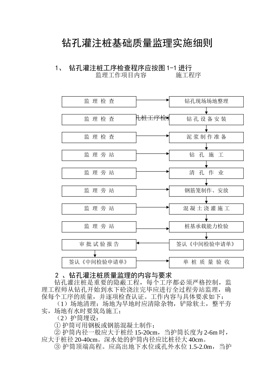
监 理 旁 站钻孔灌注桩基础质量监理实施细则1、 钻孔灌注桩工序检查程序应按图 1-1 进行监理工作项目内容 施工程序图 1-1 钻孔桩工序检查程序图2 、钻孔灌注桩质量监理的内容与要求钻孔灌注桩是重要的隐蔽工程,每个工序都必须严格控制,监理工程师从钻孔开始到水下砼浇注完毕应进行全过程旁站监理,确保每个工序的质量,并逐项检查认证。工作内容与具体要求如下:(1)场地清理:场地为旱地时应清除杂物,铲除软土,整平夯实,场地有水时要筑岛施工;(2)护筒埋设:① 护筒可用钢板或钢筋混凝土制作;② 护筒内径一般应大于桩经 15-20cm,当护筒长度为 2-6m 时,应大于桩径 20-40cm。深水处的护筒内径应比桩径大 40cm。③ 护筒顶端高程。应高出地下水位或孔外水位 1.5-2.0m,当护审 批 试 验 报 告监 理 检 查钻孔现场场地整理监 理 检 查钻 孔 设 备 安 装监 理 检 查泥 浆 制 作 准 备监 理 旁 站钻 孔 施 工监 理 旁 站监 理 旁 站监 理 旁 站签认《中间检验申请单》清 孔 作 业钢筋笼制作、安放混 凝 土 浇 灌 施 工桩基承载能力检验签认《中间检验申请单》单 桩 质 量 验 收筒处于干旱地时,其顶端应高出地下水位 1.5m-2.0m,还应高出地面0.3m。④ 护筒底端埋置深度,在旱地或浅水处,对于粘性土应为 1.0-1.5m;对于砂土应将护筒周围 0.5-1.0m 范围内的土挖除,夯填粘性土至护筒底 0.5m 以下,其埋置深度不得小于 1.5m。在深水河床为软土、淤泥、砂土处,护筒底埋置深度应不小于 3.0m;当软土、淤泥层较厚时,应尽可能深化到不透水层粘性土内 1.0-1.5m 或卵石层内0.5-1.0m。护筒底端应埋入冰冻线以下至少 0.5 及冲刷线以下 1.5m。⑤ 护筒平面位置的偏差不得大于 5cm,护筒与桩轴线的偏差不得大于 1%。(3)泥浆:钻孔需用泥浆时,开工前应备足够的粘土,备用亚粘土时,其塑性指数不宜小于 15,大于 0.1mm 的颗粒不宜超过6%,调制的钻孔泥浆及经过循环净化的泥浆应根据钻孔方法和土层情况采纳不同的指标,一般可按表 3-11 选用。但不得超过设计规定。泥 浆 指 标 表 1-2钻孔方法地层情况泥浆性能指标相对密度粘度含沙率胶体率失水率泥皮厚静切力酸碱度(Pa·s)(%)(%)(ml/30min)(mn/30min)(Pa)(ph) 正循环一般地层1.05~1.2016~228~4≥96≤25≤21.0~2.58~10易坍地层1.20~1.4519~288~4≥96≤15≤23~58~10反循环一般地层...

1、当您付费下载文档后,您只拥有了使用权限,并不意味着购买了版权,文档只能用于自身使用,不得用于其他商业用途(如 [转卖]进行直接盈利或[编辑后售卖]进行间接盈利)。
2、本站所有内容均由合作方或网友上传,本站不对文档的完整性、权威性及其观点立场正确性做任何保证或承诺!文档内容仅供研究参考,付费前请自行鉴别。
3、如文档内容存在违规,或者侵犯商业秘密、侵犯著作权等,请点击“违规举报”。

碎片内容

钻孔灌注桩质量监理实施细则

您可能关注的文档

确认删除?
VIP
微信客服
  • 扫码咨询
会员Q群
  • 会员专属群点击这里加入QQ群
客服邮箱
回到顶部