电脑桌面
添加小米粒文库到电脑桌面
安装后可以在桌面快捷访问

青岛啤酒第三有限公司新增万千升年啤酒扩建项目监理月报

青岛啤酒第三有限公司新增万千升年啤酒扩建项目监理月报_第1页
1/15
青岛啤酒第三有限公司新增万千升年啤酒扩建项目监理月报_第2页
2/15
青岛啤酒第三有限公司新增万千升年啤酒扩建项目监理月报_第3页
3/15
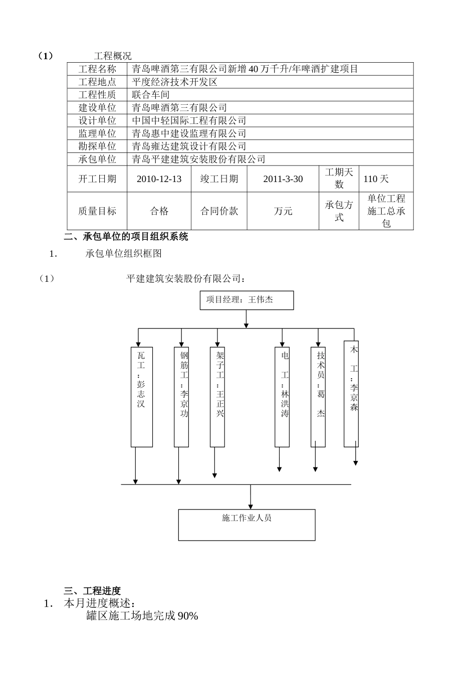
青岛啤酒第三有限公司新增40 万千升/年啤酒扩建项目监 理 月 报 年度:2025 年 月份:05 月 总监理工程师:耿希海青岛惠中建设监理有限公司青岛啤酒第三有限公司项目监理部目 录一、工程概况1.工程基本情况(1)工程概况(表 1)(2)施工总说明2.施工基本情况(1)本期在施形象部位及施工项目二、承包单位的项目组织系统1.承包单位组织框图2.承包单位施工现场主要管理人员名单(表 2)三、工程进度1.本月实际完成情况与进度计划比较2.本月工、料、机动态(表 4)3.本月在施部位工程照片四、工程质量1.主要施工试验情况2.本月工程质量情况分析3.本月实行的措施及效果五、工程计量与工程款支付1.工程量审批情况2.本月实行的措施及效果六、材料、构配件与设备1.工程材料、构配件及设备质量情况(表 6)七、合同其他事项的处理情况1.工程洽商、设计变更及三方签证情况一览表(表 7)八、天气对施工影响的情况(表 8)九、项目监理部机构与工作统计1.项目监理部机构框图2.项目监理部监理人员名单(表 9)3.监理工作统计(表 10)十、本月监理工作小结1.质量2.进度3.投资4.本月监理工作情况5.有关本工程的意见和建议6.下月监理工作重点一、工程概况1.工程基本情况(1)工程概况工程名称青岛啤酒第三有限公司新增 40 万千升/年啤酒扩建项目工程地点平度经济技术开发区工程性质联合车间建设单位青岛啤酒第三有限公司设计单位中国中轻国际工程有限公司监理单位青岛惠中建设监理有限公司勘探单位青岛雍达建筑设计有限公司承包单位青岛平建建筑安装股份有限公司开工日期2010-12-13竣工日期2011-3-30工期天数110 天质量目标合格合同价款万元承包方式单位工程施工总承包二、承包单位的项目组织系统1.承包单位组织框图(1)平建建筑安装股份有限公司:三、工程进度1. 本月进度概述:罐区施工场地完成 90%项目经理:王伟杰瓦工:彭志汉钢筋工:李京功架子工:王正兴技术员:葛 杰木 工:李京森电 工:林洪涛施工作业人员包装车间施工场地完成 90%。污水处理厂施工场地完成 30%2.本月工、料、机、动态 污水处理厂施工场地:承包单位青岛净源海盛环保工程有限公司主要机械型号功率(KW)数量(台)钢筋弯曲机GW-4031钢筋弯曲机GF-202.21钢筋切断机GQ-501342钢筋调直机05454+51切割机J3G2.21木工锯MJ-10432调直机6-124+5.51对焊机VN-1001电焊机BX-3153塔吊QTZ-402振动棒CD4平板振捣器BX2电焊机BX6-2601 灌装...

1、当您付费下载文档后,您只拥有了使用权限,并不意味着购买了版权,文档只能用于自身使用,不得用于其他商业用途(如 [转卖]进行直接盈利或[编辑后售卖]进行间接盈利)。
2、本站所有内容均由合作方或网友上传,本站不对文档的完整性、权威性及其观点立场正确性做任何保证或承诺!文档内容仅供研究参考,付费前请自行鉴别。
3、如文档内容存在违规,或者侵犯商业秘密、侵犯著作权等,请点击“违规举报”。

碎片内容

青岛啤酒第三有限公司新增万千升年啤酒扩建项目监理月报

您可能关注的文档

阳光书坊+ 关注
实名认证
内容提供者

阳光书坊,传播未来

确认删除?
VIP
微信客服
  • 扫码咨询
会员Q群
  • 会员专属群点击这里加入QQ群
客服邮箱
回到顶部