电脑桌面
添加小米粒文库到电脑桌面
安装后可以在桌面快捷访问

项目六—PLC控制交通信号灯

项目六—PLC控制交通信号灯_第1页
1/4
项目六—PLC控制交通信号灯_第2页
2/4
项目六—PLC控制交通信号灯_第3页
3/4
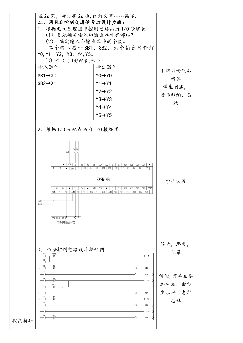
《PLC 控制技术》教案课 题项目六 PLC 控制交通信号灯授课老师王 楠专 业机电技术应用班 级授课时间年 月 日计划课时4学习目标知识与技能:1、会列出 I/0 分配表、PLC 接线图、梯形图。2、能熟练操作 SWOPC-FXGP/WIN—C 编程软件和对 PLC 的读写。过程与方法:1、熟练掌握定时器 T 的用法。2、会用学过的知识,分析任务书,通过控制要求分析信号灯工作顺序状态。3、学会推理及逻辑思维分析问题解决问题.情感、态度与价值观:1、培育学生通过观察现实现象、用所学的知识解决现实问题。2、让学生知道学习与生活的紧密联系,激发学生学习兴趣,提高学生的自信心。3、通过法律规范解题步骤,帮助学生养成严谨求实的科学态度。学习方法及策略讲解、演示、讨论教学重点1、能画出控制交通信号灯的 I/O 接线图.2、能用推理法设计控制交通信号灯的梯形图。3、会在 PLC 上接控制交通信号灯电路。4、会用编程软件正确编出梯形图,并将程序写入 PLC 内。教学难点1、熟练掌握定时器 T 的用法。2、体会辅助继电器 M 的应用场合,熟练掌握辅助继电器 M 的用法.教学准备1、准备教材、教案、课件. 2、实训设备:电脑(要装有 SWOPC-FXGP/WIN-C 编程软件),XK—PLC6 工学结合实训台,连接导线若干。教 学 过 程教学环节老师活动学生活动情景创设通过无交通信号灯指挥的路口,让学生发现交通秩序混乱的结果,然后假设我们是设计师,共同完成一个 PLC 控制交通信号灯的设计项目。倾听,讨论探究新知一、任务分析控制要求:模拟一个简单的十字路口交通信号灯控制。当启动开关合上后,南北绿灯亮 4s 后闪耀 2s 灭,黄灯亮 2s 灭,红灯亮 8s,绿灯亮……循环;对应南北绿黄灯亮时,东西红灯亮 8s,接着绿灯亮 4s 后闪探究新知耀 2s 灭,黄灯亮 2s 后,红灯又亮……循环.二、用 PLC 控制交通信号灯设计步骤:1、根据电气原理图中控制电路画出 I/O 分配表(1)首先确定输入和输出器件有哪些? (2) 确定输入和输出器件的个数。 二个输入器件 SB1、SB2,六个输出器件灯Y0,Y1,Y2,Y3,Y4,Y5。 (3)画出 I/O 分配表,如下:输入器件输出器件SB1→X0SB2→X1Y0→Y0Y1→Y1Y2→Y2Y3→Y3Y4→Y4Y5→Y52、根据 I/O 分配表画出 I/O 接线图.3、 根据控制电路设计梯形图.小组讨论然后回答学生阐述,老师归纳,总结学生回答倾听,思考,记录讨论,有学生参加完成,由学生点评,老师总结三、通电接线,调试运行.知识运...

1、当您付费下载文档后,您只拥有了使用权限,并不意味着购买了版权,文档只能用于自身使用,不得用于其他商业用途(如 [转卖]进行直接盈利或[编辑后售卖]进行间接盈利)。
2、本站所有内容均由合作方或网友上传,本站不对文档的完整性、权威性及其观点立场正确性做任何保证或承诺!文档内容仅供研究参考,付费前请自行鉴别。
3、如文档内容存在违规,或者侵犯商业秘密、侵犯著作权等,请点击“违规举报”。

碎片内容

项目六—PLC控制交通信号灯

您可能关注的文档

确认删除?
VIP
微信客服
  • 扫码咨询
会员Q群
  • 会员专属群点击这里加入QQ群
客服邮箱
回到顶部