电脑桌面
添加小米粒文库到电脑桌面
安装后可以在桌面快捷访问

项目系统试运行报告

项目系统试运行报告_第1页
1/4
项目系统试运行报告_第2页
2/4
项目系统试运行报告_第3页
3/4
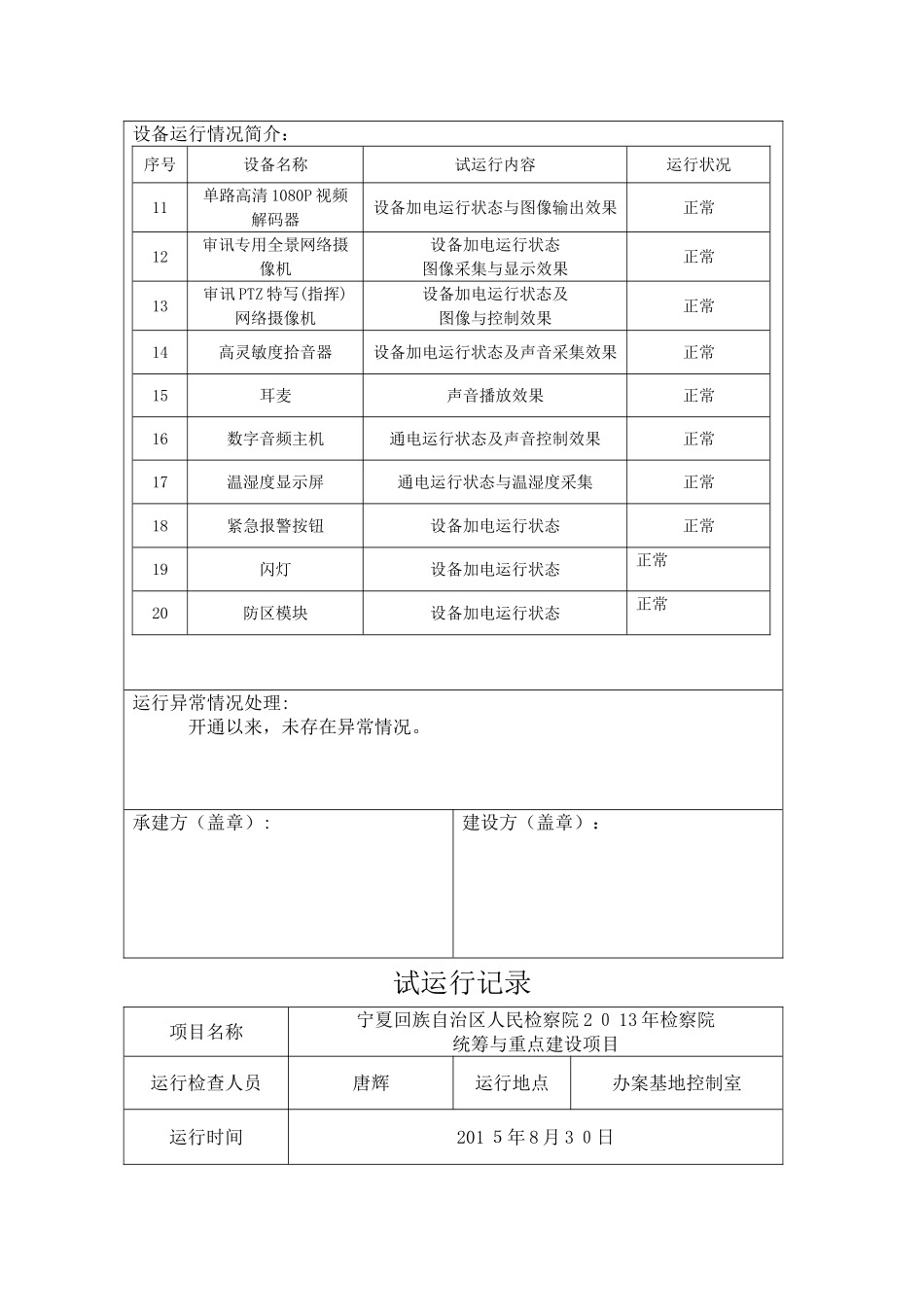
宁夏回族自治区人民检察院 2 0 13 年检察院统筹与重点建设项目 试 运 行 报 告 宁夏回族自治区人民检察院 2025 年检察院统筹与重点建设项目自 2025 年08月 30 日进入试运行。在试运行之初,我们根据设计任务书得要求,逐项进行模拟性演示实验,凡在功能与操作等方面不够理想之处,我单位得技术人员均按我方提出得要求进行了修正,从而使系统得功能更加完善、有用。1、已完成在办案基地办案区走廊、入口实现无死角视频监控;2、实现了指挥中心对办案区所有办案房间音视频信号任意切换调度,并能对审讯室办案过程远程指挥.3、实现在办案区审讯室讯问过程得全程同步录音录像,并能接收指挥中心远程语音、文字得审讯指挥。4、实现办案区控制室集中控制管理各审讯室得同步录音录像主机,并能监控各审讯室得音视频信号。5、实现法警值班室对办案区所有审讯室图像得实时视频监控,并能及时接收各审讯室得报警信息及时处理。6、实现办案基地大楼同步录音录像系统与置留室、医务室与楼道等监控系统、报警系统得有机结合,实现音视频得快速指挥调度,同时系统具备音视频得集中备份存储机制。在系统试运行中,我们对以上各项逐一进行了检验,全部达到了设计任务书与设计得要求。在试运行过程中,全部由我单位工作人员进行操作管理,该系统一直运行稳定、可靠。仅对个别摄像机位置进行了调整。经过这段时间得试运行,总体来瞧系统运行情况良好,没有故障发生.在技术、功能等方面达到了设计任务书得要求。系统操作方便、简介、易学易会;图像显示清楚、准确、及时、使用性强。总之,系统运行情况良好,达到了我们预期得目得。 宁夏希望信息产业有限公司 2 0 14 年1 1 月 10 日 试运行记录项目名称宁夏回族自治区人民检察院2 013 年检察院统筹与重点建设项目运行检查人员唐辉运行地点办案基地控制室运行时间20 15 年 8 月3 0 日设备运行情况简介:序号设备名称试运行内容运行状况1服务器设备加电运行状态正常2综合审讯系统接入管理平台 设备加电运行状态正常3打印机设备加电运行状态正常4高清 1080P 审讯主机设备加电运行状态正常5接入交换机设备加电运行状态正常655 寸液晶拼接单元监控画面及通电显示状态正常7LED 显示屏画面显示及运行状态正常8监听音箱设备加电运行状态正常9调音台设备加电运行状态及声音控制正常108 路电源时序器设备加电运行状态正常运行异常情况处理:开通以来,存在异常情况.承建方(盖章):建设...

1、当您付费下载文档后,您只拥有了使用权限,并不意味着购买了版权,文档只能用于自身使用,不得用于其他商业用途(如 [转卖]进行直接盈利或[编辑后售卖]进行间接盈利)。
2、本站所有内容均由合作方或网友上传,本站不对文档的完整性、权威性及其观点立场正确性做任何保证或承诺!文档内容仅供研究参考,付费前请自行鉴别。
3、如文档内容存在违规,或者侵犯商业秘密、侵犯著作权等,请点击“违规举报”。

碎片内容

项目系统试运行报告

确认删除?
VIP
微信客服
  • 扫码咨询
会员Q群
  • 会员专属群点击这里加入QQ群
客服邮箱
回到顶部