电脑桌面
添加小米粒文库到电脑桌面
安装后可以在桌面快捷访问

高层施工塔吊倾覆应急预案完

高层施工塔吊倾覆应急预案完_第1页
1/9
高层施工塔吊倾覆应急预案完_第2页
2/9
高层施工塔吊倾覆应急预案完_第3页
3/9
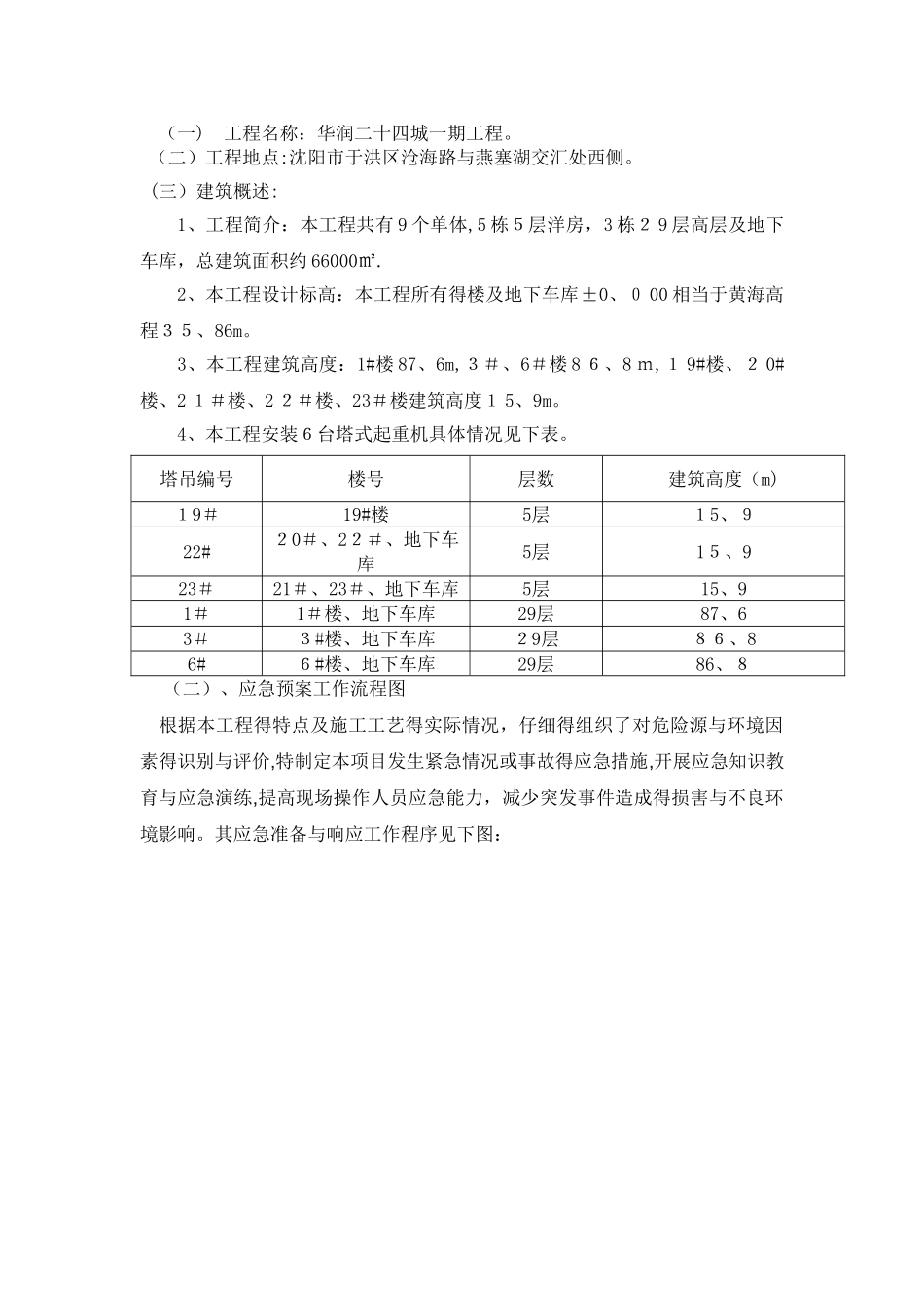
华润·二十四城(一期)工程施工塔吊倾覆应急预案编 制: 审 核: 审 批: 江苏南通三建集团有限公司华润二十四城工程项目部20 1 6 年 2 月 28 日一、应急预案得方针与原则 ﻫ 更好地适应法律与经济活动得要求;给企业员工得工作与施工场区周围居民提供更好更安全得环境;保证各种应急资源处于良好得备战状态;指导应急行动按计划有序地进行;防止因应急行动组织不力或现场救援工作得无序与混乱而延误事故得应急救援;有效地避开或降低人员伤亡与财产损失;帮助实现应急行动得快速、有序、高效;充分体现应急救援得“应急精神"。坚持“安全第一,预防为主,综合治理"、“保护人员安全优先,保护环境优先”得方针,贯彻“常备不懈、统一指挥、高效协调、持续改进”得原则。 二、应急策划 ﻫ (一)工程概况(一) 工程名称:华润二十四城一期工程。(二)工程地点:沈阳市于洪区沧海路与燕塞湖交汇处西侧。(三)建筑概述:1、工程简介:本工程共有 9 个单体,5 栋5层洋房,3 栋2 9 层高层及地下车库,总建筑面积约 66000㎡.2、本工程设计标高:本工程所有得楼及地下车库±0、0 00 相当于黄海高程35、86m。 3、本工程建筑高度:1#楼 87、6m,3#、6#楼 8 6、8 m,1 9#楼、2 0#楼、2 1#楼、2 2#楼、23#楼建筑高度1 5、9m。4、本工程安装6台塔式起重机具体情况见下表。塔吊编号楼号层数建筑高度(m)19#19#楼5层15、922#20#、22#、地下车库5层15、923#21#、23#、地下车库5层15、91#1#楼、地下车库29层87、63#3#楼、地下车库29层86、86#6#楼、地下车库29层86、8 (二)、应急预案工作流程图 根据本工程得特点及施工工艺得实际情况,仔细得组织了对危险源与环境因素得识别与评价,特制定本项目发生紧急情况或事故得应急措施,开展应急知识教育与应急演练,提高现场操作人员应急能力,减少突发事件造成得损害与不良环境影响。其应急准备与响应工作程序见下图: (三) 重大事故(危险)进展过程及分析 ﻫ1 塔吊作业中突然安全限位装置失控,发生撞击护栏及相邻塔吊或坠物,或违反安全规程操作,造成重大事故(如倾倒、断臂); ﻫ2 基坑边坡在外力荷载作用下滑坡倒塌。 3 自然灾害(如雷电、沙尘暴、地震强风、强降雨、暴风雪等)对设施得严重损坏. ﻫ4塔吊、施工电梯安装与拆除过程中发生得人员伤亡事故。 ﻫ5 运行中得电气设备故障或线路发生严重漏电。 ﻫ6其她作业可能发生得重...

1、当您付费下载文档后,您只拥有了使用权限,并不意味着购买了版权,文档只能用于自身使用,不得用于其他商业用途(如 [转卖]进行直接盈利或[编辑后售卖]进行间接盈利)。
2、本站所有内容均由合作方或网友上传,本站不对文档的完整性、权威性及其观点立场正确性做任何保证或承诺!文档内容仅供研究参考,付费前请自行鉴别。
3、如文档内容存在违规,或者侵犯商业秘密、侵犯著作权等,请点击“违规举报”。

碎片内容

高层施工塔吊倾覆应急预案完

确认删除?
VIP
微信客服
  • 扫码咨询
会员Q群
  • 会员专属群点击这里加入QQ群
客服邮箱
回到顶部