电脑桌面
添加小米粒文库到电脑桌面
安装后可以在桌面快捷访问

1第七册本册说明

1第七册本册说明_第1页
1/2
1第七册本册说明_第2页
2/2
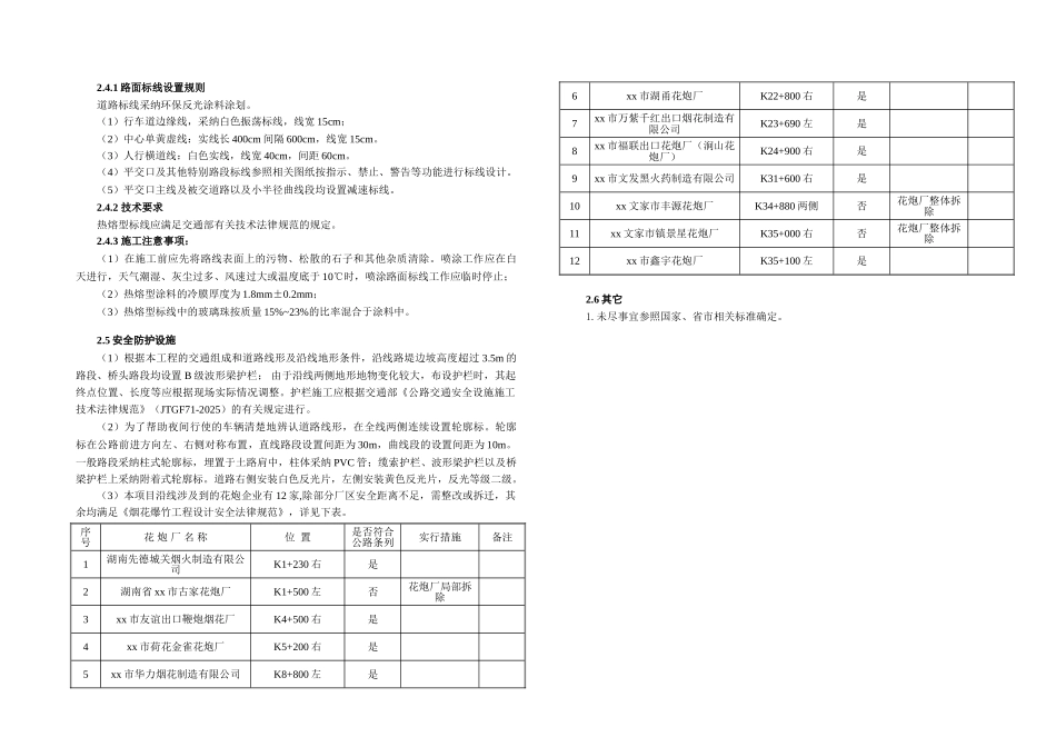
本 册 说 明一、初步设计评审意见执行情况本项目施工图设计各专业均按初步设计批复和专家评审意见执行。二、安全设施2.1 设计依据1.中华人民共和国国家标准《道路交通标志和标线》(GB5768-2025);2.中华人民共和国行业标准《公路工程技术标准》(JTGB01-2025);3.中华人民共和国行业标准《公路交通安全设施设计法律规范》(JTG D81-2025);4.湖南省交通厅、公安厅等发布的《湖南省道路交通安全设施建设和管理规定》。2.2 安全设施等级根据《公路工程技术标准》JTG B01-2025 第 9.0.2 规定,本项目为集散型二级公路,安全设施等级采纳 C 级。2.3 交通标志2.3.1 交通标志设计原则(1)本着“以人为本,安全第一”的指导思想和交通工程设施布局合理、经济有用、清楚醒目、全时保障、维护方便、美观大方,与项目所在路网的设施一致的原则进行设置。(2)确保行车安全、通畅和快捷,以完全不熟悉本道路及其周围环境的外地司机为考虑对象,通过交通标志的引导顺利安全快捷地到达目的地;(3)交通标志的结构、板面设计以美观、清楚为指导,设计成庄重、大方、安全、醒目的标志;(4)标志信息,以《道路交通标志和标线》为基础,根据本路段的实际需要,吸取国内外其他同等级公路工程上采纳的各类交通标志的有用经验,尽量做到标志信息完善、准确、全面、直观易懂;(5)各主要交叉路口设置指路牌,经过居民区、学校、交叉口、及行人横越公路处、大桥、隧道两端、容易超速行使的地段等适当位置设置警告标志和禁令标志。2.3.2 技术要求(1)材料① 标志立柱和横梁:凡钢管外径在 152mm 以下(含 152mm)的立柱和横梁,采纳普通碳素结构钢(A3)焊接钢管,凡钢管外径在 152mm 以上的立柱和横梁,采纳一般常用热扎无缝钢管。标志立柱柱帽和横梁帽采纳普通碳素结构钢板,板厚一般采纳 3mm。② 大型标志板、滑动槽:采纳 5A02(旧牌号为 LF2-M,抗拉强度应大于 175MPa)型铝合金板材;小型标志板:采纳玻璃钢合成树脂板制作。③ 水泥混凝土基础混凝土强度应不小于 25MPa,并符合现行《公路钢筋混凝土及预应力钢筋混凝土桥涵设计法律规范》的有关规定。④ 钢筋:采纳热轧结构等级圆钢筋,Ⅰ级 3 号钢(桥梁段除外),并符合现行《公路钢筋混凝土及预应力钢筋混凝土桥涵设计法律规范》的有关法律规范。⑤ 定向反光标志膜 一般采纳三级定向反光膜,其回归反光度值(最小值)、反光膜颜色的角点坐标和标志色泽耐用期应符合 ...

1、当您付费下载文档后,您只拥有了使用权限,并不意味着购买了版权,文档只能用于自身使用,不得用于其他商业用途(如 [转卖]进行直接盈利或[编辑后售卖]进行间接盈利)。
2、本站所有内容均由合作方或网友上传,本站不对文档的完整性、权威性及其观点立场正确性做任何保证或承诺!文档内容仅供研究参考,付费前请自行鉴别。
3、如文档内容存在违规,或者侵犯商业秘密、侵犯著作权等,请点击“违规举报”。

碎片内容

1第七册本册说明

确认删除?
VIP
微信客服
  • 扫码咨询
会员Q群
  • 会员专属群点击这里加入QQ群
客服邮箱
回到顶部