电脑桌面
添加小米粒文库到电脑桌面
安装后可以在桌面快捷访问

2025二级造价工程师考试工程量计算规则

2025二级造价工程师考试工程量计算规则_第1页
1/6
2025二级造价工程师考试工程量计算规则_第2页
2/6
2025二级造价工程师考试工程量计算规则_第3页
3/6
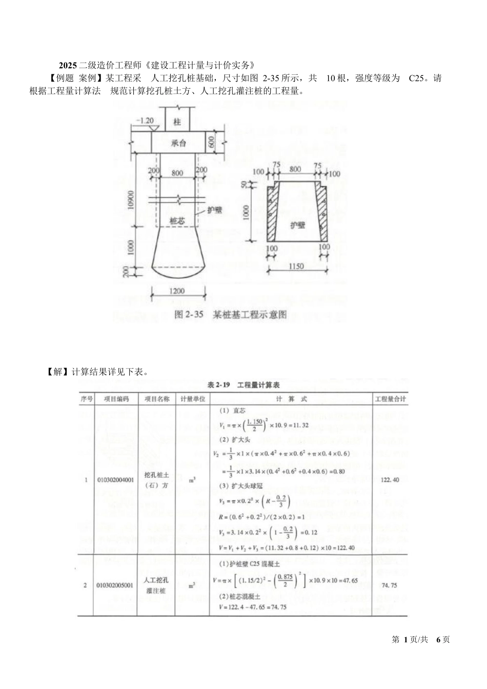
2025 二级造价工程师《建设工程计量与计价实务》【例题•案例】某工程采纳人工挖孔桩基础,尺寸如图 2-35 所示,共 10 根,强度等级为 C25。请根据工程量计算法律规范计算挖孔桩土方、人工挖孔灌注桩的工程量。【解】计算结果详见下表。第 1 页/共 6 页 1.砖砌体(编号:010401)1)标准砖尺寸应为 240mm×115mm×53mm,标准砖墙厚度应按下表计算。表标准砖墙厚度表砖数(厚度)1/4531/23/411½22½3计算厚度(mm)1151802403654906157402)基础与墙(柱)身的划分:① 基础与墙(柱)身使用同一种材料时,以设计室内地面为界(有地下室者,以地下室室内设计地面为界),地面以下为基础,地面以上为墙(柱)身。② 基础与墙身使用不同材料时,位于设计室内地面高度≤±300mm 时,以不同材料为分界线,高度>±300mm 时,以设计室内地面为分界线。③ 砖围墙应以设计室外地坪为界,以下为基础,以上为墙身。【例题·单选】已知某砖外墙中心线总长 60m,设计采纳毛石混凝土基础,基础底层标高-1.4m,毛石混凝土与砖砌筑的分界面标高-0.24m,室内地坪±0.00m,墙顶面标高 3.3m,厚 0.37m,根据《建设工程工程量清单计价法律规范》计算规则,则砖墙工程量为()。【2025】A.67.93m3B.73.26m3C.78.59m3D.104.34m3【答案】C【解析】墙体工程量=墙长×墙厚×墙高。砖墙工程量=60×0.37×(3.3+0.24)=78.588m³。(1)砖基础【体积】① 工程量按设计图示尺寸以体积计算。扣除地梁(圈梁)、构造柱所占体积基础大放脚 T 形接头处的重叠部分及嵌入基础内的钢筋、铁件、管道、基础砂浆防潮层和单个面积≤0.3m2的孔洞所占体积附墙垛基础宽出部分体积不扣除加不加靠墙暖气沟的挑檐② 基础长度的确定:外墙基础按外墙中心线,内墙基础按内墙净长线计算。第 2 页/共 6 页 【例题 1·多选】砖基础工程量计算正确的有()。A.按设计图示尺寸以体积计算B.扣除大放脚 T 形接头处的重叠部分C.内墙基础长度按净长线计算D.材料相同时,基础与墙身划分通常以设计室内地面为界E.基础工程量不扣除构造柱所占体积【答案】ACD【例题 2·单选】根据《房屋建筑与装饰工程工程量计算法律规范》(GB 50854-2025),砖基础工程量计算正确的是()。A.外墙基础断面积(含大放脚)乘以外墙中心线长度以体积计算B.内墙基础断面积(大放脚部分扣除)乘以内墙净长线以体积计算C.地圈梁部分体积并入基础计算D.靠墙暖气沟挑檐体积并入基础计算【答案】A【...

1、当您付费下载文档后,您只拥有了使用权限,并不意味着购买了版权,文档只能用于自身使用,不得用于其他商业用途(如 [转卖]进行直接盈利或[编辑后售卖]进行间接盈利)。
2、本站所有内容均由合作方或网友上传,本站不对文档的完整性、权威性及其观点立场正确性做任何保证或承诺!文档内容仅供研究参考,付费前请自行鉴别。
3、如文档内容存在违规,或者侵犯商业秘密、侵犯著作权等,请点击“违规举报”。

碎片内容

2025二级造价工程师考试工程量计算规则

您可能关注的文档

确认删除?
VIP
微信客服
  • 扫码咨询
会员Q群
  • 会员专属群点击这里加入QQ群
客服邮箱
回到顶部