电脑桌面
添加小米粒文库到电脑桌面
安装后可以在桌面快捷访问

24米跨混凝土厂房毕业设计计算书

24米跨混凝土厂房毕业设计计算书_第1页
1/39
24米跨混凝土厂房毕业设计计算书_第2页
2/39
24米跨混凝土厂房毕业设计计算书_第3页
3/39
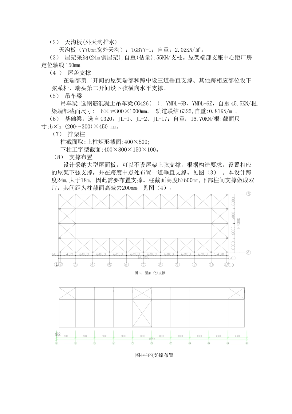
1 设计资料1.1 工程概况昆明市畅游牌纪念品加工车间为一单跨单层钢筋混凝土厂房,厂房总长60m,跨度 24m,柱距 6m,中级制 300/50 KN 及 150/30KN 桥式吊车各一台,跨度LK=22.5m,轨顶标高:9.0m,厂房平面图:1.2 设计资料屋面构造:二毡三油防水层(上铺绿豆砂);25mm厚水泥砂浆找平层;加气混凝土保温层100厚;冷底子油一道,热沥青二道;15mm厚水泥砂浆找平层;预应力混凝土大型屋面板。围护结构:240mm厚普通砖墙,双面清水墙;钢框玻璃窗宽×高:3600mm×4800mm和3600mm×1800mm。按(0.45KN/m2 )计。地面:钢筋混凝土地面,室内外高差150mm。 1.3 设计基本原始资料自然条件:基本风压为 0.35kN/m2,风荷载,,基本风压取0.35kN/m ,风振系数,风荷载体型系数根据附表确定,风压高度变化系 数根 据 附 表 确 定 。 地 面 按 B 类 , 基 本 雪 压 为 0.3KN/m2 , 屋 面 活 荷 载 为0.5kN/m2。地质条件:场地地面以下0.8m内为杂填土,其下为粘性土,地基承载力特征1图 1 ,单层厂房平面布置值为230kN/m2,土质均匀,地下水位为天然地面下 2.8m,且无侵蚀性。该工程抗震设防烈度为8度。1.4 材料柱 钢筋:箍筋为HPB235级钢筋、受力钢筋HRB335级钢筋。混凝土C30基础: 钢筋:HPB235,混凝土采纳C25。1.5 设计要求1) 初步确定排架结构布置方案;2) 对结构上部的标准构件进行选型,并进行结构布置;3) 排架的荷载计算和内力分析; 4) 排架柱的设计;5) 柱下独立基础的设计1.6 构件选型及屋盖布置根据厂房的跨度、吊车起重量的大小、轨顶标高,吊车的运行空间等初步确定出排架结构的剖面如图(2)所示。为了保证屋盖的整体性,屋盖采纳无檩体系。(1) 屋面板采纳1.5m×6m预应力混凝土屋面板,根据屋面做法求得屋面荷载,采纳标准图集92G410(一)中的Y—WB—2 IV,屋面板自重标准值为1.4KN/m2(包括灌缝自重)。图( 2 )厂房剖面图( 高程 ,长度 (2) 天沟板(外天沟排水)天沟板(770mm宽外天沟):TGB77-1;自重:2.02KN/㎡。(3) 屋架采纳(24m 钢屋架),自重(估量):55KN/支柱。屋架端部支座中心距厂房定位轴线 150mm。(4 ) 屋盖支撑 在端部第二开间的屋架端部和跨中设三道垂直支撑、其他跨相应部位设下弦系杆,端头第二开间设下弦横向水平支撑。 (5) 吊车梁 吊车梁:选钢筋混凝土吊车梁 CG426(二), YMDL-6B、YMDL-6Z,自重 45.5KN/根,梁端部截面尺寸: b×h=300×1000...

1、当您付费下载文档后,您只拥有了使用权限,并不意味着购买了版权,文档只能用于自身使用,不得用于其他商业用途(如 [转卖]进行直接盈利或[编辑后售卖]进行间接盈利)。
2、本站所有内容均由合作方或网友上传,本站不对文档的完整性、权威性及其观点立场正确性做任何保证或承诺!文档内容仅供研究参考,付费前请自行鉴别。
3、如文档内容存在违规,或者侵犯商业秘密、侵犯著作权等,请点击“违规举报”。

碎片内容

24米跨混凝土厂房毕业设计计算书

您可能关注的文档

阳光书坊+ 关注
实名认证
内容提供者

阳光书坊,传播未来

确认删除?
VIP
微信客服
  • 扫码咨询
会员Q群
  • 会员专属群点击这里加入QQ群
客服邮箱
回到顶部