电脑桌面
添加小米粒文库到电脑桌面
安装后可以在桌面快捷访问

600MW等级机组检修标准项目

600MW等级机组检修标准项目_第1页
1/49
600MW等级机组检修标准项目_第2页
2/49
600MW等级机组检修标准项目_第3页
3/49
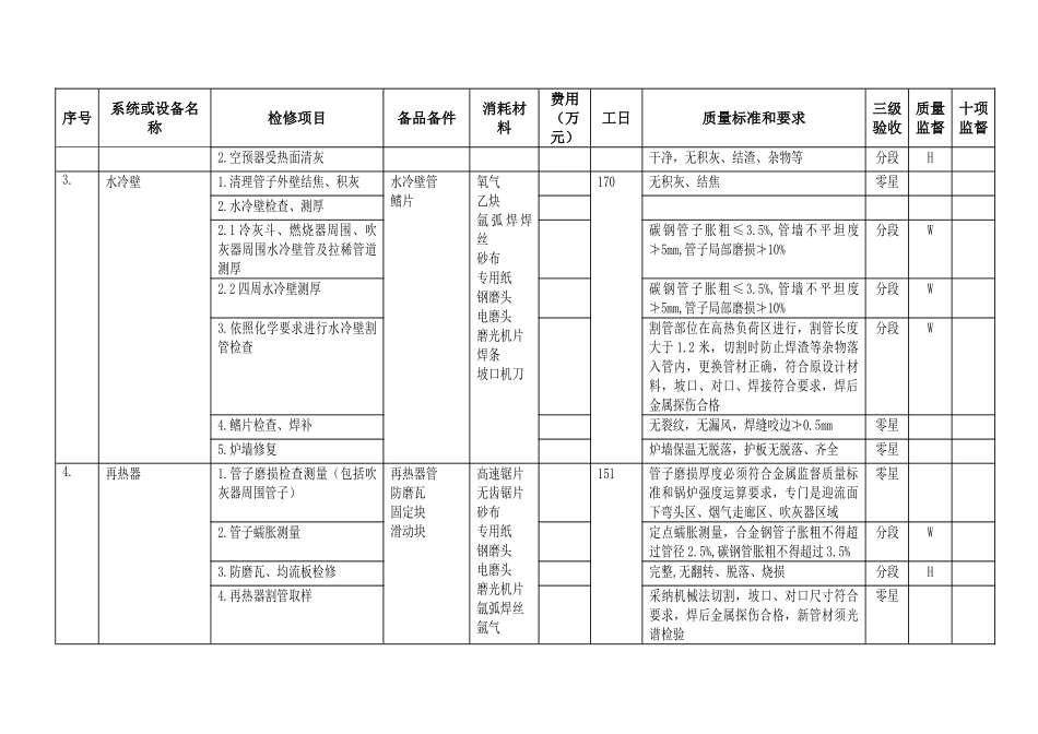
600MW 等级机组检修标准项目锅炉专业序号系统或设备名称检修项目备品备件消耗材料费用(万元)工日质量标准和要求三级验收质量监督十项监督1.锅炉汽包1.拆人孔门金属缠绕垫汽包人孔门螺栓分离器固定螺栓焊条磨光机片松锈剂砂 布 200目铅粉油胶皮硅 酸 铝 纤维毡220拆除完毕,检修人员离开后装临时人孔门并贴封条,汽包通风1.1 配合化学取样、内部检查化学人员进行内部沉淀物情形检查并取样、拆除腐蚀指示片处理,检修人员检查内部装置损坏情形,运行人员检查汽包水位线波动情形分段H1.2 事故放水、水位计口、下降管封堵封堵事故放水管、水位计管口、下降管,要可靠封堵零星2.拆出汽包内部部件拆出部件按顺序妥善保管零星3.汽包内部清理汽包内壁及夹层内无积灰、杂物等分段W4.内部检修4.1 内外壁外观检查无裂纹、重皮等缺陷,深度为 3mm~4mm的疤痕麻坑等应修成圆滑过渡,深度大于 4mm 应补焊并修磨零星4.2 支架、托斗焊补牢固无开裂零星4.3 夹层检修焊缝无裂纹、夹层密封严密零星4.4 连排、加药、大流量放水、给水管检查无堵塞,壁厚符合要求零星4.5 下降管口十字格栅检修齐全无开焊零星5.汽包金属探伤检修符合金属监督标准要求分段H序号系统或设备名称检修项目备品备件消耗材料费用(万元)工日质量标准和要求三级验收质量监督十项监督6. 旋风分离器清理检修旋风分离器表面无锈垢、积灰,内部无杂物,焊缝无开焊,外壳无损坏变形分段7.汽包顶部波浪板箱及多孔板清理检修汽包顶部波浪板箱、多孔板表面无锈垢、积灰。波形板无开焊,无变形,波形板齐全零星8.内部分离装置装复按拆除前顺序装复,顶部波浪板箱分离器倾斜角度 5 度,旋风分离器间隙平均且≯0.1mm,波形板间隙平均,疏水管一致,螺栓齐全无松动分段W9.汽包人孔门检修人孔门螺栓应无裂纹、断扣、弯曲,金属探伤合格;人孔门结合面垫子、螺栓均涂铅粉油;人孔及人孔盖密封面无径向刻痕;槽钢无弯曲分段W10.封人孔门汽包内无杂物,清理干净。人孔门垫子应平坦,不得有折痕、划痕,完整无破旧现象。人孔门圆周方向间隙平均,紧力适中厂级H11.汽包吊带、吊挂装置检查无松脱、裂纹、变形现象零星12.汽包倾斜度测量倾斜度≯1/1000分段W13.膨胀指示器校正膨胀指示器完整,冷态指示零位,膨胀自由,符合图纸要求分段W14.热紧人孔门螺栓两螺栓用力平均,不可紧偏,无渗漏分段W15.保温检修保温完整,无脱落、无裂纹零星2.受热面1.锅炉本体受热面清灰胶管84干净,无积灰、结渣、杂物等分...

1、当您付费下载文档后,您只拥有了使用权限,并不意味着购买了版权,文档只能用于自身使用,不得用于其他商业用途(如 [转卖]进行直接盈利或[编辑后售卖]进行间接盈利)。
2、本站所有内容均由合作方或网友上传,本站不对文档的完整性、权威性及其观点立场正确性做任何保证或承诺!文档内容仅供研究参考,付费前请自行鉴别。
3、如文档内容存在违规,或者侵犯商业秘密、侵犯著作权等,请点击“违规举报”。

碎片内容

600MW等级机组检修标准项目

确认删除?
VIP
微信客服
  • 扫码咨询
会员Q群
  • 会员专属群点击这里加入QQ群
客服邮箱
回到顶部