电脑桌面
添加小米粒文库到电脑桌面
安装后可以在桌面快捷访问

EPDM胶板在幕墙工程中的应用

EPDM胶板在幕墙工程中的应用_第1页
1/13
EPDM胶板在幕墙工程中的应用_第2页
2/13
EPDM胶板在幕墙工程中的应用_第3页
3/13
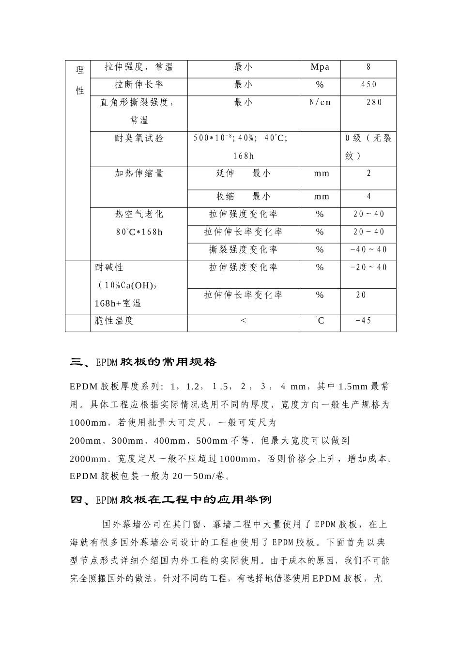
EPDM 胶板在幕墙工程中的应用一、EPDM 胶板的应用概述EPDM 胶板即三元乙丙胶板,在国外的门窗、幕墙工程中应用极为广泛。例如德国 GARTNER 公司设计的上海浦东国际金融大厦、上海浦东进展银行大厦等工程,在各类封修、幕墙类型转换交界处均使用EPDM 胶板作防水封修处理。目前国内幕墙工程 EPDM 胶板使用的较少,我们公司在北京中国电信、上海金帆大厦幕墙工程中局部少量使用过EPDM 胶板。对于各种封修、沉降缝处理、采光天顶、干法幕墙以及幕墙类型转换处的防水处理,我司通常做法是采纳铝板或镀锌钢板为主要材料,边缘用密封胶密封。经实践检验,这种处理方法有时不十分可靠,局部易出现渗、漏水现象,而采纳 EPDM 胶板可有效防止这些现象的产生。另外 EPDM 胶板具有非常好的柔韧性,可随各种结构任意弯曲,在门窗、幕墙各种边界处理时十分灵活,现场施工也十分方便。EPDM 胶板不仅可用于边界封修,幕墙、门窗结构自身亦可采纳。国外很多明框幕墙、采光顶、幕墙及窗的转角结构也采纳 EPDM 胶板来密封,意大利 ALU-K,德国旭格、哈特曼等公司在这方面应用较多。EPDM 胶板一般不须车间加工,可直接运至现场,这样就节约了加工费、部分运输费用以及管理费用,相对降低了成本。因此将会有越来越多的幕墙工程使用 EPDM 胶板作为防水封修材料。二、EPDM 胶板的材料性能EPDM 胶板良好的物理性能是由其本身所具有的化学成分决定的。EPDM 胶板的主要成分是三元乙丙,具有很高的化学稳定性,在通用橡胶中,三元乙丙耐老化性能最好,耐臭氧性能最佳,能长期在阳光、潮湿、寒冷的环境中使用。据国外资料介绍,乙丙橡胶在自然状态下,可使用30——50 年。乙丙橡胶在一般情况下可在 120ºC 的环境中长期使用,最高使用温度为 150ºC;其又具有较好的低温使用性能,在低温下仍能保持较好的弹性,其最低极限使用温度可达-55ºC。三元乙丙橡胶基本性能序号实验项目实验数据1密度1160kg/m32抗拉强度〉10.5Mpa3伸长率(%)400~8004硬度(邵氏 A 型)30~905最高使用温度150ºC6脆化温度-40~-60 ºC7长期工作温度-50~130 ºC8耐水性优9耐氧、臭氧老化优由于三元乙丙的化学成分、制作工艺、各种材料的配比等因素均影响其物理、化学性能。因此不同厂家的产品各种技术参数有可能有所不同,具体使用时必须要求厂家提供的有关技术参数以及由国家认可的实验室出具的材料检验报告。下面表格所列为上海青浦凤飞塑料五金厂生产的三元乙丙胶板的材...

1、当您付费下载文档后,您只拥有了使用权限,并不意味着购买了版权,文档只能用于自身使用,不得用于其他商业用途(如 [转卖]进行直接盈利或[编辑后售卖]进行间接盈利)。
2、本站所有内容均由合作方或网友上传,本站不对文档的完整性、权威性及其观点立场正确性做任何保证或承诺!文档内容仅供研究参考,付费前请自行鉴别。
3、如文档内容存在违规,或者侵犯商业秘密、侵犯著作权等,请点击“违规举报”。

碎片内容

EPDM胶板在幕墙工程中的应用

确认删除?
VIP
微信客服
  • 扫码咨询
会员Q群
  • 会员专属群点击这里加入QQ群
客服邮箱
回到顶部