电脑桌面
添加小米粒文库到电脑桌面
安装后可以在桌面快捷访问

E座钢结构植筋施工方案终

E座钢结构植筋施工方案终_第1页
1/9
E座钢结构植筋施工方案终_第2页
2/9
E座钢结构植筋施工方案终_第3页
3/9
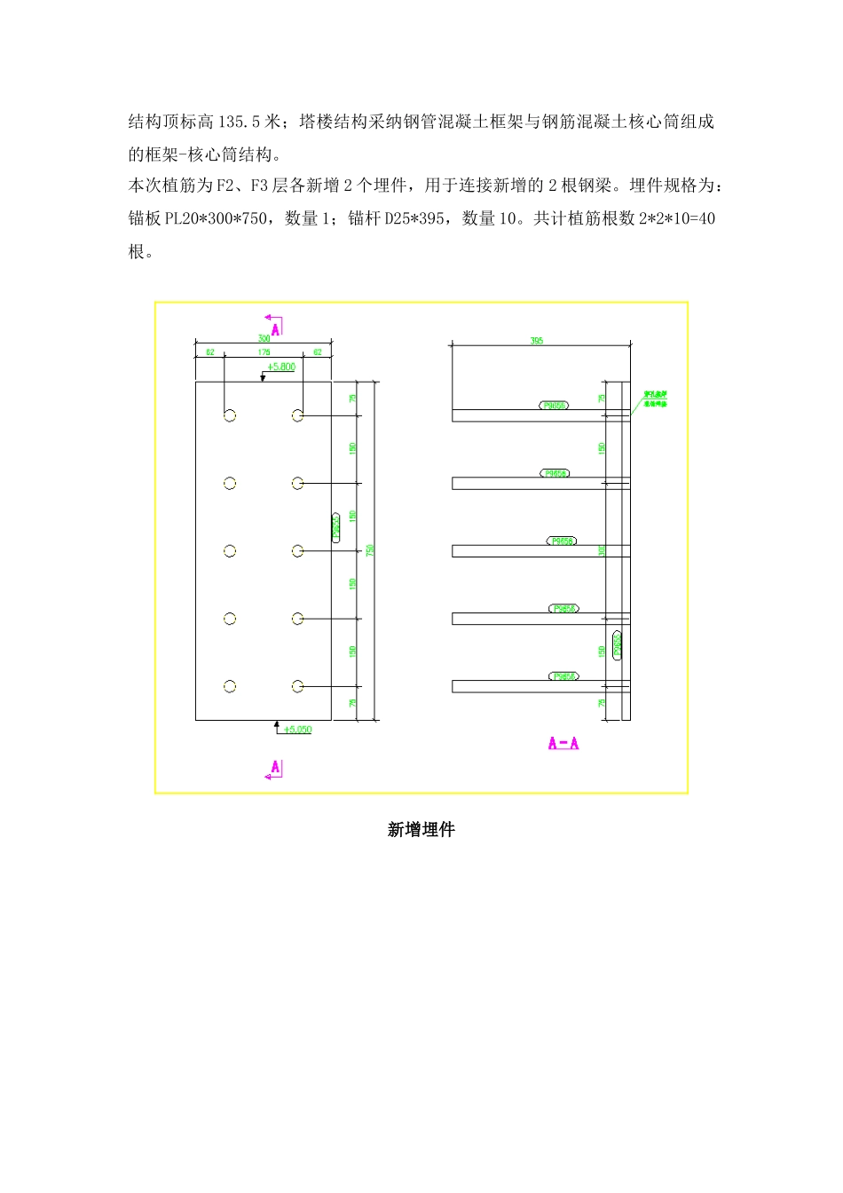
厦门东南国际航运中心总部大厦 36#地块E 座钢结构植筋专项方案编制人: 审核人: 审批人: 日 期: 中建三局集团有限公司目 录一、工程概况............................................................................................1二、编制依据............................................................................................3三、工艺流程及施工要点........................................................................4四、施工质量控制及检查........................................................................6五、施工安全措施....................................................................................7一、工程概况1.1 东南国际航运中心总部大厦位于厦门市海沧区,西临海沧内湖,东邻海沧大道,项目选址在海沧内湖 36#规划地块,E 座塔楼地下 2 层,地上 30 层,结构顶标高 135.5 米;塔楼结构采纳钢管混凝土框架与钢筋混凝土核心筒组成的框架-核心筒结构。本次植筋为 F2、F3 层各新增 2 个埋件,用于连接新增的 2 根钢梁。埋件规格为:锚板 PL20*300*750,数量 1;锚杆 D25*395,数量 10。共计植筋根数 2*2*10=40根。新增埋件埋件布置图二、编制依据1、《混凝土结构后锚固技术规程》JGJ 145-20252、《砼结构设计法律规范》GB50010-20253、《建筑现场临时安全技术规程》等现行国家标准2.1 施工准备2.1.1 技术准备(a)识图,有问题及时提出,由设计明确答复后才能施工,避开失误。(b)编制相应的植筋方案,确定施工程序、步骤和施工方法,以及技术质量要求。(c)建立质量保证体系,明确岗位职责。(d)在施工前,向班组进行技术交底,明确施工程序及技术质量要求、施工重点、难点及相应措施。2.1.2 机具设备准备冲击钻、手持式自动压力灌浆器、墨盒、毛刷、吹风机等。2.1.3 人员准备弹线定位 2 人,打孔、清空 2 人,注胶、植筋 2 人。三、工艺流程及施工要点3.1 工艺流程弹线定位→钻孔→清孔→配胶→注胶→植筋→养护3.2 施工要点3.2.1 弹线:对比图纸 ,在已完成核心筒混凝土梁上用全站仪定位出埋件位置,然后根据孔距弹线,先弹竖线再弹横线,横竖线交接位置即为钻孔位置。弹线3.2.2 钻孔:根据已弹出的钻孔位置,用冲击钻钻孔。孔径及孔深按设计图纸及要求确定:孔深≥15d;孔径按 d+4~10 mm 控制。钻孔时冲击钻垂直于梁面,...

1、当您付费下载文档后,您只拥有了使用权限,并不意味着购买了版权,文档只能用于自身使用,不得用于其他商业用途(如 [转卖]进行直接盈利或[编辑后售卖]进行间接盈利)。
2、本站所有内容均由合作方或网友上传,本站不对文档的完整性、权威性及其观点立场正确性做任何保证或承诺!文档内容仅供研究参考,付费前请自行鉴别。
3、如文档内容存在违规,或者侵犯商业秘密、侵犯著作权等,请点击“违规举报”。

碎片内容

E座钢结构植筋施工方案终

您可能关注的文档

确认删除?
VIP
微信客服
  • 扫码咨询
会员Q群
  • 会员专属群点击这里加入QQ群
客服邮箱
回到顶部