电脑桌面
添加小米粒文库到电脑桌面
安装后可以在桌面快捷访问

K33+706.5省道S256跨线桥盖梁施工方案

K33+706.5省道S256跨线桥盖梁施工方案_第1页
1/31
K33+706.5省道S256跨线桥盖梁施工方案_第2页
2/31
K33+706.5省道S256跨线桥盖梁施工方案_第3页
3/31
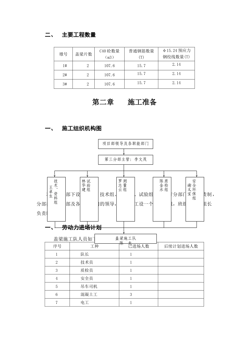
广州增城至从化高速公路(含街口支线)S05 合同段K33+706.5 省道 S256 跨线桥盖梁施工方案编 制 人:审 核 人:编制时间:2025 年 11 月 17 日目 录第一章工程概况......................................................................................................................2一、工程概况..................................................................................................................2二、主要工程数量..........................................................................................................2第二章施工准备......................................................................................................................2一、施工组织机构图......................................................................................................2二、劳动力进场计划......................................................................................................3三、机械设备进场计划..................................................................................................3四、材料进场计划..........................................................................................................4五、试验检测情况..........................................................................................................4六、测量控制方案及测量施工放样..............................................................................4第三章施工方案......................................................................................................................5一、施工工艺流程图......................................................................................................5二、预应力砼盖梁施工方法..........................................................................................6一)、 盖梁施工方法..........................................................................................................6二)、 垫石施工方法....................................................................................................

1、当您付费下载文档后,您只拥有了使用权限,并不意味着购买了版权,文档只能用于自身使用,不得用于其他商业用途(如 [转卖]进行直接盈利或[编辑后售卖]进行间接盈利)。
2、本站所有内容均由合作方或网友上传,本站不对文档的完整性、权威性及其观点立场正确性做任何保证或承诺!文档内容仅供研究参考,付费前请自行鉴别。
3、如文档内容存在违规,或者侵犯商业秘密、侵犯著作权等,请点击“违规举报”。

碎片内容

K33+706.5省道S256跨线桥盖梁施工方案

您可能关注的文档

确认删除?
VIP
微信客服
  • 扫码咨询
会员Q群
  • 会员专属群点击这里加入QQ群
客服邮箱
回到顶部