电脑桌面
添加小米粒文库到电脑桌面
安装后可以在桌面快捷访问

NY-5137—2025-无公害食品-蜂花粉

NY-5137—2025-无公害食品-蜂花粉_第1页
1/4
NY-5137—2025-无公害食品-蜂花粉_第2页
2/4
NY-5137—2025-无公害食品-蜂花粉_第3页
3/4
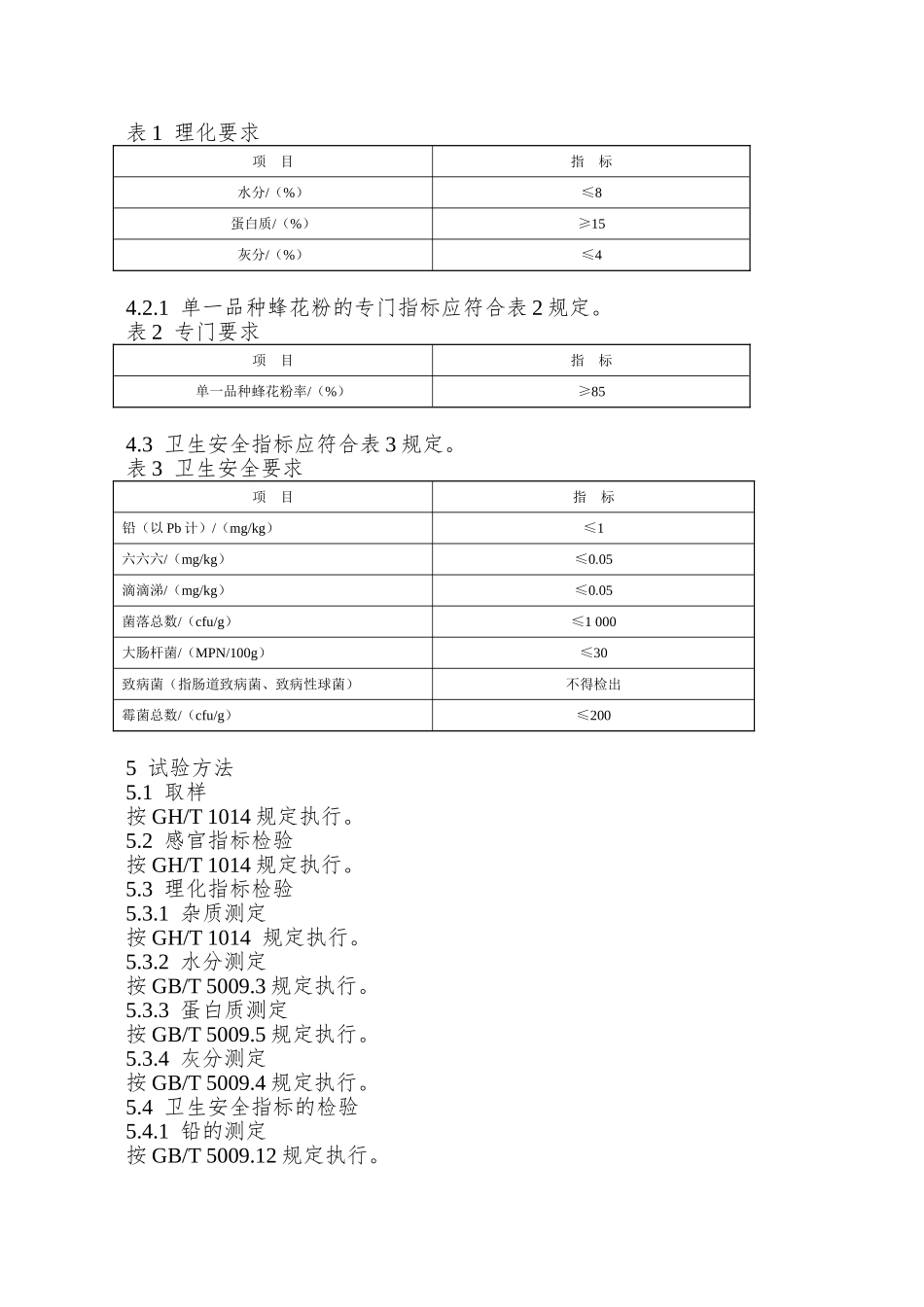
NY 5137—2025 无公害食品 蜂花粉1 范畴本标准规定了无公害食品蜂花粉的定义、要求、试验方法、检验规则、标志、标签、包装、运输、贮存。本标准适用于食用蜂花粉的生产、销售。2 法律规范性引用文件下列文件中的条款通过本标准的引用而成为本标准的条款。凡是注日期的引用文件,其随后所有的修改单(不包括勘误的内容)或修订版均不适用于本标准,然而,鼓舞根据本标准达成协议的各方讨论是否可使用这些文件的最新版本。凡是不注日期的引用文件,其最新版本适用于本标准。GB 191 包装储运图示标志GB 4789.2 食品中菌落总数的测定方法GB 4789.3 食品中大肠菌群的测定方法GB 4789.4 食品卫生微生物学检验 沙门氏菌检验GB 4789.5 食品卫生微生物学检验 志贺氏菌检验GB 4789.10 食品卫生微生物学检验 金黄色葡萄球菌检验GB 4789.11 食品卫生微生物学检验 溶血性链球菌检验GB 4789.15 食品卫生微生物学检验 霉菌和酵母计数GB/T 5009.3 食品中水分的测定方法GB/T 5009.4 食品中灰分的测定方法GB/T 5009.5 食品中蛋白质的测定方法GB/T 5009.12 食品中铅的测定方法GB/T 5009.19 食品中六六六、滴滴涕残留量的测定方法GB 7718 食品标签通用标准GH/T 1014 蜂花粉3 术语和定义3.1蜂花粉 bee pollen蜜蜂采集被子植物雄蕊花药或裸子植物小孢子囊内的花粉细胞,形成的团料状物。3.2杂质 impurity蜂花粉中除蜂花粉以外的泥沙、昆虫残体等。4 技术指标4.1 感官指标具有蜂花粉的自然品质特点,无虫蛀,无霉变,无异味,不添加任何其他物质。杂质含量在 1%以内。4.2 理化指标通用理化指标应符合表 1 规定。表 1 理化要求项 目指 标水分/(%)≤8蛋白质/(%)≥15灰分/(%)≤44.2.1 单一品种蜂花粉的专门指标应符合表 2 规定。表 2 专门要求项 目指 标单一品种蜂花粉率/(%)≥854.3 卫生安全指标应符合表 3 规定。表 3 卫生安全要求项 目指 标铅(以 Pb 计)/(mg/kg)≤1六六六/(mg/kg)≤0.05滴滴涕/(mg/kg)≤0.05菌落总数/(cfu/g)≤1 000大肠杆菌/(MPN/100g)≤30致病菌(指肠道致病菌、致病性球菌)不得检出霉菌总数/(cfu/g)≤2005 试验方法5.1 取样按 GH/T 1014 规定执行。5.2 感官指标检验按 GH/T 1014 规定执行。5.3 理化指标检验5.3.1 杂质测定按 GH/T 1014 规定执行。5.3.2 水分测定按 GB/T 5009.3 规定执行。5.3.3 蛋白质测定按 GB/T 5009.5 规定...

1、当您付费下载文档后,您只拥有了使用权限,并不意味着购买了版权,文档只能用于自身使用,不得用于其他商业用途(如 [转卖]进行直接盈利或[编辑后售卖]进行间接盈利)。
2、本站所有内容均由合作方或网友上传,本站不对文档的完整性、权威性及其观点立场正确性做任何保证或承诺!文档内容仅供研究参考,付费前请自行鉴别。
3、如文档内容存在违规,或者侵犯商业秘密、侵犯著作权等,请点击“违规举报”。

碎片内容

NY-5137—2025-无公害食品-蜂花粉

您可能关注的文档

不二商店+ 关注
实名认证
内容提供者

我是你的不二选择

确认删除?
VIP
微信客服
  • 扫码咨询
会员Q群
  • 会员专属群点击这里加入QQ群
客服邮箱
回到顶部