电脑桌面
添加小米粒文库到电脑桌面
安装后可以在桌面快捷访问

smw工法桩作业指导书

smw工法桩作业指导书_第1页
1/14
smw工法桩作业指导书_第2页
2/14
smw工法桩作业指导书_第3页
3/14
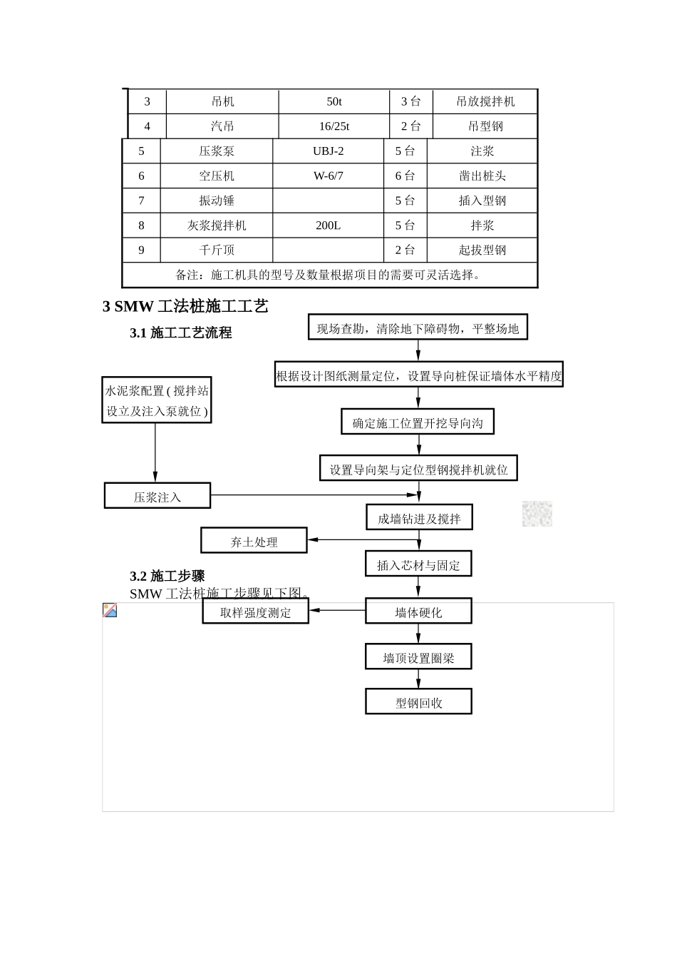
三、SMW 工法桩作业指导书1 概述1.1 编制依据1.1.1 工程施工设计图。1.1.2 工程《岩土工程勘察报告》。1.1.3 《建筑机械使用安全技术规程》JGJ33-2001。1.1.4 《建筑地基处理技术法律规范》JGJ79-2025。1.1.5 《建筑地基基础工程施工质量验收法律规范》GB50202-2025。1.1.6 《型钢水泥土搅拌墙技术规程》DGJ08-116-2025。1.1.7 我国现行 SMW 工法桩施工的有关规定。1.2 适用范围本指导书适用于 SMW 工法桩施工。2 SMW 工法桩施工组织与准备2.1 施工前的准备2.1.1 施工现场应先进行场地平整,清除施工区域的表层硬物和地下障碍物,遇明洪<塘)及低挂地时应抽水和清淤,回填粘性土并分层夯实。路基承载能力应满足重型桩机和吊车平稳行走移动的要求。2.1.2 根据搅拌桩桩位平面布置图,确定合理的施工顺序及配套机械、水泥等材料的放置位置。2.1.3 技术人员根据设计图纸和测量控制点放出桩位,桩心距用红色油漆做好标记,保证搅拌桩定位准确,并经监理复核验收签证。桩位平面偏差不大于5mm。2.1.4 根据基坑围护内边控制线开挖导向沟,并在沟槽边设置搅拌桩定位型钢,标出搅拌桩位置和型钢插人位置。2.1.5 三轴搅拌机与桩架进场组装并试运转正常后方可就位。2.1.6 采纳现浇的钢筋混凝土施工导墙时,导墙宜筑于密实的粘性土层上,并高出地面 100mm,导墙净距应比水泥土搅拌墙设计厚度增加 40~60mm。2.2 机械配备搅拌桩施工应根据项目地质条件与成桩深度选用不同形式或不同功率的三轴搅拌机,在粘性土中宜选用以叶片式为主的搅拌形式;在砂性土中宜选用螺旋叶片式为主的搅拌形式;在砂砾土中宜选用螺旋叶片搅拌形式。与其配套的桩架性能参数必须与三轴搅拌机的成桩深度和提升力要求相匹配。搅拌机工作电流、立架垂直度、卷扬机功能、搅拌轴的定位导向装置、注浆泵的工作压力应符合相关要求。附投入项目 SMW 工法桩施工机具表。SMW 工法桩施工机具表序号机具名称型号数量作用1挖掘机WY-1002 台开挖基槽2三轴搅拌桩机PAS-120VAR3 台水泥土搅拌3吊机50t3 台吊放搅拌机4汽吊16/25t2 台吊型钢5压浆泵UBJ-25 台注浆6空压机W-6/76 台凿出桩头7振动锤5 台插入型钢8灰浆搅拌机200L5 台拌浆9千斤顶2 台起拔型钢备注:施工机具的型号及数量根据项目的需要可灵活选择。3 SMW 工法桩施工工艺3.1 施工工艺流程3.2 施工步骤 SMW 工法桩施工步骤见下图。型钢回收现场查勘,清除地下障碍物,平整场地根据设计图纸测量定位,设置...

1、当您付费下载文档后,您只拥有了使用权限,并不意味着购买了版权,文档只能用于自身使用,不得用于其他商业用途(如 [转卖]进行直接盈利或[编辑后售卖]进行间接盈利)。
2、本站所有内容均由合作方或网友上传,本站不对文档的完整性、权威性及其观点立场正确性做任何保证或承诺!文档内容仅供研究参考,付费前请自行鉴别。
3、如文档内容存在违规,或者侵犯商业秘密、侵犯著作权等,请点击“违规举报”。

碎片内容

smw工法桩作业指导书

MY shop+ 关注
实名认证
内容提供者

欢迎挑选适合自己的材料。

确认删除?
VIP
微信客服
  • 扫码咨询
会员Q群
  • 会员专属群点击这里加入QQ群
客服邮箱
回到顶部