电脑桌面
添加小米粒文库到电脑桌面
安装后可以在桌面快捷访问

东丽的化学工业反渗透膜技术的应用程序

东丽的化学工业反渗透膜技术的应用程序_第1页
1/3
东丽的化学工业反渗透膜技术的应用程序_第2页
2/3
东丽的化学工业反渗透膜技术的应用程序_第3页
3/3
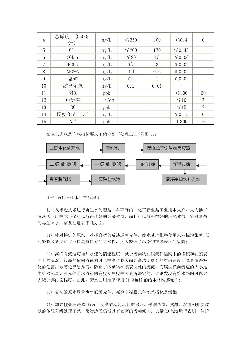
我国水资源及淡水资源极度匮乏且分布不均匀,这在很大程度上制约了我国经济进展,因此,将污废水回收再利用是提高水资源利用率的有效方法。反渗透技术是目前用于水处理比较高效、环保、节能的技术。该技术不仅在海水淡化、苦咸水脱盐、纯水及超纯水领域得到应用,而且也能够在污废水回收方面得到相应进展。 污水废水的复杂性对膜性能的要求更加苛刻,良好的东丽 TMG20-400 反渗透膜性能不仅需要较好的初始运行性能,而且更加追求系统长期的稳定运行,而膜污染恰恰是限制膜系统寿命的一个重要方面,开发及使用抗污染膜能够大大减少膜的清洗频率,提供膜运行性能。 东丽反渗透膜在石化行业中的应用 中水再生系统处理工艺 在连续 2 年对进水水质进行监测的基础上,最终确定了如下进水及产水设计指标,见表-1 及表-2: 表-1 进水水质指标序号项目单位设计数值最大值1CODcrmg/L≤801502BOD5mg/L≤20403SSmg/L≤20304NH3- Nmg/L≤25305Cl-mg/L≤2002206pH6-997总硬度(CaCO3 计)mg/L≤2503008总固体mg/L≤80010009总碱度(CaCO3 计)mg/L≤25030010总磷mg/L≤81211浊度mg/L≤304012温度℃15-3032 表-2 产水水质指标序号项目单位循环冷却水补充水一级除盐水设计值实际值设计值实际值1pH6.5-8.56.5-8.58.8-9.22浊度NTU≤50.3≤0.0203SSmg/L≤54≤0.0504总碱度 (CaCO3 计)mg/L≤250200≤0.405Cl-mg/L≤200170≤0.436CODcrmg/L≤2015≤0.067BOD5mg/L≤53≤0.028NH3-Nmg/L≤10.6≤0.029总磷mg/L≤21≤0.0210游离余氯mg/L0.20.01-11SiO2ppb≤1002012电导率μs/cm≤10713DOppb≤15714硬度(Ca2+ 计)mg/L≤0.13015Na+ppb≤30050 在以上进水及产水指标要求下确定如下处理工艺(见图-1): 图-1 石化再生水工艺流程图 利用反渗透技术进行再生水处理是非常可行的,化工行业是工业用水大户,大力推广反渗透回用技术不仅可以取得较好的经济效益,而且可以取得很好的环境效益。针对复杂的再生原水,需要注意以下几方面: (1) 针对特定的原水,选择合适的反渗透膜元件,废水处理推举使用东丽抗污染膜;低污染膜脱盐层通过改良具有良好的亲水性,大大减低了污染物在膜表面的吸附; (2) 高横向流速可增加水流的湍流程度,减少污染物在膜元件隔网中的堆积和在膜表面上的沉淀。较高的横向流速同时也提高了膜表面处高浓度盐分的扩散速度,降低浓差极化的危害,减薄边界层厚度,防止了污染物在膜表面处的沉淀。而膜面横向流速的大小是由给水流量、膜元件...

1、当您付费下载文档后,您只拥有了使用权限,并不意味着购买了版权,文档只能用于自身使用,不得用于其他商业用途(如 [转卖]进行直接盈利或[编辑后售卖]进行间接盈利)。
2、本站所有内容均由合作方或网友上传,本站不对文档的完整性、权威性及其观点立场正确性做任何保证或承诺!文档内容仅供研究参考,付费前请自行鉴别。
3、如文档内容存在违规,或者侵犯商业秘密、侵犯著作权等,请点击“违规举报”。

碎片内容

东丽的化学工业反渗透膜技术的应用程序

您可能关注的文档

确认删除?
VIP
微信客服
  • 扫码咨询
会员Q群
  • 会员专属群点击这里加入QQ群
客服邮箱
回到顶部