电脑桌面
添加小米粒文库到电脑桌面
安装后可以在桌面快捷访问

中水站工程专项施工方案iVIP专享

中水站工程专项施工方案i_第1页
1/27
中水站工程专项施工方案i_第2页
2/27
中水站工程专项施工方案i_第3页
3/27
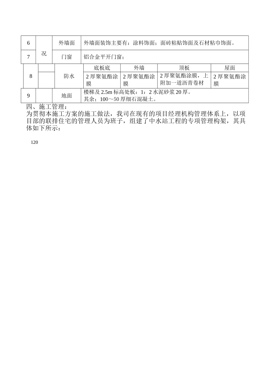
某上实项目一期二标段工程中水站工程专项施工方案一、编制依据:1、某项目一期二标段工程有关图纸设计资料。2、现行的施工验收法律规范、规程和标准,云南省有关建筑装饰技术、质量和安全的规定。(1)地下工程防水技术法律规范 GBJ108-87(2)混凝土结构工程施工及验收法律规范 GB50204-92(3)砌体工程施工及验收法律规范 GB50203-98(4)屋面工程技术法律规范 GB50207-94(5)钢筋焊接及验收规程 GBJ18-96(6)建筑地面工程施工及验收法律规范 GB50209-95(7)建筑装饰工程施工及验收法律规范 GBJ73-91(8)建筑工程质量检验评定标准 GBJ301-88(9)钢筋机械连接通用技术规程 GBJ107-96(10)电气装置安装工程低电器施工及验收法律规范 GB50254-96(11)电气装置安装工程爆炸和火灾危险环境电气装置施工及验收法律规范GB50257-96(12)电气装置安装工程 1KV 及以下配线工程施工及验收法律规范 GB50258-96(13)采暖与卫生工程施工及验收法律规范 GBJ242-82 二、说明: 1、编写好的施工方案应严格执行; 2、在施工期间,如设计发生变更或其它条件发生变化时,必须适当修改施工方案,以保证质量和工期的要求。 3、本施工方案如与施工图纸有出入,应以施工图纸为准。 三、工程概况: 中水站作为一期的配套工程,位于上实项目用地的东北角,紧靠兴盛路。在结构上采纳剪力墙设计,基础为筏板础。其概况具体如下表所示:序号类型部位做 法强度等级1结构概况钢筋砼基础采纳了钢筋混凝土筏板基础,厚度为 600mm。C30S82剪力墙主要有 200mm、300mm 厚及 600mm~300mm 变截面三种形式C30S83结 构梁 板板厚为 200mm,梁截面主要有:400×700C30S84建筑概相 对 标 高 /绝对标高±0.000/1966.205填充墙小型混凝土空心砌块砌筑况6外墙面外墙面装饰主要有:涂料饰面;面砖粘贴饰面及石材粘巾饰面。7门窗铝合金平开门窗;8防水底板底外墙顶板屋面2 厚聚氨酯涂膜2 厚聚氨酯涂膜2 厚聚氨酯涂膜,上附加一道沥青卷材2 厚聚氨酯涂膜9地面楼梯及 2.5m 标高处板:1:2 水泥砂浆 20 厚。其余;100~50 厚细石混凝土。四、施工管理:为贯彻本施工方案的施工做法,我司在现有的项目经理机构管理体系上,以项目部的联排住宅的管理人员为班子,组建了中水站工程的专项管理构架,其具体如下所示:120五、施工程序:项目经理汪志源项目副经理陈福星项目副经理潘可伦项目工程师姚伟峰主管施工员张志雄质量员董 林德 君水 玉安全...

1、当您付费下载文档后,您只拥有了使用权限,并不意味着购买了版权,文档只能用于自身使用,不得用于其他商业用途(如 [转卖]进行直接盈利或[编辑后售卖]进行间接盈利)。
2、本站所有内容均由合作方或网友上传,本站不对文档的完整性、权威性及其观点立场正确性做任何保证或承诺!文档内容仅供研究参考,付费前请自行鉴别。
3、如文档内容存在违规,或者侵犯商业秘密、侵犯著作权等,请点击“违规举报”。

碎片内容

中水站工程专项施工方案i

一二三四传媒+ 关注
实名认证
内容提供者

大量资料供您选择,没有合适的可以联系小二。

确认删除?
VIP
微信客服
  • 扫码咨询
会员Q群
  • 会员专属群点击这里加入QQ群
客服邮箱
回到顶部