电脑桌面
添加小米粒文库到电脑桌面
安装后可以在桌面快捷访问

云南海归创业园附属设施楼模板板工程专项施工方案

云南海归创业园附属设施楼模板板工程专项施工方案_第1页
1/9
云南海归创业园附属设施楼模板板工程专项施工方案_第2页
2/9
云南海归创业园附属设施楼模板板工程专项施工方案_第3页
3/9
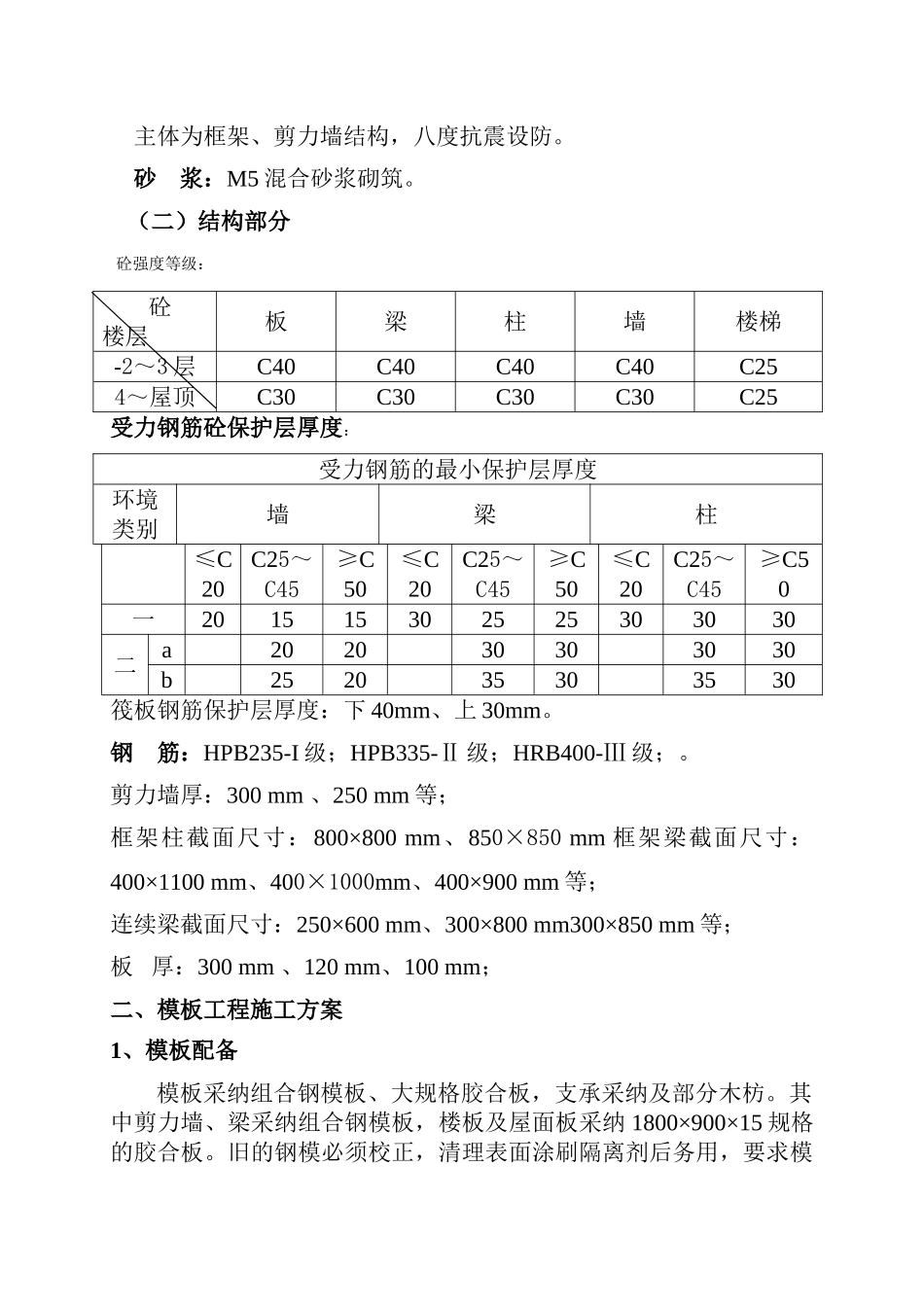
一、工程概况云南海归创业园附属设施缕,位于昆明市小石坝高新开发区内,其建筑功能为办公及研发。建筑分类为一般民用建筑;建筑设计使用年限为 50 年;建筑耐火等级一级;抗震设防烈度为 8 度;地下室防水等级为一级;屋面防水等级为三级;建筑层数:地上十层地下二层;建筑高度:43.5m;总建筑面积 2841.54m2;相对标高±0.000 等于绝对标高 1950.90 米.整幢建筑外型设计为弧型,外弧半径 R=123m,内弧半径R=99m,圆心角 60。外墙壁设有一道变形缝。该工程结构类型为框架剪力墙结构,地下室人防等级为核 6 级。该工程由云南华凌建筑设计有限公司设计,由云南恒丰工程建设监有限公司进行施工过程的监理。该建筑抗震设防类别为丙类;抗震设防列度为八度;建筑上部结构安全等级为二级;结构抗震等级:柱、梁二级,剪力墙一级。人防为六级基础设计等级为乙级;耐火等级地上部分为二级,地下部分为一级建筑耐久年限:一级(50 年);屋面防水等级为二级,防水层耐用年限期完 15 年;场地土类别为Ⅱ类;结构环境类别为地上结构一类,地下室二类; (一)建筑概况 地下负二层为战时为人防工程,平常为停车场,层高 3.9 米.地下负一层为停车场,层高 3.3 米,一层~三层层高 4.6;四层~十层层高 3.6米建筑在(9)~(10)轴、轴间设 200mm 宽外墙变形缝。 墙 体:本项目的内外墙由钢筋砼剪力墙及填充墙构成,负二层外墙全为剪力墙,;负一层内弧外墙为剪力墙、其余外墙均为 200 厚粘土空心砖;四层(含四层)内外墙均为 200 厚蒸压加气砼砌块。 主体为框架、剪力墙结构,八度抗震设防。 砂 浆:M5 混合砂浆砌筑。 (二)结构部分 砼强度等级:砼楼层板梁柱墙楼梯-2~3 层C40 C40C40C40C254~屋顶C30C30C30C30C25受力钢筋砼保护层厚度:受力钢筋的最小保护层厚度环境类别墙梁柱≤C20C25~C45≥C50≤C20C25~C45≥C50≤C20C25~C45≥C50一201515302525303030二a202030303030b252035303530筏板钢筋保护层厚度:下 40mm、上 30mm。钢 筋:HPB235-I 级;HPB335-Ⅱ 级;HRB400-Ⅲ 级;。剪力墙厚:300 mm 、250 mm 等;框架柱截面尺寸:800×800 mm、850×850 mm 框架梁截面尺寸:400×1100 mm、400×1000mm、400×900 mm 等;连续梁截面尺寸:250×600 mm、300×800 mm300×850 mm 等;板 厚:300 mm 、120 mm、100 mm;二、模板工程施工方案1、模板配备模板采纳组合钢模板、大规格胶合板,支承采纳及...

1、当您付费下载文档后,您只拥有了使用权限,并不意味着购买了版权,文档只能用于自身使用,不得用于其他商业用途(如 [转卖]进行直接盈利或[编辑后售卖]进行间接盈利)。
2、本站所有内容均由合作方或网友上传,本站不对文档的完整性、权威性及其观点立场正确性做任何保证或承诺!文档内容仅供研究参考,付费前请自行鉴别。
3、如文档内容存在违规,或者侵犯商业秘密、侵犯著作权等,请点击“违规举报”。

碎片内容

云南海归创业园附属设施楼模板板工程专项施工方案

您可能关注的文档

一二三四传媒+ 关注
实名认证
内容提供者

大量资料供您选择,没有合适的可以联系小二。

确认删除?
VIP
微信客服
  • 扫码咨询
会员Q群
  • 会员专属群点击这里加入QQ群
客服邮箱
回到顶部